GM Service Manual Online
For 1990-2009 cars only

Removal Procedure

Caution: Hot engine coolant may cause severe burns. Although the cooling system has been drained, coolant still remains in the engine water jacket. This coolant will drain with the removal of the knock sensor.

  1. Disconnect the negative battery cable.
  2. Caution: Unless directed otherwise, the ignition and start switch must be in the OFF or LOCK position, and all electrical loads must be OFF before servicing any electrical component. Disconnect the negative battery cable to prevent an electrical spark should a tool or equipment come in contact with an exposed electrical terminal. Failure to follow these precautions may result in personal injury and/or damage to the vehicle or its components.

  3. Raise the vehicle.

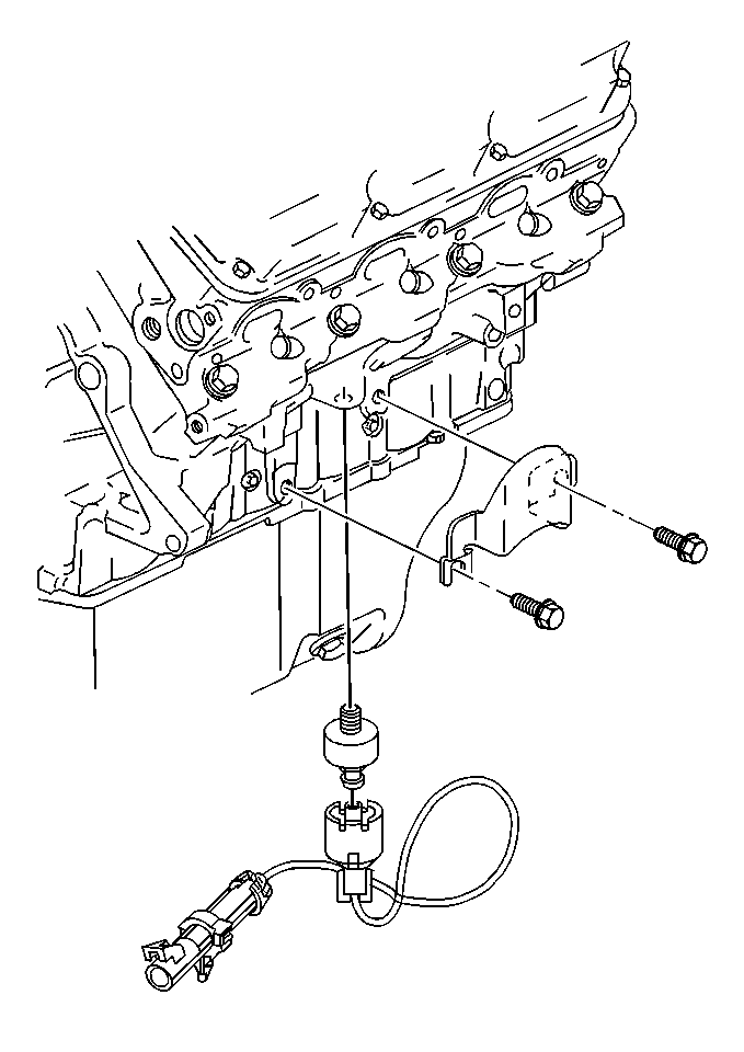
  4. Object Number: 12310  Size: SH
  5. Remove the splash shield.
  6. Drain the cooling system. Refer to Cooling and Radiator.

  7. Object Number: 12311  Size: MH
  8. Remove the knock sensor heat shield mounting bolt located under the freeze plug (or block heater if equipped).
  9. Disconnect the knock sensor wiring harness connector from the knock sensor.
  10. Remove the knock sensor from the engine block.

Installation Procedure

Important: Do Not apply thread sealant to sensor threads. The sensor is coated at factory and applying additional sealant will affect the sensor's ability to detect detonation.


    Object Number: 12311  Size: MH
  1. Install the knock sensor into the engine block.
  2. Tighten
    Knock sensor to 19 N·m (14 lb ft).

    Notice: Use the correct fastener in the correct location. Replacement fasteners must be the correct part number for that application. Fasteners requiring replacement or fasteners requiring the use of thread locking compound or sealant are identified in the service procedure. Do not use paints, lubricants, or corrosion inhibitors on fasteners or fastener joint surfaces unless specified. These coatings affect fastener torque and joint clamping force and may damage the fastener. Use the correct tightening sequence and specifications when installing fasteners in order to avoid damage to parts and systems.

  3. Install the knock sensor heat shield mounting bolt located under the freeze plug (or block heater if equipped).
  4. Connect the knock sensor wiring harness connector to the knock sensor.
  5. Install the splash shield.
  6. Lower the vehicle.
  7. Fill the cooling system. Refer to Cooling and Radiator.
  8. Connect the negative battery cable.