GM Service Manual Online
For 1990-2009 cars only
Figure 1:

Engine Component View -- Vin 1


Object Number: 12234  Size: LF
(1)Exhaust Gas Recirculation (EGR) Valve
(2)Idle Air Control (IAC) Valve
(3)Mass Air Flow (MAF) Sensor
(4)Throttle Position (TP) Sensor
(5)Bypass Valve Actuator
(6)Boost Control Solenoid
(7)Ignition Control Module
(8)Crankshaft Position (CKP) Sensor
(9)Camshaft Position (CMP) Sensor
(10)EVAP Canister Purge Valve
(11)Heated Oxygen Sensor 1 (HO2S 1)
(12)Manifold Absolute Pressure (MAP) Sensor
(13)PCV Valve
Figure 2:

Engine Component View Vin K


Object Number: 12235  Size: LF
(1)Exhaust Gas Recirculation (EGR) Valve
(2)Idle Air Control (IAC) Valve
(3)Mass Air Flow (MAF) Sensor
(4)Throttle Position (TP) Sensor
(5)Engine Oil Level Switch
(6)Ignition Control Module
(7)Crankshaft Position (CKP) Sensor
(8)Camshaft Position (CMP) Sensor
(9)EVAP Canister Purge Valve
(10)PCV Valve
(11)Heated Oxygen Sensor 1 (HO2S 1)
(12)Manifold Absolute Pressure (MAP) Sensor
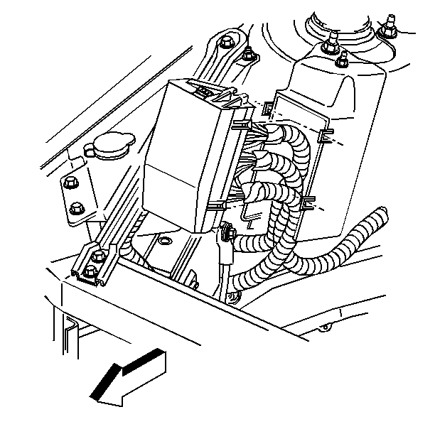
Figure 3:

Pontiac Underhood Electrical Center Location


Object Number: 74277  Size: SH
Figure 4:

Pontiac Underhood Electrical Center


Object Number: 74321  Size: SF
(1)Battery
(2)Cooling Fan 2 (30A)
(3)--
(4)Headlamps (60A)
(5)Battery Main 2 (60A)
(6)Ignition Main 1 (40A)
(7)Cooling Fan 1 (30A)
(8)Battery Main 1 (60A)
(9)Ignition Main 2 (60A)
(10)Cool Fan Relay
(11)Cooling Fan 2 Relay
(12)Ignition Main Relay
(13)Cooling Fan 1 Relay
(14)A/C Clutch Relay
(15)Fuel Pump Relay
(16)Fuel Pump Speed Control Relay
(17)Horn Relay
(18)Fog Lamp Relay
(19)Fuel Injector (10A)
(20)Spare
(21)Spare
(22)Ignition 1 (15A)
(23)Spare
(24)Spare
(25)Spare
(26)Elek Ignition (15A)
(27)Spare
(28)B/U Lamp
(29)A/C Clutch (10A)
(30)Radio (10A)
(31)Alt Sense (10A)
(32)TCC (10A)
(33)Fuel Pump (15A)
(34)ECM Sense (10A)
(35)--
(36)Fog Lamp (10A)
(37)Horn (15A)
(38)Park Lamp (20A)
(39)--
(40)--
(41)Mini Fuse Puller

1997 W-car Pontiac 3.8 VIN K and VIN 1 Component Location Table

Name

Location

Locator View (Section 8A-201 figure no.)

Connector End View

Group No.

1-2 Shift Solenoid Valve

Inside automatic transaxle

--

--

--

2-3 Shift Solenoid Valve

Inside automatic transaxle

--

--

--

A/C Compressor Clutch Coil

Part of A/C compressor, lower RH front of engine

14

--

--

A/C Refrigerant Pressure Sensor

LH side of engine compartment on accumulator

9

--

--

Automatic Transaxle (VIN 1)

Lower LH side of engine compartment

10

--

--

Automatic Transaxle (VIN K)

Lower LH side of engine compartment

15

--

--

Automatic Transaxle Fluid Pressure Manual Valve Position Switch

Inside automatic transaxle

--

202-42

--

Automatic Transaxle Fluid Temperature (TFT) Sensor

Inside automatic transaxle

--

--

--

Automatic Transaxle Input Shaft Speed (A/T ISS) Sensor

Inside automatic transaxle

--

--

--

Body Control Module (BCM)

Below LH side of I/P, left of steering column

60

51-2

--

Camshaft Position (CMP) Sensor

RH rear side of engine, above crankshaft pulley

33

--

--

Crankshaft Position (CKP) Sensor

RH side of engine at end of crankshaft, behind harmonic balancer

31

--

--

Cruise Control Module

LH side of engine compartment, mounted to strut tower

11

34-1

--

Data Link Connector (DLC)

On bottom of I/P, right of steering column

42

50-1

--

Driver Information Display

RH side of instrument cluster

51

86-5

--

Engine Coolant Fan Motor

Front of engine compartment, mounted to radiator

3

--

--

Engine Coolant Temperature (ECT) Sensor

Top LH side of engine, below throttle body

--

--

--

Engine Oil Level Indicator Switch

Front center of engine oil pan

29

--

--

Evaporative Emissions (EVAP) Canister Purge Solenoid Valve (VIN K)

Top front of engine, on intake manifold near fuel injectors

28

--

--

Evaporative Emissions (EVAP) Canister Purge Solenoid Valve (VIN 1)

Top front of engine, on intake manifold near fuel injectors

38

--

--

Evaporative Emissions (EVAP) Canister Purge Vacuum Diagnostic Switch (VIN K)

Top rear of engine, on intake manifold behind generator

--

--

--

Evaporative Emissions (EVAP) Canister Purge Vacuum Diagnostic Switch (VIN 1)

Top front of engine, on intake manifold near fuel injectors

38

--

--

Exhaust Gas Recirculation (EGR) Solenoid Valve

Upper LH side of engine, near throttle body

35

202-51

--

Fuel Injectors

Top of engine at each cylinder intake port

--

--

--

Fuel Pump Resistor

Mounted to outside of RH front frame rail forward of front wheel

--

--

--

Fuel Tank

Below rear of vehicle, forward of rear axle

--

--

--

Fuse Block

RH side of I/P, in I/P compartment opening

54

--

--

Generator

Top rear RH side of engine

36

202-54

--

Heated Oxygen Sensor (HO2S) #1

Rear of engine, mounted in exhaust manifold

35

202-55

--

Heated Oxygen Sensor (HO2S) #2

In exhaust system, behind catalytic converter

18

202-55

--

Heater And A/C Control (C60)

Center of I/P

--

202-55

--

Heater And A/C Control (CJ2)

Center of I/P

--

202-57

--

Idle Air Control (IAC) Valve

Top of engine on front of throttle assembly

39

202-57

--

Ignition Control Module (ICM)

Top RH front of engine

31

202-58

--

Instrument Cluster

LH side of I/P

--

81-3

--

Instrument Cluster Head-Up Display (HUD)

Top of LH side of I/P

56

83-2

--

Intake Air Temperature (IAT) Sensor

LH front of engine compartment in air cleaner duct

39

--

--

Knock Sensor (KS) #1

Rear of engine below exhaust manifold

34

--

--

Knock Sensor (KS) #2

Front of engine above starter

29

--

--

Manifold Absolute Pressure (MAP) Sensor (VIN K)

Top RH side of intake manifold

28

--

--

Manifold Absolute Pressure (MAP) Sensor (VIN 1)

Top rear of engine near fuel injectors

38

--

--

Mass Air Flow (MAF) Sensor

LH front of engine, part of throttle body assembly

39

--

--

Performance Shift Switch

Part of console shifter handle

46

--

--

Powertrain Control Module (PCM)

LH side of engine compartment, inside air cleaner assembly

13

6E

--

Pressure Control Solenoid (PC SOL) Valve

Inside automatic transaxle

--

--

--

Stoplamp Switch

Below LH side of I/P, in RH side of brake pedal bracket

57

--

--

Supercharger Bypass Valve

Top front of engine near front fuel injectors

37

--

--

Throttle Position (TP) Sensor

Top of engine on throttle assembly

39

--

--

Torque Converter Clutch Pulse Width Modulation Solenoid (TCC PWM SOL) Valve

Inside automatic transaxle

--

--

--

Torque Converter Clutch Solenoid (TCC SOL) Valve

Inside automatic transaxle

--

--

--

Transaxle Range Switch

Left of engine, on transaxle

16

202-63

--

Trip Calculator

RH side of instrument cluster

51

86-5

--

Underhood (U/H) Electrical Center

RH side of engine compartment, mounted to strut tower

5

202-64

--

Vehicle Speed Sensor (VSS)

RH rear of engine compartment, in transaxle

30

--

--

C101 (8 cavities)

I/P wiring harness to engine wiring harness, LH side of engine compartment near strut tower

11

202-0

--

C105 (4 cavities)

Engine wiring harness to coolant fan wiring harness, on radiator between coolant fans

3

202-3

--

C110 (10 cavities)

Engine wiring harness to ignition control module wiring harness, top of engine near ignition control module

31

202-6

--

C111 (7 cavities)

Engine wiring harness to transaxle wiring harness, LH side of engine compartment, top of transaxle

16

202-7

--

C113 (14 cavities)

Engine wiring harness to transaxle wiring harness, LH side of engine compartment top of transaxle

17

202-8

--

C125 (1 cavity)

Engine wiring harness to knock sensor jumper harness, lower RH side of engine

34

202-9

--

C126 (3 cavities)

Engine wiring harness to ECT sensor jumper harness, top center of engine, on intake manifold

28

202-10

--

C200 (56 cavities)

I/P wiring harness to body wiring harness, behind RH side of I/P, near shroud

--

202-15

--

C240 (10 cavities)

I/P wiring harness to front floor console wiring harness, behind front end of console

--

202-24

--

C405 (8 cavities)

Body wiring harness to fuel tank wiring harness, in rear compartment floor forward of spare tire well

67

202-39

--

G111

RH side of engine on ignition control module bracket

30

--

--

G113

Lower LH front of engine on transaxle stud

19

--

--

G117

Lower LH front of engine on transaxle stud

19

--

--

G200

RH side of I/P cross beam, behind fuse block

52

--

--

G302

RH door sill forward of RH front seat

66

--

--

P100

Lower RH side of dash panel

49

--

--

P101

Upper LH side of dash panel

11

--

--

S105

Engine wiring harness, front of engine compartment, approximately 4 cm (2 in) from C105 (engine coolant fan jumper connector) breakout

--

--

--

S106

Engine wiring harness, LH side of engine compartment, approximately 44 cm (17 in) from PCM

--

--

--

S107

Engine wiring harness, LH top front of engine, approximately 4 cm (2 in) from C110 breakout

--

--

--

S115 (VIN K)

Automatic Transaxle wiring harness, inside transaxle housing approximately 11 cm (4 in) from C111

--

--

--

S115 (VIN 1)

Automatic Transaxle wiring harness, inside transaxle housing approximately 19 cm (7 in) from C113

--

--

--

S122

Engine wiring harness, LH top front of engine, approximately 13 cm (5 in) from C110 breakout

--

--

--

S144

Ignition control module wiring harness, top of engine near ignition control module, approximately 12 cm (5 in) from C110 breakout

--

--

--

S145

Ignition control module wiring harness, top of engine near ignition control module, approximately 12 cm (5 in) from C110 breakout

--

--

--

S206

I/P wiring harness, RH side of steering column, approximately 4 cm (2 in) from data link connector breakout

--

--

--

S209

I/P wiring harness, behind RH side of instrument cluster, approximately 20 cm (8 in) from the driver information display/trip calculator breakout

--

--

--

S211

I/P wiring harness, behind center of I/P, approximately 11 cm (4 in) from data link connector breakout

--

--

--

S236

I/P wiring harness, RH side of steering column, approximately 30 cm (12 in) from data link connector breakout

--

--

--

S237

I/P wiring harness, behind center of I/P, approximately 30 cm (12 in) from data link connector breakout

--

--

--

S238

I/P wiring harness, below center of I/P, approximately 27 cm (11 in) from C240

--

--

--

S285

I/P wiring harness, RH side of steering column, approximately 11 cm (4 in) from data link connector breakout

--

--

--