GM Service Manual Online
For 1990-2009 cars only

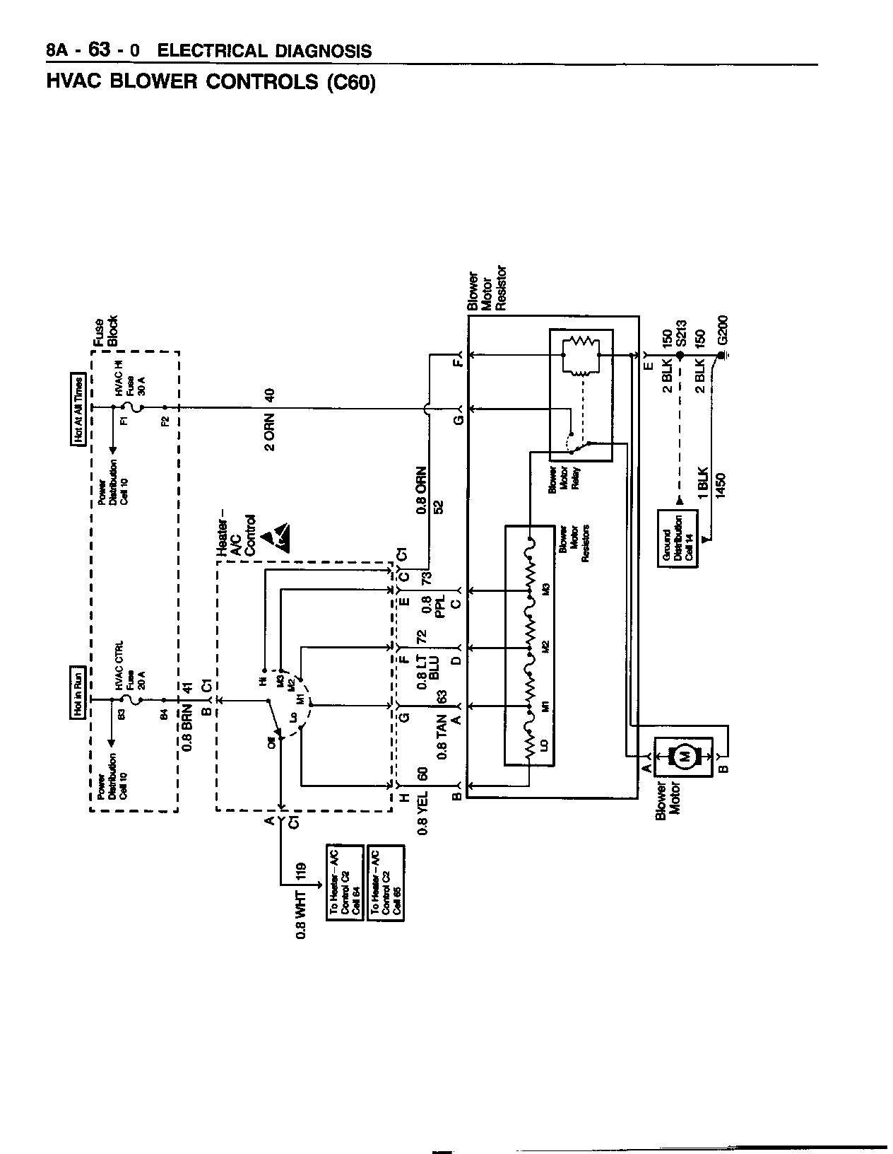
SMU-SEC. 8A-63 - HVAC BLOWER CONTROLS - REV. ELEC.

SUBJECT: SERVICE MANUAL UPDATE - SECTION 8A-63 - HVAC BLOWER CONTROLS (C60) - REVISED ELECTRICAL SCHEMATIC AND CHART #3

MODELS: 1997 PONTIAC GRAND PRIX

THIS BULLETIN IS BEING ISSUED TO REVISE THE ELECTRICAL SCHEMATIC AND CHART #3 IN SECTION 8A-63 OF THE SERVICE MANUAL.

PLEASE REPLACE THE CURRENT SCHEMATIC AND CHART #3 WITH THE ATTACHED AS FOLLOWS:

- ELECTRICAL SCHEMATIC ON PAGE 8A-63-0 - CHART #3 - MEDIUM SPEED(S) INOPERATIVE, LOW AND HIGH SPEEDS OPERATE NORMALLY ON PAGE 8A-63-4

FIGURES: 00 ATTACHMENTS: 02


Object Number: 335770  Size: FS


Object Number: 335772  Size: FS

GENERAL MOTORS BULLETINS ARE INTENDED FOR USE BY PROFESSIONAL TECHNICIANS, NOT A "DO-IT-YOURSELFER". THEY ARE WRITTEN TO INFORM THOSE TECHNICIANS OF CONDITIONS THAT MAY OCCUR ON SOME VEHICLES, OR TO PROVIDE INFORMATION THAT COULD ASSIST IN THE PROPER SERVICE OF A VEHICLE. PROPERLY TRAINED TECHNICIANS HAVE THE EQUIPMENT, TOOLS SAFETY INSTRUCTIONS AND KNOW-HOW TO DO A JOB PROPERLY AND SAFELY. IF A CONDITION IS DESCRIBED, DO NOT ASSUME THAT THE BULLETIN APPLIES TO YOUR VEHICLE, OR THAT YOUR VEHICLE WILL HAVE THAT CONDITION. SEE A GENERAL MOTORS DEALER SERVICING YOUR BRAND OF GENERAL MOTORS VEHICLE FOR INFORMATION ON WHETHER YOUR VEHICLE MAY BENEFIT FROM THE INFORMATION.

COPYRIGHT 1998 GENERAL MOTORS CORPORATION. ALL RIGHTS RESERVED.