GM Service Manual Online
For 1990-2009 cars only
Makes
🢒
Pontiac
🢒
1997
🢒
Grand Prix
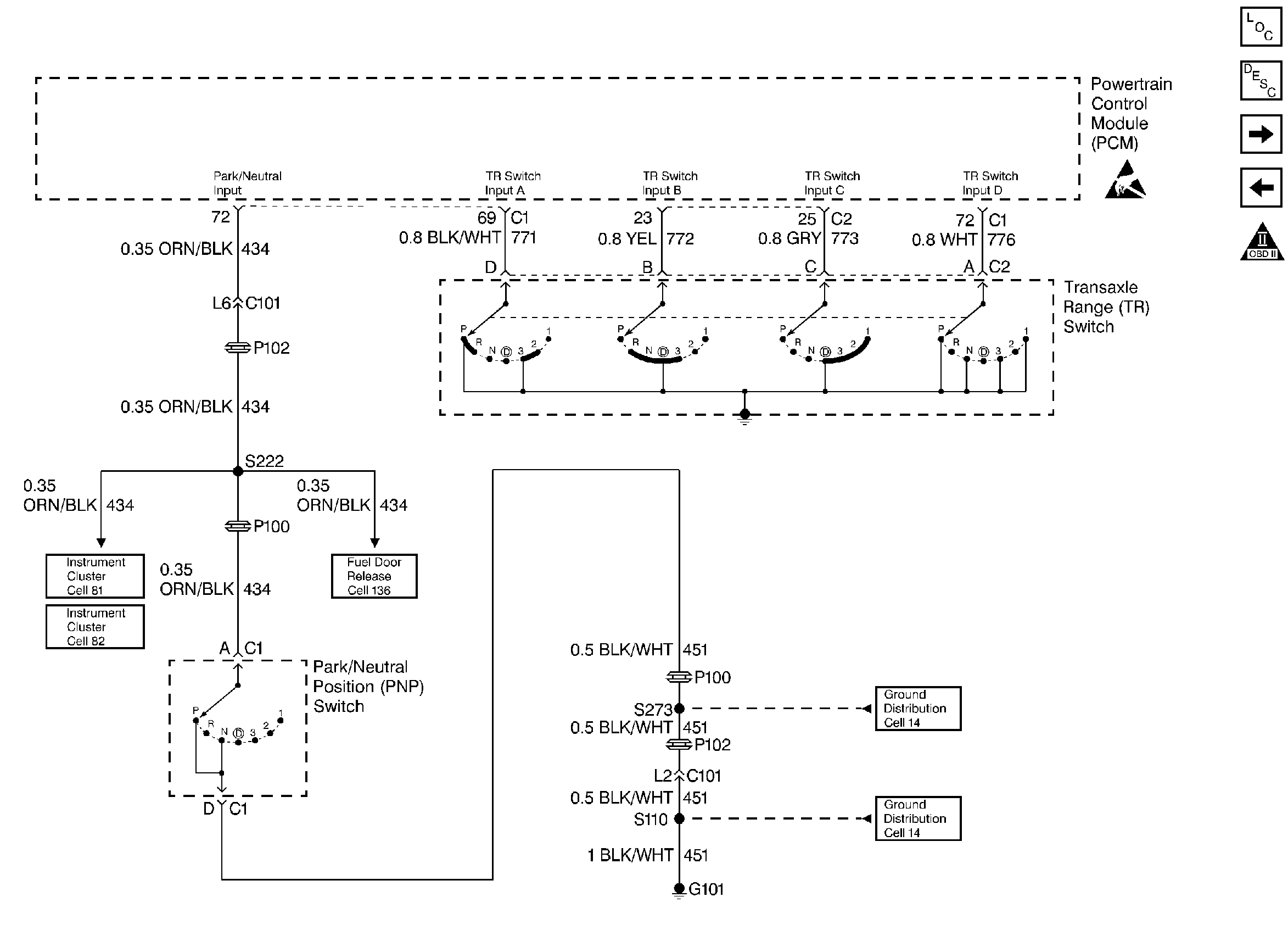
🢒 Trans Range, PNP Switch
Trans Range, PNP Switch
Trans Range, PNP Switch
TCC Brake Switch, TCC Solenoid
Engine Controls Components
Information Sensors
OBD II Symbol Description Notice
VSS, Cruise Control Module
Handling ESD Sensitive Parts Notice