GM Service Manual Online
For 1990-2009 cars only
Makes
🢒
Pontiac
🢒
1997
🢒
Grand Prix
🢒 VIN K Fuel Control
VIN K Fuel Control
VIN K Fuel Control
Engine Controls Components
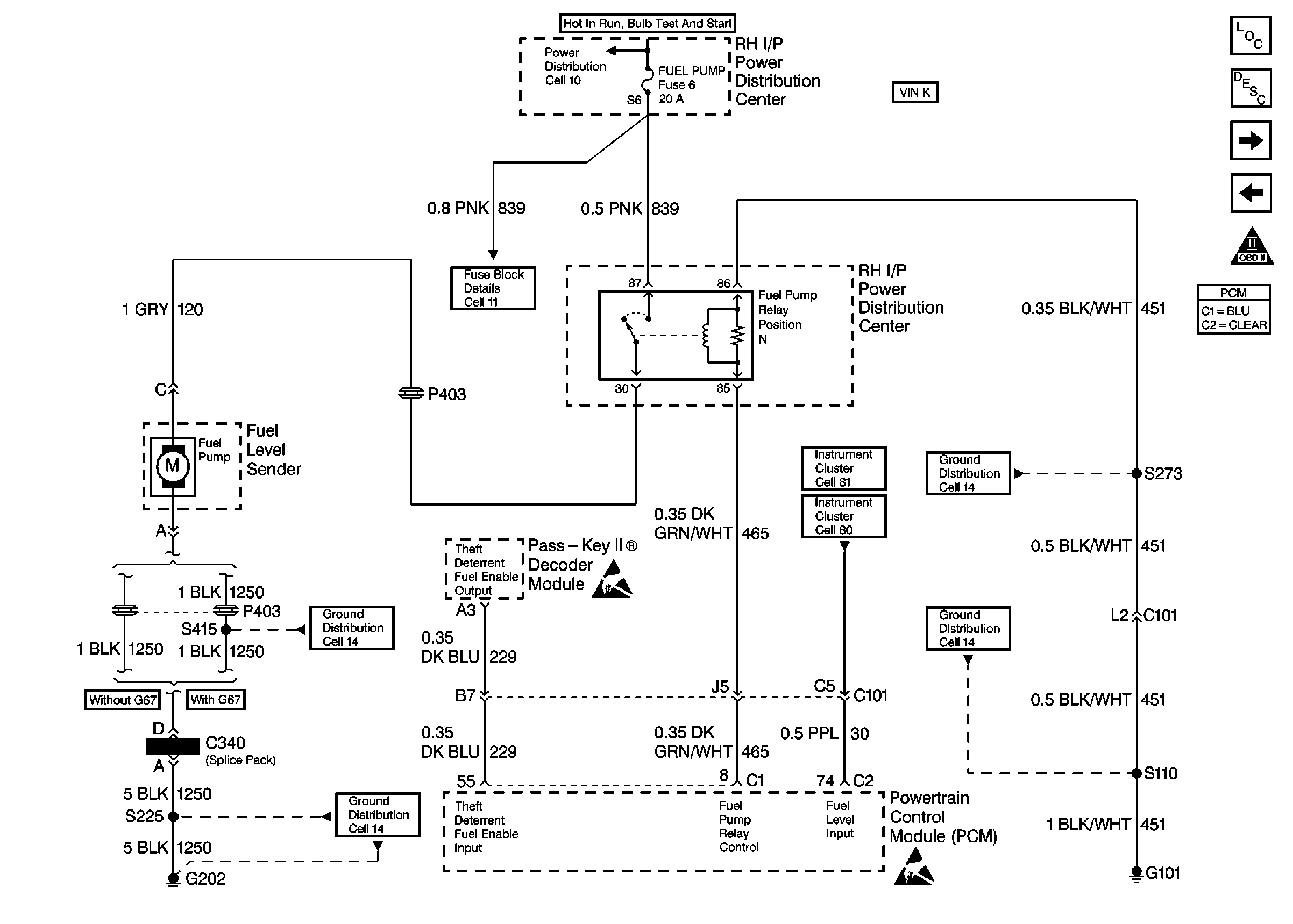
Fuel Pump Electrical Circuit Diagnosis VIN K
VIN 1 Fuel Control
OBD II Symbol Description Notice
Ignition Control Module
Handling ESD Sensitive Parts Notice