GM Service Manual Online
For 1990-2009 cars only
Makes
🢒
Pontiac
🢒
1997
🢒
Grand Prix
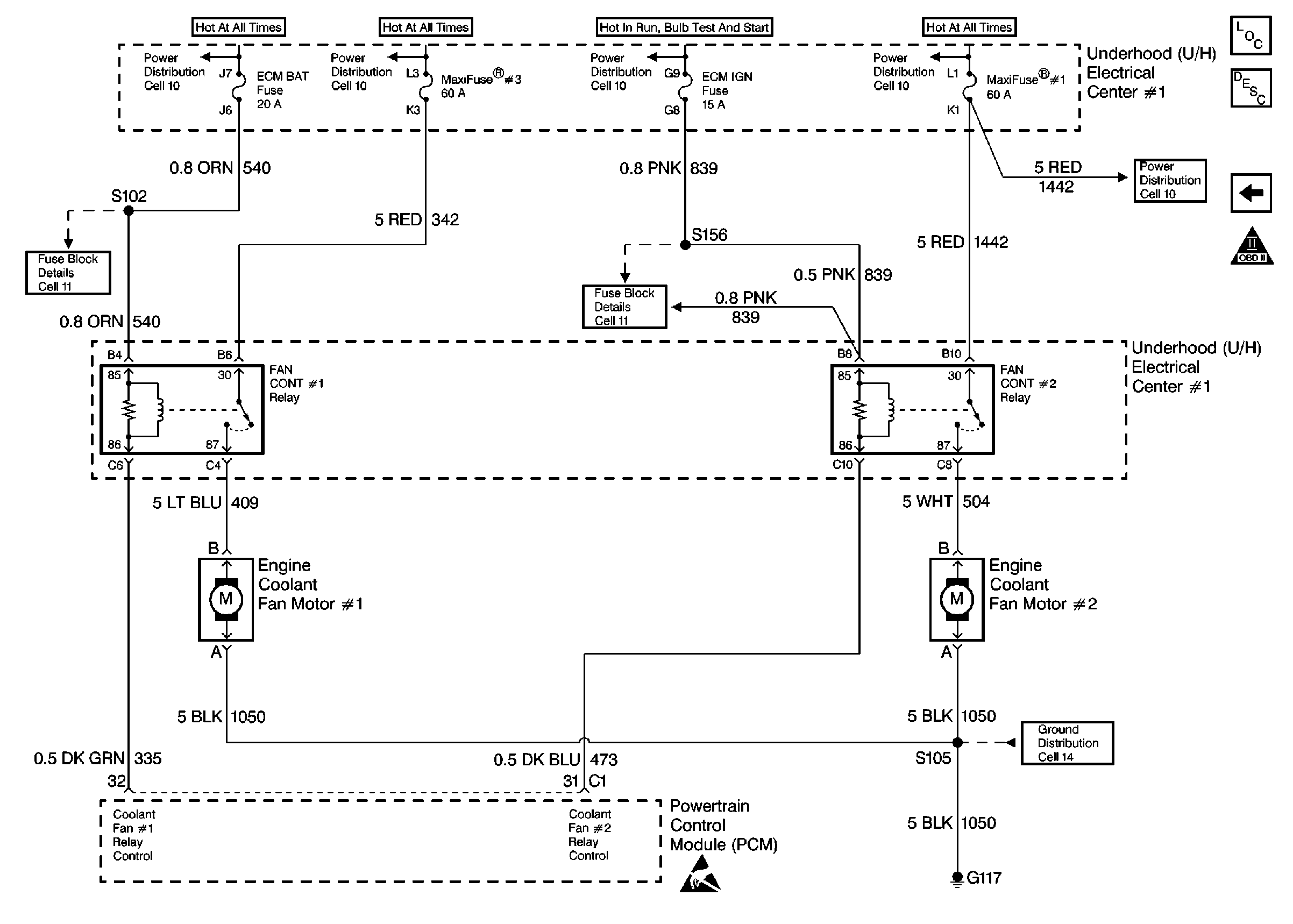
🢒 Coolant Fans (Oldsmobile)
Coolant Fans (Oldsmobile)
Coolant Fans (Oldsmobile)
Engine Controls Components
Information Sensors
Coolant Fans (Chevrolet)
OBD II Symbol Description Notice
Handling ESD Sensitive Parts Notice