GM Service Manual Online
For 1990-2009 cars only

Refer to

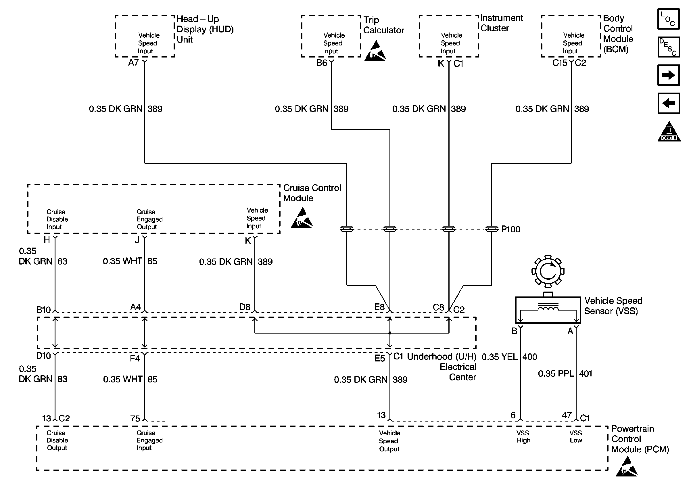
Vehicle Speed Sensor, Cruise


Object Number: 82386  Size: FS
Engine Controls Components
Information Sensors
Automatic Transaxle, TCC switch
Transaxle Range Switch, IAC, Engine Oil Level
OBD II Symbol Description Notice
Handling ESD Sensitive Parts Notice
Handling ESD Sensitive Parts Notice
Handling ESD Sensitive Parts Notice
Handling ESD Sensitive Parts Notice
Handling ESD Sensitive Parts Notice
Handling ESD Sensitive Parts Notice

Circuit Description

The Vehicle Theft Deterrent module produces the Theft Deterrent Fuel Enable signal when ignition is ON and the proper key resistor pellet is sensed by the Vehicle Theft Deterrent module. The PCM monitors the Fuel Enable signal during crank. If the proper signal is present on the Theft Deterrent Fuel Enable circuit, the PCM enables fuel delivery to allow the engine to start. If the PCM detects that the fuel enable signal is not present or incorrect while an attempt is made to start the engine, DTC P1629 will be set. The engine will not start as long as this condition is present. If the problem also affects inputs to the Vehicle Theft Deterrent module, the starter motor may be disabled. If this condition is present, refer to Vehicle Theft Deterrent System for further diagnosis.

Conditions for Setting the DTC

    • DTC P1626 not present.
    • An attempt is made to start the engine.
    • The PCM detects an incorrect signal on the Theft Deterrent Fuel Enable Circuit.
    • The above conditions for longer than 2 seconds.

Action Taken When the DTC Sets

    • The PCM will not illuminate the malfunction indicator lamp (MIL).
    • The PCM will store conditions which were present when the DTC set as Failure Records data only. This information will not be stored as Freeze Frame data.

Conditions for Clearing the MIL/DTC

    • A History DTC will clear after 40 consecutive warm-up cycles have occurred without a malfunction.
    • The DTC can be cleared by using the scan tool Clear Info function.

Diagnostic Aids

An intermittent may be caused by a poor connection, rubbed through wire insulation or a wire broken inside the insulation. Check for:

    • Poor connection. Inspect the PCM and Vehicle Theft Deterrent module harness and connectors for improper mating, broken locks, improperly formed or damaged terminals, and poor terminal to wire connection.
    • Damaged harness. Inspect the wiring harness for damage. If the harness appears to be OK, disconnect the Vehicle Theft Deterrent module, turn the ignition ON and monitor a voltmeter connected to the Theft Deterrent Fuel Enable circuit at the Vehicle Theft Deterrent module harness connector while moving connectors and wiring harnesses related to the Vehicle Theft Deterrent system. A change in voltage will indicate the location of the fault.

Reviewing the Fail Records vehicle mileage since the diagnostic test last failed may help determine how often the condition that caused the DTC to be set occurs. This may assist in diagnosing the condition.

Test Description

Number(s) below refer to the step number(s) on the Diagnostic Table.

  1. This vehicle is equipped with a PCM which utilizes an Electrically Erasable Programmable Read Only Memory (EEPROM). When the PCM is being replaced, the new PCM must be programmed. Refer to Powertrain Control Module Replacement/Programming

Step

Action

Value(s)

Yes

No

1

Was the Powertrain On-Board Diagnostic (OBD) System Check performed?

--

Go to Step 2

Go to Powertrain On Board Diagnostic (OBD) System Check

2

Important: Before continuing diagnosis, ensure that the vehicle battery is fully charged.

Attempt to start vehicle.

Does engine crank?

--

Go to Step 3

Refer to Theft Deterrent System in Electrical Diagnosis

3

  1. Ignition OFF, disconnect Theft Deterrent module.
  2. Ignition ON.
  3. Using a DMM (J39200), measure voltage between the Theft Deterrent Fuel Enable circuit and the ground circuit at the Theft Deterrent module harness connector.

Does voltage measure near the specified value?

5V

Go to Step 4

Go to Step 6

4

  1. Ignition OFF, reconnect Theft Deterrent module.
  2. Ignition ON.
  3. Backprobe the Theft Deterrent module connector to measure DC frequency between the Theft Deterrent Fuel Enable circuit and ground.

Is the frequency between the specified values?

40-60 Hertz

Go to Step 5

Go to Step 8

5

  1. Ignition OFF.
  2. Clear DTC P1629.
  3. Attempt to start the vehicle.

Does the vehicle start and continue running?

--

Refer to Diagnostic Aids

Go to Step 7

6

  1. Check the Theft Deterrent Fuel Enable circuit for an open, short to ground, or short to voltage.
  2. If a problem is found, repair as necessary (refer to Engine Electrical).

Was a problem found?

--

Go to Step 11

Go to Step 7

7

  1. Check the Theft Deterrent Fuel Enable circuit for a poor connection at the PCM.
  2. If a problem is found, replace faulty terminal.

Was a problem found?

--

Go to Step 11

Go to Step 9

8

  1. Check for poor connections at the Theft Deterrent module.
  2. If a problem is found, replace faulty terminal(s).

Was a problem found?

--

Go to Step 11

Go to Step 10

9

Replace the PCM.

Important: Replacement PCM must be programmed. Refer to Powertrain Control Module Replacement/Programming

Is action complete?

--

Go to Step 11

--

10

Replace the Theft Deterrent module.

Is action complete?

--

Go to Step 11

--

11

  1. Clear DTCs.
  2. Observe VTD Fuel Disable on the scan tool Eng. 2 data list.

Does VTD Fuel Disable display Inactive?

--

Repair complete

Go to Step 2