GM Service Manual Online
For 1990-2009 cars only

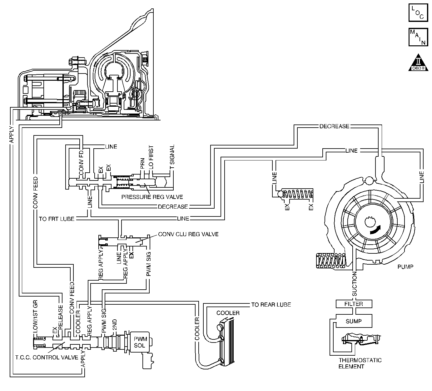
Object Number: 60587  Size: LF
Automatic Transmission Components
Automatic Transmission Controls Schematics
OBD II Symbol Description Notice

Circuit Description

The Automatic Transmission Fluid Temperature (TFT) sensor is a negative coefficient thermistor. When the transmission fluid is cold, the sensor resistance is high. As the transmission fluid warms up, the sensor resistance becomes lower. The Powertrain Control Module (PCM) uses TFT information to control Torque Converter Clutch (TCC) apply and release, line pressure, and shift timing. The TFT range is -40°C to +151°C (-40°F to +304°F).

If the PCM detects a high transmission fluid temperature for an extended period of time on the TFT sensor circuit, then DTC P0218 sets. DTC P0218 is a type D DTC.

Conditions for Setting the DTC

    • No TFT DTCs P0711, P0712, or P0713 are set.
    • The transmission fluid temperature is greater than 130°C (266°F) for 10 minutes.

Action Taken When the DTC Sets

    • The PCM disables shift adapts.
    • The PCM does not illuminate the Malfunction Indicator Lamp (MIL).

Conditions for Clearing the DTC

    • A scan tool can clear the DTC from the PCM history. The PCM clears the DTC from the PCM history if the vehicle completes 40 warm-up cycles without a failure reported.
    • The PCM cancels the DTC default actions when the fault no longer exists and the ignition is OFF long enough in order to power down the PCM.

Diagnostic Aids

    • Inspect the transmission cooling system for possible blockage and restrictions.
    • Inspect the transmission fluid level.

Test Description

The numbers below refer to the step numbers on the diagnostic table:

  1. This step ensures that the transmission fluid is at the proper level. A low fluid level may cause an overtemperature problem.

  2. This step inspects or repairs the following items:

  3. • Engine: Refer to Cooling and Radiator, Section 6.
    • Vehicle: Has the vehicle towed excessive weight?
    • Fluid: Refer to Transmission Fluid Check , Section 7.
    • Filter: Replace the filter if the filter is cracked or unseated.
    • Refer to Fluid Filter and Seal, in On-Vehicle Service.
    • Low Line Pressure: Inspect the cooler lines for any crimps or restrictions.
    • Refer to Line Pressure Check , Section 7.
    • Radiator: Refer to Cooling and Radiator, Section 6.

DTC P0218 Automatic Transmission Fluid Over Temperature

Step

Action

Value(s)

Yes

No

1

Was the Powertrain On-Board Diagnostic (OBD) System Check performed?

--

Go to Step 2

Go to A Powertrain On Board Diagnostic (OBD) System Check

2

Have you performed the transmission fluid checking procedure?

--

Go to Step 3

Go to Transmission Fluid Check

3

This DTC sets only if one or more of the following problems occurs.

  1. Inspect the vehicle for the following problems:
  2. • An overheated engine
    • An overloaded vehicle
    • Fluid that has become contaminated with antifreeze
    • A clogged filter or a filter that is not seated correctly
    • Low line pressure caused by clogged or restricted cooler lines
    • A restricted radiator
  3. Repair the faulty items.

Have you completed the inspection and repair procedure?

--

Go to Step 4

--

4

In order to verify your repair, perform the following procedure:

  1. Install the Scan Tool ®.
  2. Select DTC.
  3. Select Clear Info.
  4. Operate the vehicle under the following conditions:
  5. • Road test the vehicle.
    •  Monitor the Automatic Transmission Fluid Temperature. Ensure that the Automatic Transmission Fluid Temperature remains below 129°C (264°F) for 5 seconds.
  6. Select Specific DTC. Enter DTC P0218.

Has the test run and passed?

--

System OK

Begin the diagnosis again. Go to Step 1