GM Service Manual Online
For 1990-2009 cars only
Makes
🢒
Pontiac
🢒
1998
🢒
Grand Prix
🢒
Steering
🢒
Variable Effort Steering
🢒 Steering Assist Component Views
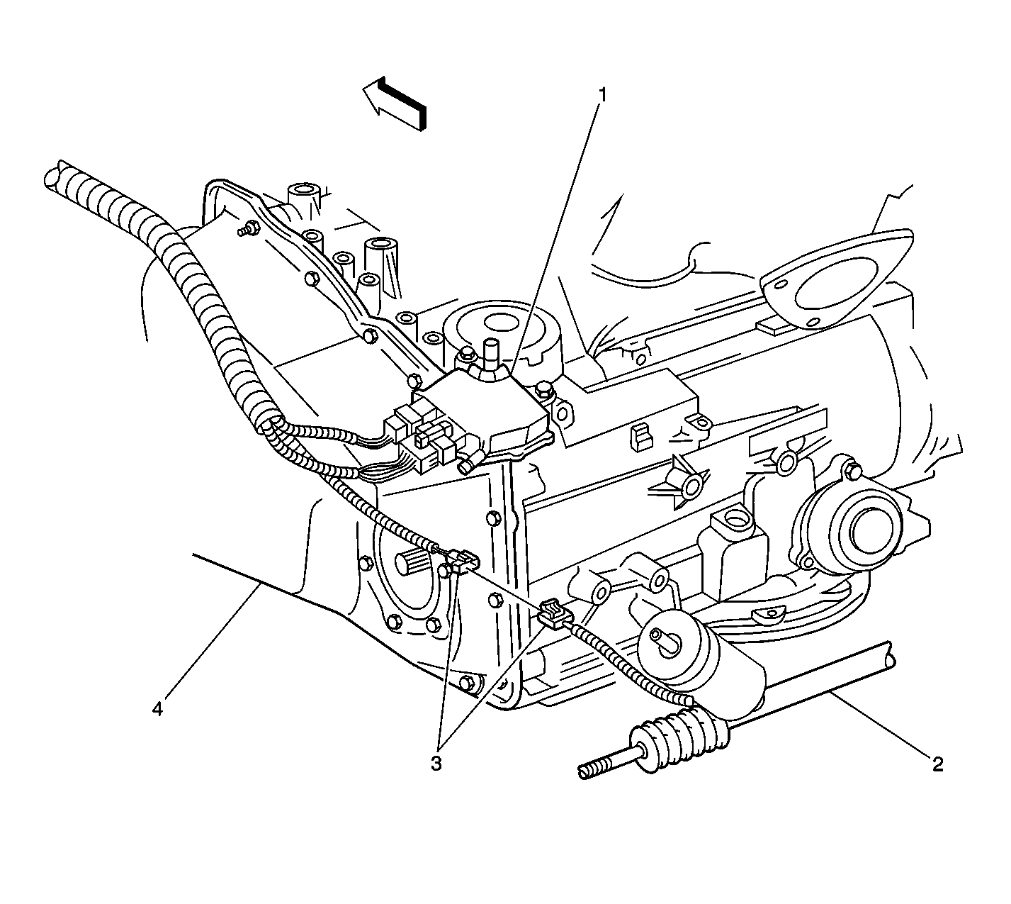
Left Rear Of Engine
(1)
Transaxle Range Switch
(2)
Steering Gear Assembly
(3)
Steering Gear (MSVA Actuator) Connector
(4)
Automatic Transaxle