GM Service Manual Online
For 1990-2009 cars only
Figure 1:

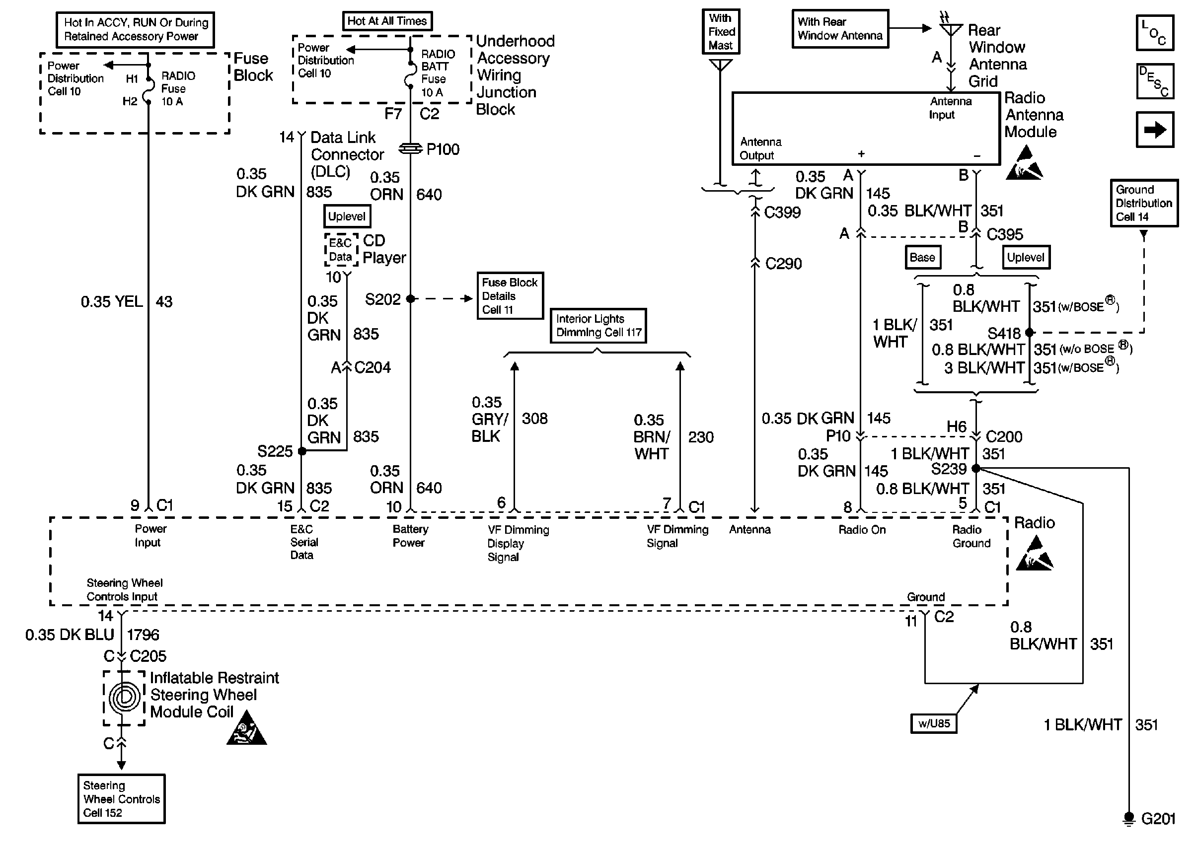
Cell 150: Power/Ground Distribution, VF Dimming, Antenna, Steering Wheel Controls


Object Number: 520730  Size: FS
Entertainment Components
Radio/Audio System Circuit Description
Cell 150: 4 of 5
Cell 14: LH I/P Ground G201
Handling ESD Sensitive Parts Notice
Handling ESD Sensitive Parts Notice
Cell 152
SIR Handling Caution
Cell 11: BTSI, RADIO, SUNROOF, STR WHL CTRL, STR WHL ILUM, WIPER, MALLAND MALL PGM Fuses
Cell 10
Cell 11: RADIO BATT and PARK LP Fuses
Cell 117: Automatic Transaxle Control Position Indicator Bulb, Driver Seat Heater Switch
Figure 2:

Cell 150: Speakers - Base System


Object Number: 520733  Size: FS
Entertainment Components
Radio/Audio System Circuit Description
Cell 150: 5 of 5
Cell 150: 4 of 5
Handling ESD Sensitive Parts Notice
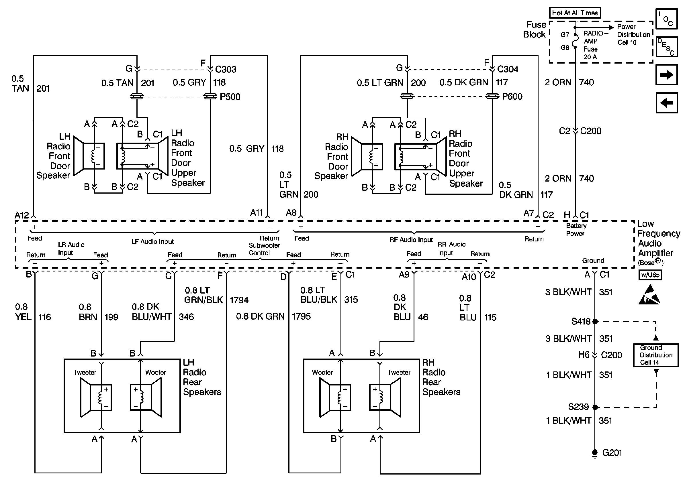
Figure 3:

Cell 150: Speakers - Uplevel System


Object Number: 520751  Size: FS
Entertainment Components
Radio/Audio System Circuit Description
Cell 150: 3 of 5
Cell 150: 2 of 5
Handling ESD Sensitive Parts Notice
Cell 14: LH I/P Ground G201
Cell 11: HVAC HI, PWR MIR, HAZARD, RAP, REAR DEFOG, H SEAT/LUM, PWRLOCK, RADIO Fuses
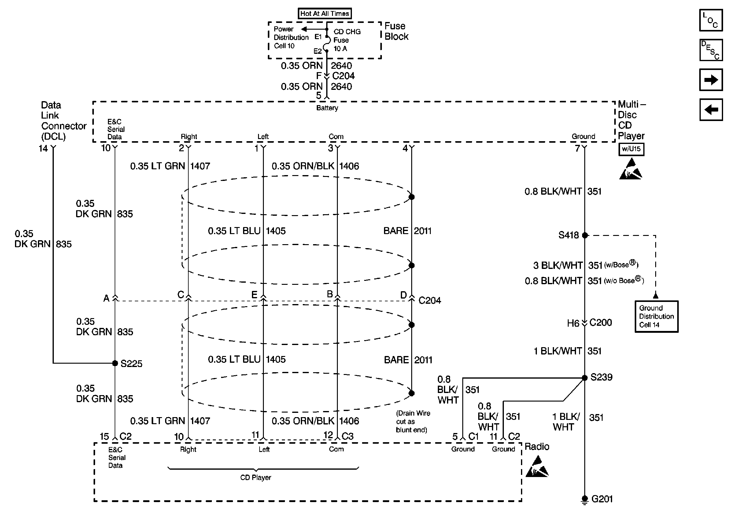
Figure 4:

Cell 150: Multi-Disk CD Player


Object Number: 520753  Size: FS
Entertainment Components
Radio/Audio System Circuit Description
Cell 150: 1 of 5
Cell 150: 3 of 5
Handling ESD Sensitive Parts Notice
Cell 14: LH I/P Ground G201
Handling ESD Sensitive Parts Notice
Cell 11: CD CHNG, AUX CNSL, STOP LAMP, INT LAMP, CIG LTR Fuses
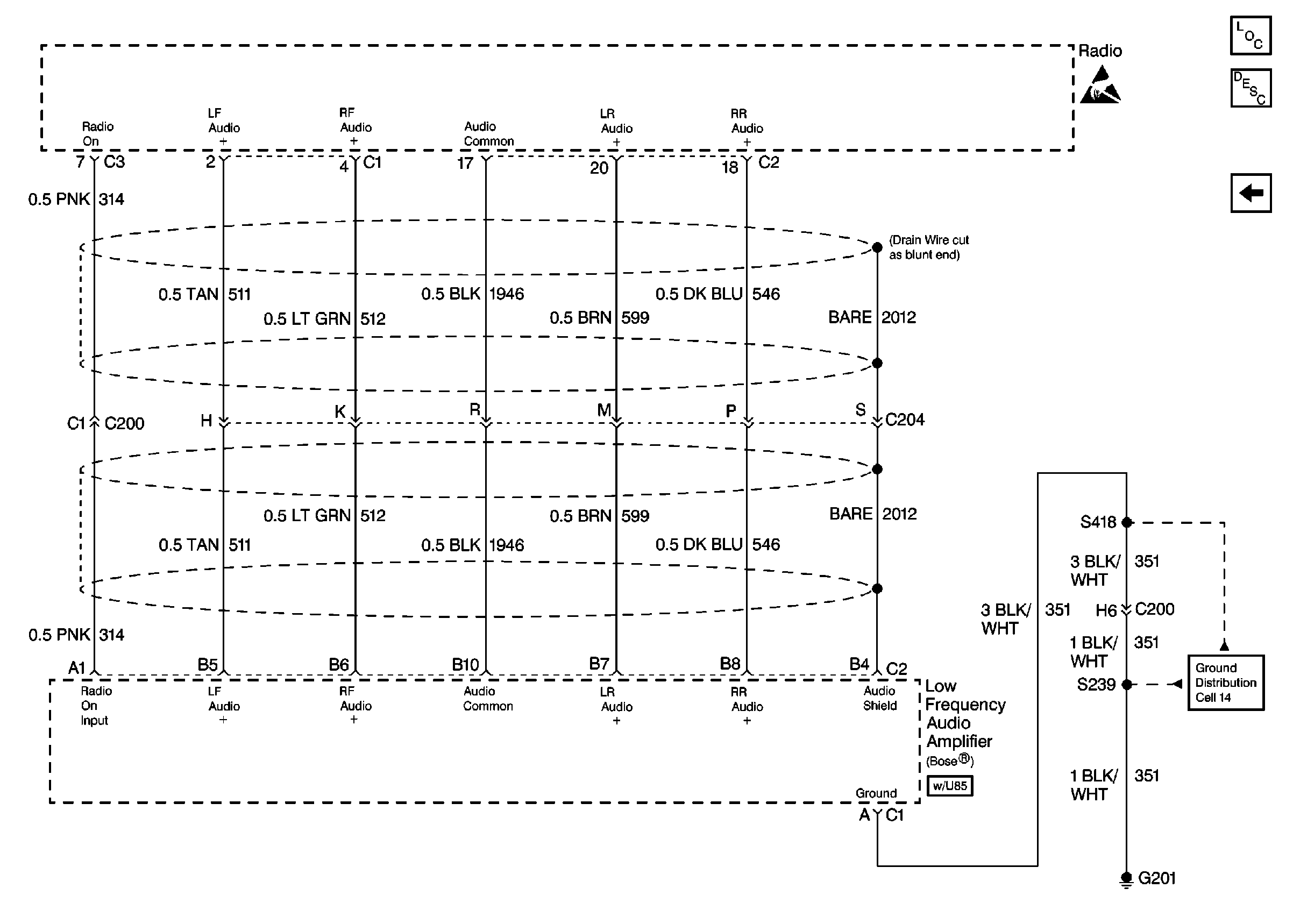
Figure 5:

Cell 150: Audio Amplifier - Uplevel Speaker System


Object Number: 520755  Size: FS
Handling ESD Sensitive Parts Notice
Entertainment Components
Radio/Audio System Circuit Description
Cell 150: 5 of 5
Cell 14: LH I/P Ground G201