GM Service Manual Online
For 1990-2009 cars only

Removal Procedure

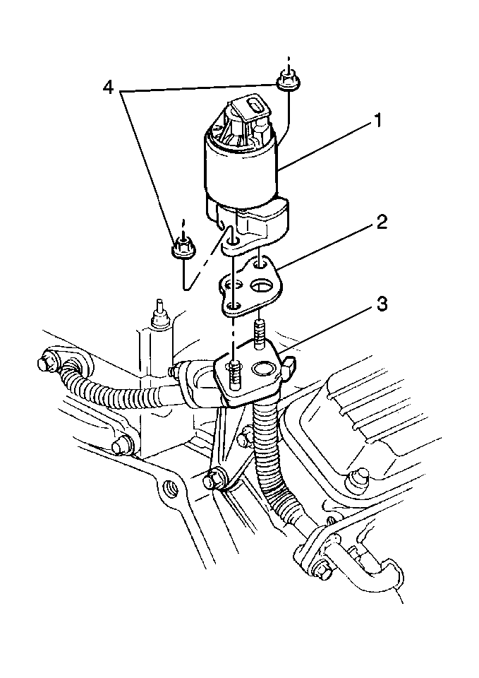
Typical EGR valve shown.


    Object Number: 82084  Size: MH
  1. Disconnect the electrical connector at the EGR valve.
  2. Remove the base to flange nut and bolt and remove the linear EGR valve assembly. It may be necessary to lift the transmission indicator tube off of the EGR valve bolt to gain access to the bolt for removal.

Installation Procedure


    Object Number: 16266  Size: SH
  1. Install the linear EGR valve assembly two nuts.
  2. Notice: Use the correct fastener in the correct location. Replacement fasteners must be the correct part number for that application. Fasteners requiring replacement or fasteners requiring the use of thread locking compound or sealant are identified in the service procedure. Do not use paints, lubricants, or corrosion inhibitors on fasteners or fastener joint surfaces unless specified. These coatings affect fastener torque and joint clamping force and may damage the fastener. Use the correct tightening sequence and specifications when installing fasteners in order to avoid damage to parts and systems.

    Tighten
    Tighten the nuts to 30N·m  (22 lb ft).

  3. Connect the electrical connector.