GM Service Manual Online
For 1990-2009 cars only

Door Lock Striker Adjustment With Mini Wedge

Door Lock Striker Adjustment Procedure

Tools Required

J 39346-A Mini-Wedge Door Striker Aligner

    Important: The door must be properly aligned before adjusting the striker.

  1. Open the door.

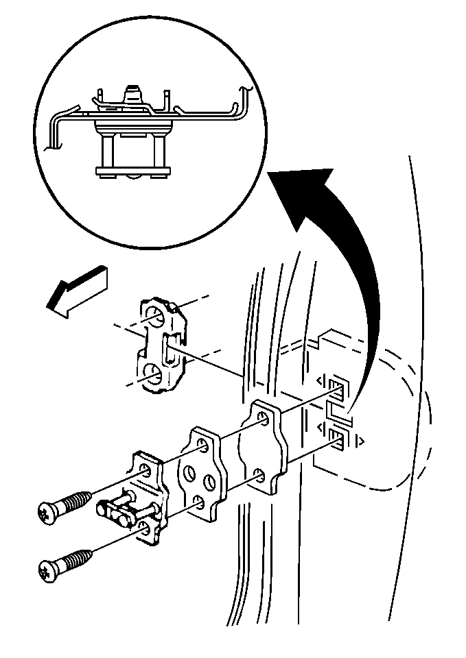
  2. Object Number: 315799  Size: MH
  3. Loosen the door striker screws just enough to allow the movement of the door striker.
  4. Install the special toolJ 39346 Mini-Wedge Door Striker Aligner.
  5. Important:  Do not slam the door.

  6. Close the door while holding outside the handle in the open position.
  7. Open the door.
  8. Notice: Use the correct fastener in the correct location. Replacement fasteners must be the correct part number for that application. Fasteners requiring replacement or fasteners requiring the use of thread locking compound or sealant are identified in the service procedure. Do not use paints, lubricants, or corrosion inhibitors on fasteners or fastener joint surfaces unless specified. These coatings affect fastener torque and joint clamping force and may damage the fastener. Use the correct tightening sequence and specifications when installing fasteners in order to avoid damage to parts and systems.


    Object Number: 315799  Size: MH
  9. Tighten the door striker screws.
  10. Tighten
    Tighten the door striker screws to 25 N·m(18 lb ft).

  11. RemoveJ 39346 Mini-Wedge Door Striker Aligner.
  12. Close the door.

Door Lock Striker Adjustment W/Out Mini Wedge

Door Lock Striker Adjustment Procedure

    Important: The door must be properly aligned before adjusting the striker.

  1. Open the door.

  2. Object Number: 315799  Size: MH
  3. Loosen the door striker screws just enough to allow the movement of the door striker.
  4. Adjust the door striker up or down and inboard or outboard as required.
  5. Apply modeling clay or body caulking compound to the door lock opening.
  6. Important: Do not close the door all the way.

  7. Close the door far enough for the striker to make an impression into the modeling clay or body caulking compound.
  8. Open the door and check the door striker impression in the modeling clay or body caulking compound.
  9. Notice: Use the correct fastener in the correct location. Replacement fasteners must be the correct part number for that application. Fasteners requiring replacement or fasteners requiring the use of thread locking compound or sealant are identified in the service procedure. Do not use paints, lubricants, or corrosion inhibitors on fasteners or fastener joint surfaces unless specified. These coatings affect fastener torque and joint clamping force and may damage the fastener. Use the correct tightening sequence and specifications when installing fasteners in order to avoid damage to parts and systems.


    Object Number: 315799  Size: MH
  10. Readjust door striker as required.
  11. Add or remove spacers as required.

    Tighten
    Tighten the door striker screws to 25 N·m(18 lb ft).

  12. Close the door.