GM Service Manual Online
For 1990-2009 cars only
Makes
🢒
Pontiac
🢒
1998
🢒
Grand Prix
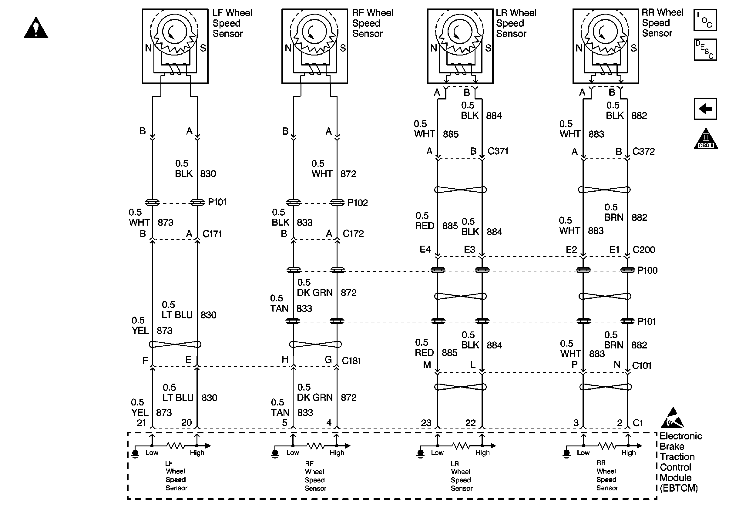
🢒 Wheel Speed Sensors, EBTCM
Wheel Speed Sensors, EBTCM
Wheel Speed Sensors, EBTCM
ABS Components
ABS/TCS System Description
Power, Ground, Stoplamp Switch, Trip Calculator, TCS
Handling ESD Sensitive Parts Notice