GM Service Manual Online
For 1990-2009 cars only
Makes
🢒
Pontiac
🢒
1998
🢒
Grand Prix
🢒 Cell 131: PWR Lock Fuse 15A
Cell 131: PWR Lock Fuse 15A
Cell 131: PWR Lock Fuse 15A
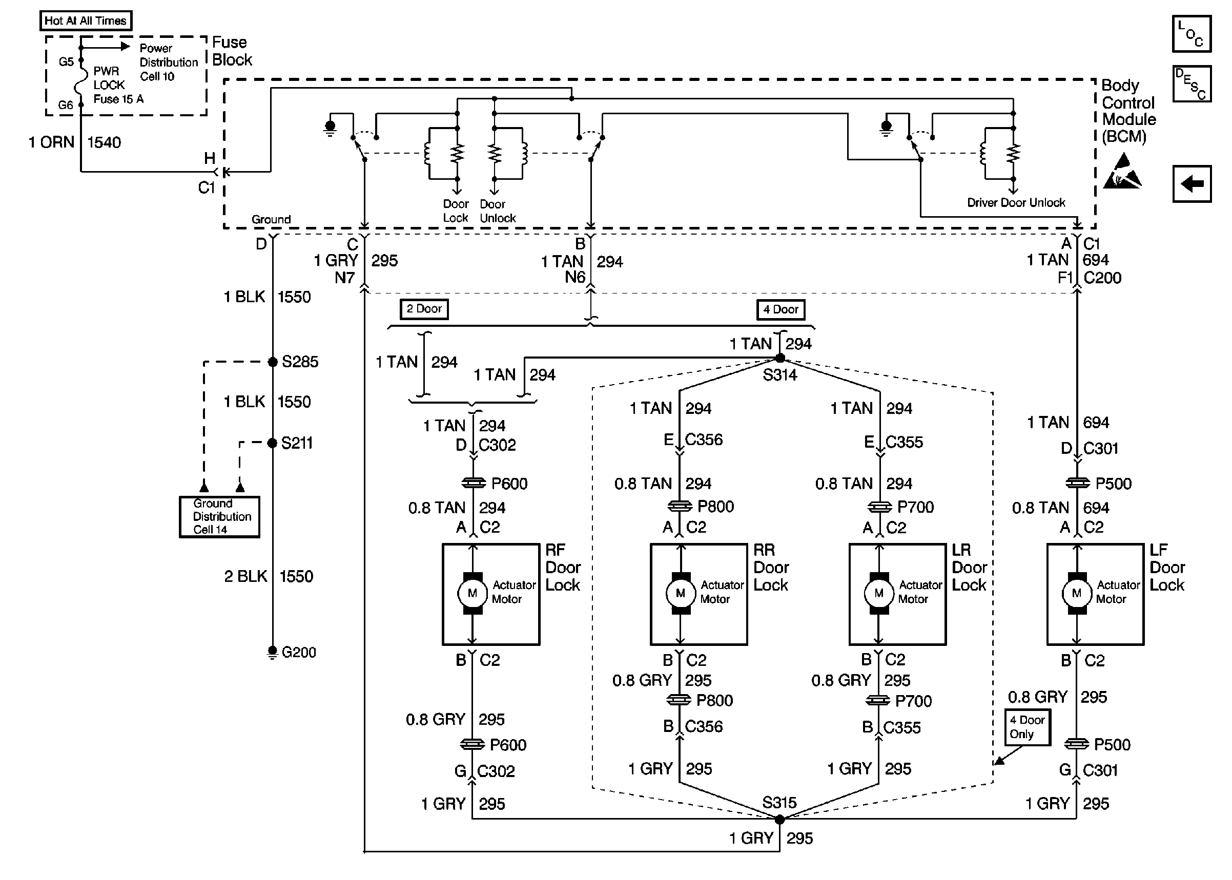
Power Door Systems Components
Cell 131: B/U Lamp, Pwr Dist, I/P IGN Fuses
Power Distribution Schematics
Handling ESD Sensitive Parts Notice
Ground Distribution Schematics