GM Service Manual Online
For 1990-2009 cars only
Makes
🢒
Pontiac
🢒
1998
🢒
Grand Prix
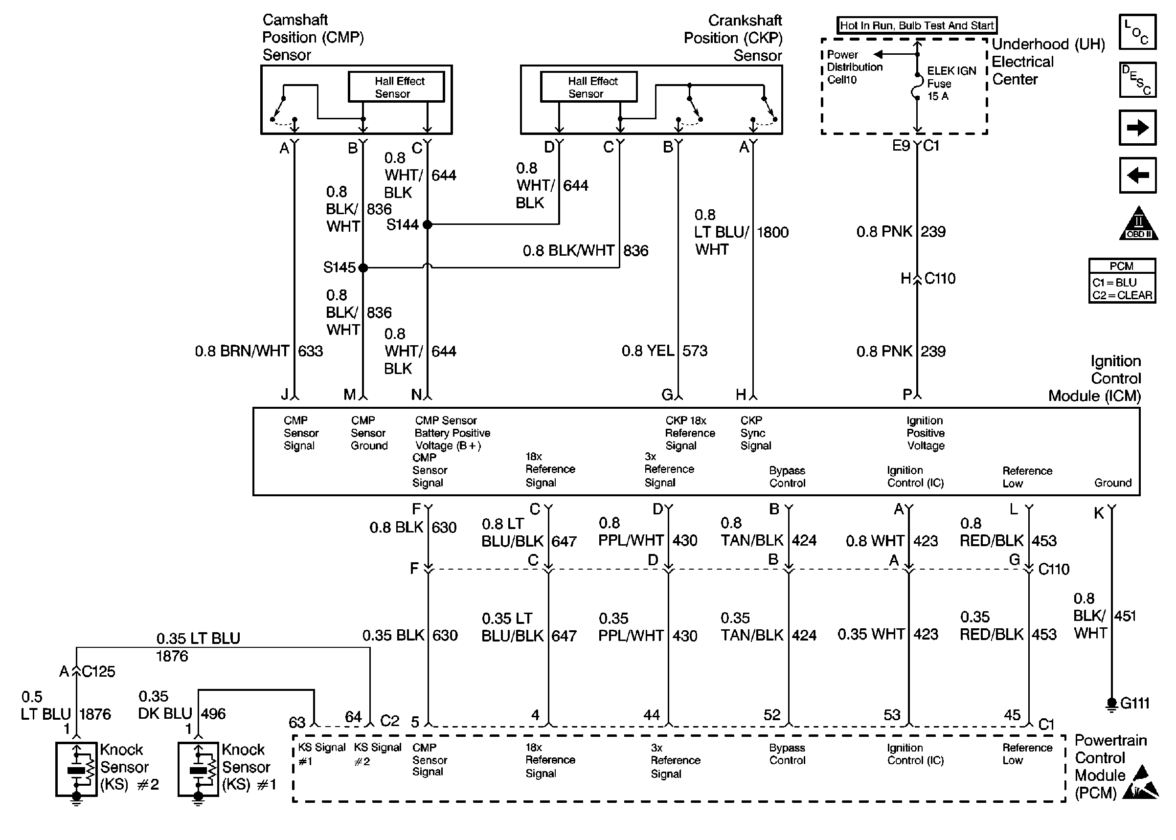
🢒 Ignition System, Knock Sensors
Ignition System, Knock Sensors
Ignition System, Knock Sensors
Engine Controls Components Component Locations
Information Sensors
Fuel Control (VIN K)
Power, Ground, MIL, DLC
OBD II Symbol Description Notice
Handling ESD Sensitive Parts Notice