GM Service Manual Online
For 1990-2009 cars only
Makes
🢒
Pontiac
🢒
1998
🢒
Grand Prix
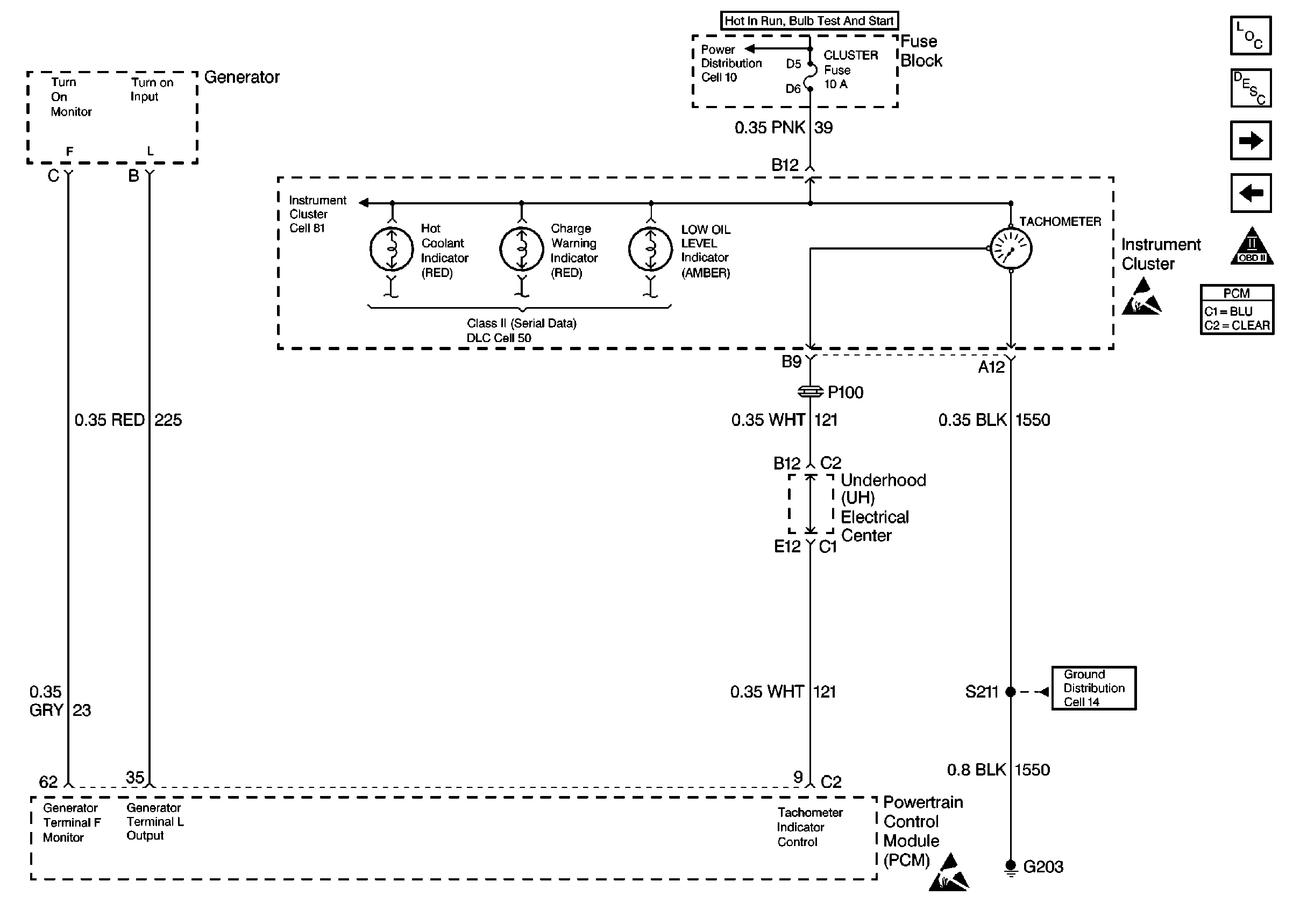
🢒 Indicator Lamps
Indicator Lamps
Indicator Lamps
Engine Controls Components Component Locations
Information Sensors
Engine Data Sensors-A/C Refrig Press, TP, MAP, ECT, IAT
Fuel Injectors
OBD II Symbol Description Notice
Handling ESD Sensitive Parts Notice
Handling ESD Sensitive Parts Notice