GM Service Manual Online
For 1990-2009 cars only

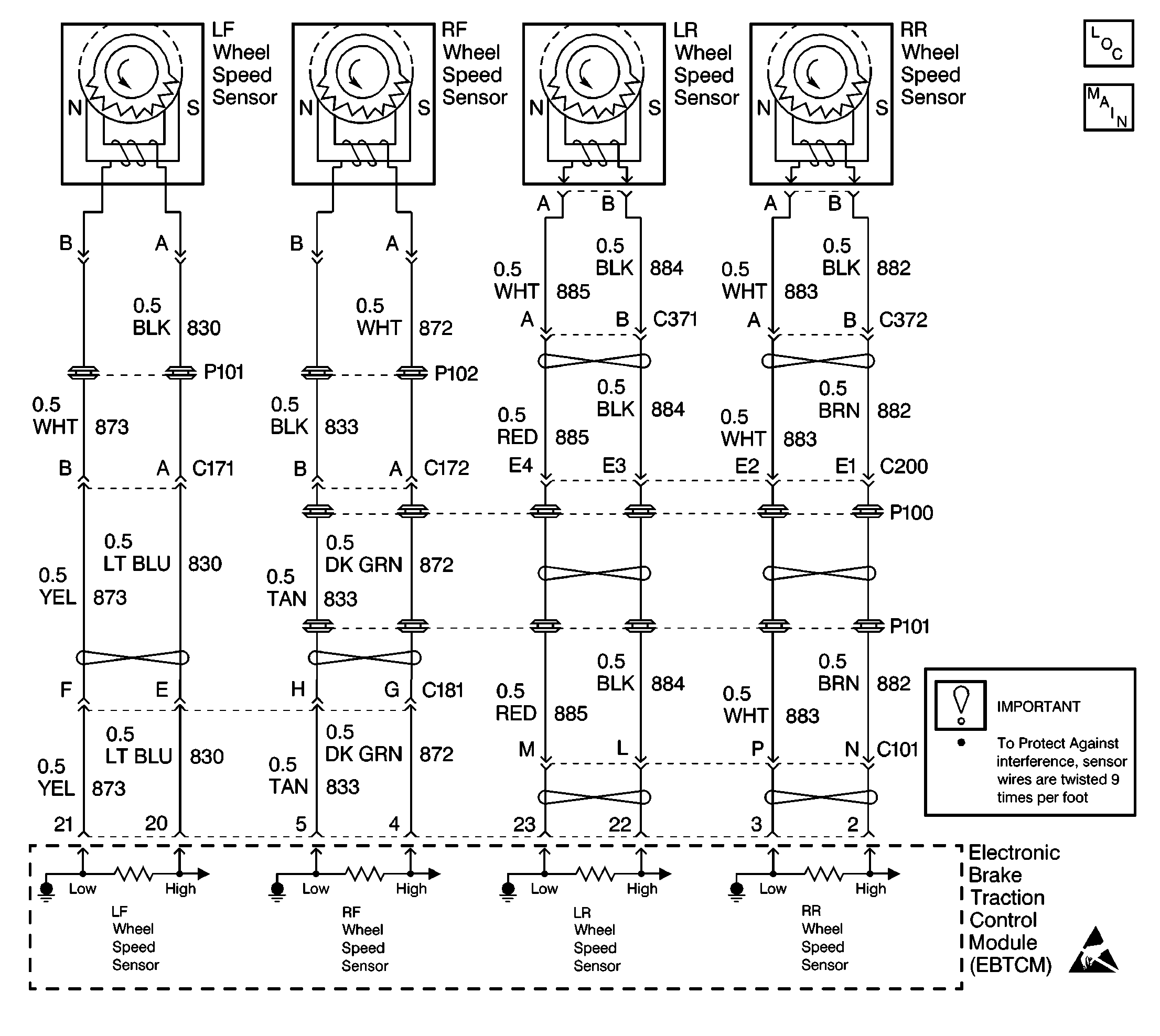
Object Number: 230362  Size: LF
ABS Components
ABS/TCS Schematics

Circuit Description

The speed sensor used on this vehicle is a multiple pole magnetic pickup. This sensor produces an AC signal that the EBTCM uses the frequency from to calculate the wheel speed.

Conditions for Setting the DTC

    • The EBTCM detects a deviation between the left and right rear wheel speeds of greater than 6km/h (3.75 mph) at a vehicle speed of less than 100Km/h (62 mph).
    • The EBTCM detects a deviation between the left and right front wheel speeds of greater than 10Km/h (6.25 mph) at a vehicle speed of less than 100Km/h (62 mph).
    • The EBTCM detects a deviation between the left and right rear wheel speeds of greater than 6 % of the vehicle speed at greater than 100 km/h (62 mph).
    • The EBTCM detects a deviation between the left and right front wheel speeds of greater than 4 km/h (2.5 mph) plus 6 % of the vehicle speed at greater than 100 km/h (62 mph).

This DTC will set when the EBTCM cannot specifically identify which wheel speed sensor is causing the malfunction. If the EBTCM can identify a specific wheel speed sensor causing the malfunction, the DTC associated with the sensor (DTC C0036, DTC C0041, DTC C0046, or DTC C0051) will be set.

Action Taken When the DTC Sets

    • A malfunction DTC stores.
    • The ABS/TCS disables.
    • The amber ABS/TCS indicator(s) turn on.

Conditions for Clearing the DTC

    • The condition responsible for setting the DTC no longer exists and the scan tool Clear DTCs function is used.
    • 100 ignition cycles pass with no DTC(s) detected.

Diagnostic Aids

    • It is very important that a thorough inspection of the wiring and connectors be performed. Failure to carefully and fully inspect wiring and connectors may result in misdiagnosis, causing part replacement with reappearance of the malfunction.
    • Thoroughly inspect any circuitry that may be causing the complaint for the following conditions:
       - Backed out terminals
       - Improper mating
       - Broken locks
       - Improperly formed or damaged terminals
       - Poor terminal-to-wiring connections
       - Physical damage to the wiring harness
    • The following conditions may cause an intermittent malfunction:
       - A poor connection
       - Rubbed-through wire insulation
       - A broken wire inside the insulation
    • If the customer's comments reflect that the amber ABS/TCS indicator is on only during moist environmental conditions (rain, snow, vehicle wash), inspect all the wheel speed sensor circuitry for signs of water intrusion. If the DTC is not current, clear all DTCs and simulate the effects of water intrusion by using the following procedure:
        1. Spray the suspected area with a five percent saltwater solution.

Add two teaspoons of salt to twelve ounces of water to make a five percent saltwater solution.

        2. Test drive the vehicle over various road surfaces (bumps, turns, etc.) above 40 km/h (25 mph) for at least 30 seconds.
        3. If the DTC returns, replace the suspected harness.
    • If an intermittent malfunction exists refer to Intermittents and Poor Connections Diagnosis in Wiring Systems for further diagnosis.

Test Description

The numbers below refer to step numbers on the diagnostic table.

  1. If DTC C0245 is a history code, this step checks if a specific Wheel Speed Circuit Range/Performance DTC is set concurrently with DTC C0245.

  2. This step checks if the wheel speed sensor harness is routed in close proximity to the spark plug wires.

  3. In this step, if the scan tool can record any erroneous wheel speed sensor signals, diagnose that sensor(s) first.

DTC C0245 Wheel Speed Sensor Frequency Error

Step

Action

Value(s)

Yes

No

1

Was the Diagnostic System Check performed?

--

Go to Step 2

Go to Diagnostic System Check

2

Is the following DTC(s) set concurrently with a history DTC C0245?

    • DTC C0036
    • DTC C0041
    • DTC C0046
    • DTC C0051

--

Go to Diagnostic Trouble Code (DTC) List for the Appropriate DTC Table

Go to Step 3

3

Inspect all of the WSS for physical damage.

Is physical damage of any WSS evident?

--

Go to Step 4

Go to Step 5

4

Replace the WSS. Refer to Wheel Speed Sensor Replacement .

Is the replacement complete?

--

Go to Step 14

--

5

Inspect all of the jumper harnesses for physical damage.

Is physical damage of any jumper harness evident?

--

Go to Step 6

Go to Step 7

6

Replace the jumper harness. Refer to Wheel Speed Sensor Jumper Harness Replacement .

Is the replacement complete?

--

Go to Step 14

--

7

Check that the wheel speed sensor harnesses are properly routed away from the spark plug wires.

Are the wheel speed sensor harnesses properly routed?

--

Go to Step 9

Go to Step 8

8

Reroute the wheel speed sensor harness away from the spark plug wires. Refer to Electromagnetic Interference .

Is the repair complete?

--

Go to Step 14

--

9

  1. Install a scan tool.
  2. Turn the ignition switch to the RUN position.
  3. Set the scan tool to Snap Shot Auto Trigger mode and monitor the wheel speed sensors.
  4. Carefully drive the vehicle above 12 Km/h (8 mph) for several minutes.

Did the scan tool trigger on any of the wheel speed sensors?

--

Go to Step 10

Go to Step 11

10

Note which wheel speed sensor triggered the scan tool. Follow the appropriate Wheel Speed Sensor Range/Performance DTC table for the wheel speed sensor that triggered. Refer to Diagnostic Trouble Code (DTC) List

Is the repair complete?

--

Go to Diagnostic System Check

--

11

  1. Reconnect all previously disconnected components.
  2. Using a scan tool, clear the DTC.
  3. Remove the scan tool from the DLC.
  4. Carefully drive the vehicle above 12 Km/h (8 mph) for several minutes.

Does the DTC reset as a current DTC?

--

Go to Step 13

Go to Step 12

12

Malfunction is intermittent. Inspect all connectors and harnesses for damage that may result in an open or high resistance when connected. Refer to Wiring Repairs in Wiring Systems.

Is the repair complete?

--

Go to Diagnostic System Check

--

13

Replace the EBTCM. Refer to Electronic Brake and Traction Control Module Replacement .

Is the replacement complete?

--

Go to Diagnostic System Check

--

14

  1. Reconnect all previously disconnected components.
  2. Using a scan tool clear the DTC.
  3. Remove the scan tool from the DLC.
  4. Carefully drive the vehicle above 12 Km/h (8 mph) for several minutes.

Does the DTC reset as a current DTC?

--

Go to Step 2

Go to Diagnostic System Check