GM Service Manual Online
For 1990-2009 cars only

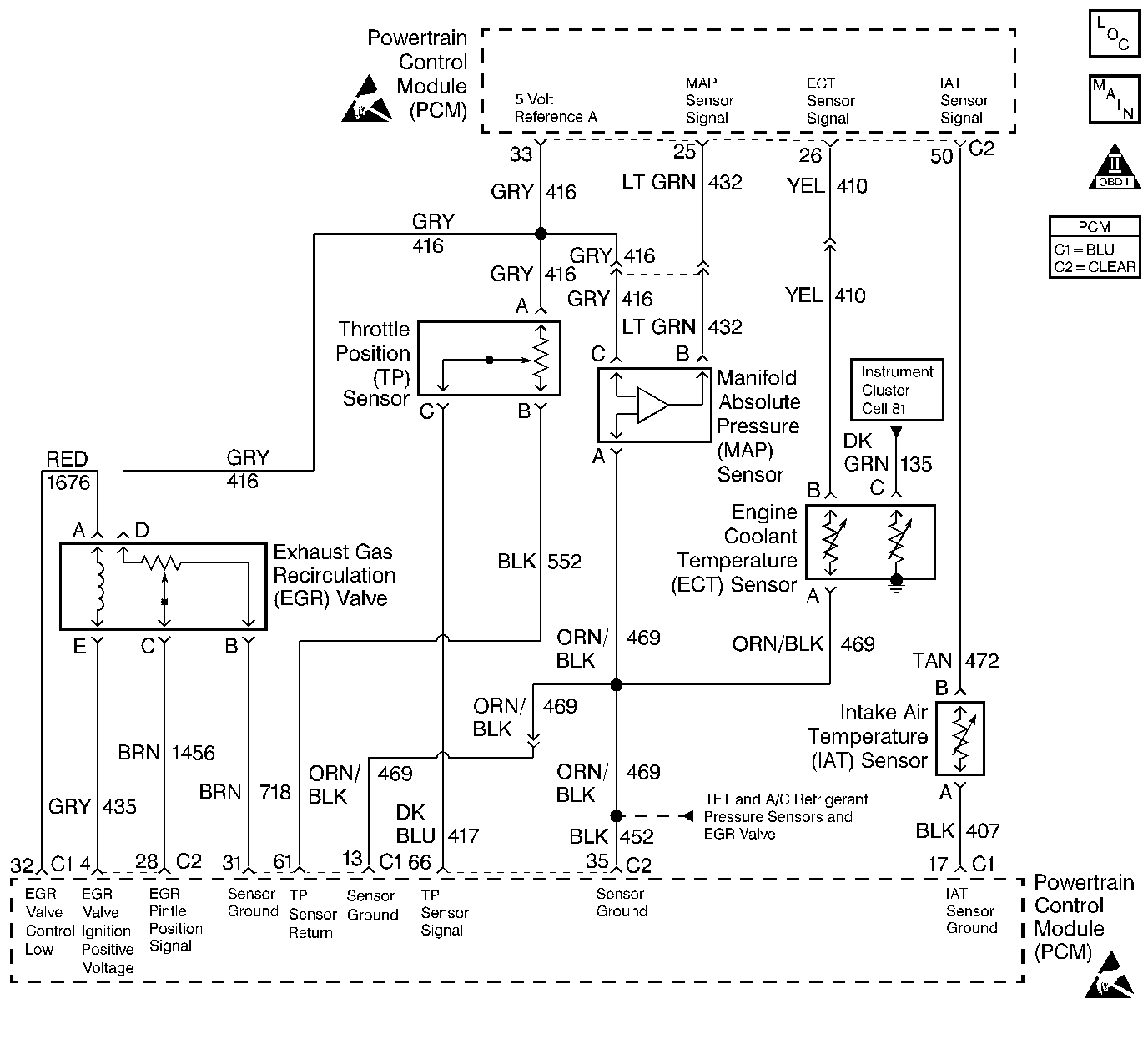
Object Number: 240248  Size: LF
Engine Controls Components
Input Sensors
OBD II Symbol Description Notice
Handling ESD Sensitive Parts Notice
Handling ESD Sensitive Parts Notice

Circuit Description

The PCM uses the 5 Volt Reference A circuit as a sensor feed to the following sensors:

    •  The TP sensor.
    •  The MAP sensor.
    •  The EGR Valve Pintle Position sensor.
    •  A/C Pressure sensor.

The PCM monitors the voltage on the 5 Volt Reference A circuit. If the voltage is out of tolerance, the PCM will set DTC P1635.

Conditions for Setting the DTC

    •  The PCM detects a voltage out of tolerance condition on the 5 Volt Reference A circuit.
    •  Above condition for longer than 10 seconds.

Action Taken When the DTC Sets

    • The PCM will illuminate the malfunction indicator lamp (MIL) during the second consecutive trip in which the diagnostic test has been run and failed.
    • The PCM will store conditions which were present when the DTC set as Freeze Frame and Failure Records data.

Conditions for Clearing the MIL/DTC

    • The PCM will turn OFF the MIL during the third consecutive trip in which the diagnostic has been run and passed.
    • The History DTC will clear after 40 consecutive warm-up cycles have occurred without a malfunction.
    • The DTC can be cleared by using the scan tool.

Diagnostic Aids

Check for the following conditions:

        Important :  Be sure to inspect PCM and engine grounds for being secure and clean.

    •  Poor connection at PCM. Inspect harness connectors for backed out terminals, improper mating, broken locks, improperly formed or damaged terminals, and poor terminal to wire connection.
    •  Damaged harness. Inspect the wiring harness for damage. If the harness appears to be OK, observe the MAP display on the scan tool with the ignition on engine off while moving connectors and wiring harnesses related to the following sensors:
       -  The MAP sensor.
       -  The EGR valve.
       -  A/C Pressure sensor.

A change in the MAP display will indicate the location of the fault.

Reviewing the Fail Records vehicle mileage since the diagnostic test last failed may help determine how often the condition that caused the DTC to be set occurs. This may assist in diagnosing the condition.

Test Description

Number(s) below refer to the step number(s) on the Diagnostic Table:

  1. A faulty EGR Valve can leak a small amount of current from the ignition feed circuit to the 5 Volt Reference A circuit. If the problem does not exist with the EGR valve disconnected, replace the EGR valve.

  2. This vehicle is equipped with a PCM which utilizes an Electrically Erasable Programmable Read Only Memory (EEPROM). When the PCM is being replaced, the new PCM must be programmed. Refer to Powertrain Control Module Replacement/Programming .

Step

Action

Value(s)

Yes

No

1

Was the Powertrain OBD System Check?

--

Go to Step 2

Go to Powertrain On Board Diagnostic (OBD) System Check

2

Visually/physically check the PCM and engine grounds. Ensure that the grounds are clean and secure.

If a problem is found, repair as necessary. Refer to Wiring Repairs in Wiring Systems.

Was a problem found?

--

Go to Step 12

Go to Step 3

3

Select DTC info, Last Test Fail and note any other DTCs set.

Is DTC, P0107, P0108, P0122, P0123, P0530, P1106, P1107, P1121, P1122, and/or P1406 also set?

--

Go to Applicapable DTC(s)

Go to Step 4

4

  1. Ignition off, disconnect the PCM.
  2. Ignition on, measure voltage between the 5 Volt Reference A circuit and the PCM ground circuit at the PCM harness connector.

Is voltage greater than the specified value indicated?

5.5 V

Go to Step 5

Go to Step 9

5

Monitor DMM connected between the 5 volt reference A circuit and the PCM ground circuit while disconnecting the EGR valve.

Is voltage greater than the specified value still indicated with the EGR valve disconnected?

5.5 V

Go to Step 6

Go to Step 8

6

  1. Monitor DMM connected between the 5 Volt Reference A circuit and the PCM ground circuit while disconnecting the following sensors one at a time:
  2. •  TP sensor.
    •  MAP sensor.
    •  EGR Valve.
    •  Fuel Tank Pressure Sensor.
  3. If voltage changes when one of the above components is disconnected, locate and repair short to voltage in the affected sensor signal circuit. Refer to Wiring Repairs in Wiring Systems.

Was a problem found?

--

Go to Step 12

Go to Step 7

7

  1. Turn the ignition off.
  2. Disconnect the PCM.
  3. Turn the ignition on, check the 5 Volt Reference A circuit for a short to voltage.
  4. If a problem is found, repair as necessary. Refer to Wiring Repairs in Wiring Systems.

Was a problem found?

--

Go to Step 12

Go to Step 11

8

Replace the EGR valve. Refer to Exhaust Gas Recirculation Valve Replacement .

Is the action complete?

--

Go to Step 12

--

9

Is voltage less than the specified value indicated?

4.5 V

Go to Step 10

Go to Step 11

10

  1. Turn the ignition off.
  2. Disconnect the PCM.
  3. Check the 5 Volt Reference A circuit for a short to ground.
  4. If a problem is found, repair as necessary. Refer to Wiring Repairs in Wiring Systems.

Was a problem found?

--

Go to Step 12

Go to Step 11

11

  1. Important:
  2. Replacement PCM must be programmed.
  3. Replace the PCM. Refer to Powertrain Control Module Replacement/Programming .

Is the action complete?

--

Go to Step 12

--

12

Review and record scan tool Fail Records data.

Clear the DTC(s).

  1. Operate vehicle within Fail Records conditions as noted.
  2. Using a scan tool, monitor SPECIFIC DTC info for DTC P1635 until the DTC P1635 test runs.
  3. Note the test result.

Does scan tool indicate DTC P1635 failed this ignition?

--

Go to Step 2

Repair complete