GM Service Manual Online
For 1990-2009 cars only

DTC P1573 Lost Communications with Brake/Traction Control (EBTCM) System Pontiac

Circuit Description

The PCM uses the UART serial data line (CKT 800) to communicate with various other components and systems within the vehicle. If the PCM does not receive data from the Electronic Brake Control Module/Electronic Brake and Traction Control Module (EBCM/EBTCM), the PCM will store DTC P1573 indicating loss of communications with the ABS or ABS/TCS system.

Conditions for Running the DTC

The ignition switch is ON.

Conditions for Setting the DTC

The PCM has detected a PCM - EBCM/EBTCM communication error for 0.5 second.

Action Taken When the DTC Sets

    • The PCM will not illuminate the Malfunction Indicator Lamp (MIL).
    • The PCM will store conditions which were present when the DTC set as Fail Records data only. This information will not be stored as Freeze Frame data.

Conditions for Clearing the MIL/DTC

    • A history DTC will clear after 40 consecutive warm-up cycles have occurred without a malfunction.
    • The DTC can be cleared by using the scan tool Clear Info function or by disconnecting the PCM battery feed.

Diagnostic Aids

An intermittent may be caused by a poor connection, rubbed through wire insulation, or a wire broken inside the insulation. Check for the following conditions:

    • Poor connection or damaged harness.
        Inspect the vehicle wiring harness for an open or short to ground in the serial data circuit, improper mating, broken locks, improperly formed or damaged terminals, poor terminal to wire connection, and damaged harness.
    • Intermittent test.
        Observe ABS data on the scan tool while moving harness and related connectors. Refer to

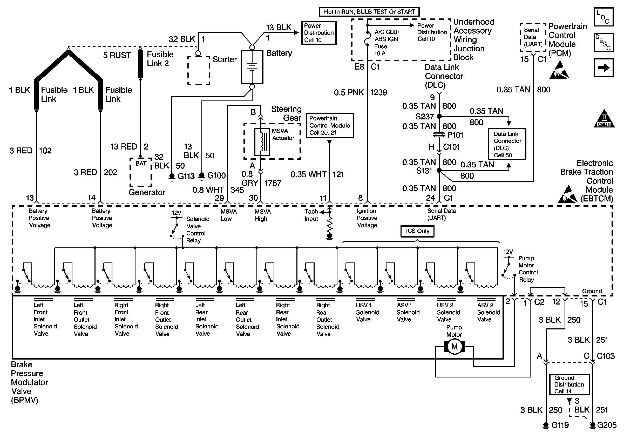
Power, Grounds, EBTCM


Object Number: 240916  Size: FS
ABS Components
ABS/TCS System Description
Power, Ground, Driver Information Display, Instrument Cluster
OBD II Symbol Description Notice
Handling ESD Sensitive Parts Notice
Handling ESD Sensitive Parts Notice
in Antilock Brake System for a complete mechanization of the serial data circuit and devices using the serial data line. If the failure is induced, the scan tool data will stop updating. This may help to isolate the location of the malfunction.
    • If the above items have been checked and no problem is found but DTC P1573 continues to set, replace the PCM. Refer to Powertrain Control Module Replacement/Programming .

Reviewing the Fail Records vehicle mileage after the diagnostic test last failed may help determine how often the condition that caused the DTC to be set occurs. This may assist in diagnosing the condition.

Test Description

Number(s) below refer to the step number(s) on the Diagnostic Table.

  1. Checks to see if the Electronic Brake and Traction Control Module (EBTCM) is able to transmit data and ensures that CKT 800 to the EBTCM is not open.

DTC P1573 - PCM/EBTCM Serial Data Circuit

Step

Action

Value(s)

Yes

No

1

Was the Powertrain On-Board Diagnostic (OBD) System Check performed?

--

Go to Step 2

Go to the Powertrain On Board Diagnostic (OBD) System Check

2

Attempt to select ABS data with the scan tool.

Can ABS data be displayed?

--

Go to Step 3

Go to Step 4

3

  1. Turn OFF the ignition switch.
  2. Disconnect the PCM and the EBTCM.
  3. Check the UART serial data circuit for an open between the EBTCM and the PCM.
  4. If a problem is found, repair as necessary. Refer to Wiring Repairs in Wiring Systems.

Was a problem found?

--

Go to Step 8

Go to Step 5

4

  1. Turn OFF the ignition switch.
  2. Disconnect the EBTCM.
  3. Turn ON the ignition switch.
  4. Using a digital multimeter, measure voltage between the serial data circuit at the EBTCM harness connector and ground.

Does voltage constantly vary between the specified values?

0-5V

Go to Step 6

Go to Diagnostic System Check in Antilock Brake System

5

  1. Check the UART serial data circuit for a poor connection at the PCM.
  2. If a problem is found, repair as necessary. Refer to Wiring Repairs in Wiring Systems.

Was a problem found?

--

Go to Step 8

Refer to Diagnostic Aids

6

  1. Check the UART serial data circuit for a poor connection at the EBTCM
  2. If a problem is found, repair as necessary. Refer to Wiring Repairs in Wiring Systems.

Was a problem found?

--

Go to Step 8

Go to Step 7

7

Replace the EBTCM. Refer to Electronic Brake and Traction Control Module Replacement in Antilock Brake System.

Is Action complete?

--

Go to Step 8

--

8

  1. Review and record scan tool Fail Records data.
  2. Clear DTCs.
  3. Operate the vehicle within Fail Records conditions.
  4. Using a scan tool, monitor Specific DTC info for DTC P1573

Does the scan tool indicate DTC P1573 failed?

--

Go to Step 2

System OK