GM Service Manual Online
For 1990-2009 cars only

Object Number: 240242  Size: MF
Fuel Pump Controls - RPO L36
OBD II Symbol Description Notice
Handling ESD Sensitive Parts Notice
Handling ESD Sensitive Parts Notice
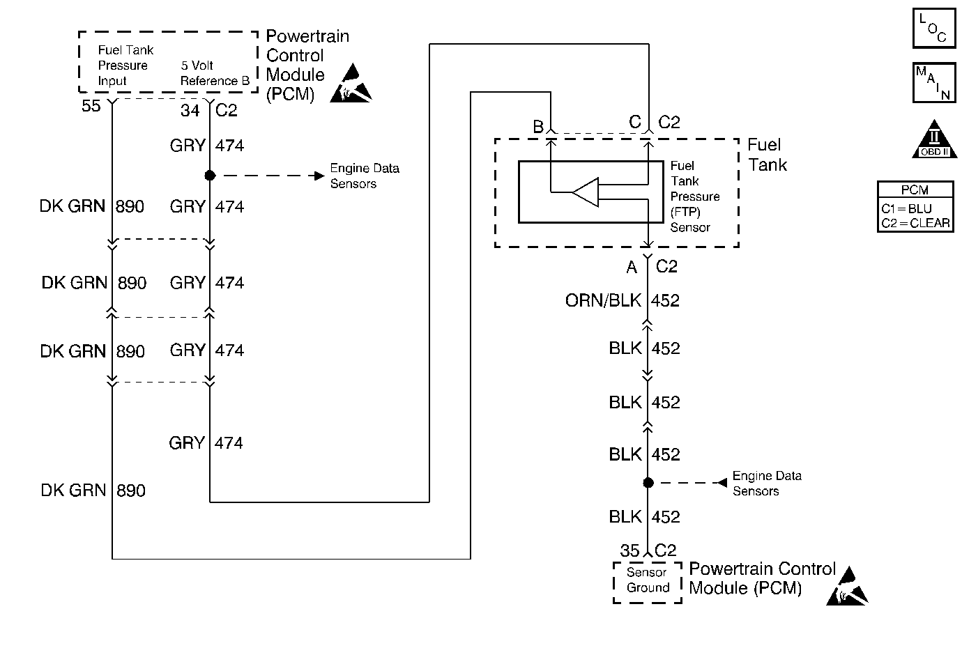
Engine Controls Component Views

Circuit Description

The PCM monitors the fuel tank pressure sensor signal to detect vacuum decay and excess vacuum during the enhanced EVAP diagnostic. The fuel tank pressure sensor measures the difference between the air pressure (or vacuum) in the tank and the outside air pressure. The PCM applies a 5.0 volt reference and ground to the sensor. The sensor will return a signal voltage between 0.1 and 4.9 volts. If the PCM detects a fuel tank pressure sensor signal that is excessively high, DTC P0453 will set.

Conditions for Running the DTC

The ignition is ON.

Conditions for Setting the DTC

    • The fuel tank pressure sensor signal is greater than 4.8 volts.
    • The conditions is present for 5 seconds.

Action Taken When the DTC Sets

    • The PCM will illuminate the MIL during the second consecutive trip in which the diagnostic test has been run and failed.
    • The PCM will store conditions which were present when the DTC set as Freeze Frame and Fail Records data.

Conditions for Clearing the MIL/DTC

    • The PCM will turn the MIL OFF during the third consecutive trip in which the diagnostic has been run and passed.
    • The history DTC will clear after 40 consecutive warm-up cycles have occurred without a malfunction.
    • The DTC can be cleared by using the scan tool Clear Info function or by disconnecting the PCM battery feed.

Diagnostic Aids

Check for the following condition(s):

    • Poor connection at the PCM or Fuel Tank Pressure Sensor.
        Inspect harness connectors for backed out terminals, improper mating broken locks, improperly formed or damaged terminals, and poor terminal to wire conneciton.
    • Damaged harness.
        Inspec the wiring harness for damage. If the harness appears to be OK, observe the Fuel Tank Pressure Sensor display on the scan tool while moving connectors and wiring related to the sensor. A change in the display will indicate the location of the malfunction.

Test Description

Number(s) below refer to the step number(s) on the Diagnostic Table.

  1. This vehicle is equipped with a PCM which utilizes an Electrically Erasable Programmable Read Only Memory (EEPROM). When the PCM is being replaced, the new PCM must be programmed.

DTC P0453 Fuel Tank Pressure Sensor Circuit High Voltage

Step

Action

Value(s)

Yes

No

1

Was the Powertrain On-Board Diagnostic (OBD) System Check performed?

--

Go to Step 2

Go to the Powertrain On Board Diagnostic (OBD) System Check

2

  1. Turn ON the ignition switch, engine not running.
  2. Observe fuel tank pressure sensor voltage on the scan tool.

Is fuel tank pressure sensor voltage greater than the specified value?

4.7V

Go to Step 4

Go to Step 3

3

  1. Operate the vehicle within the conditions described in Conditions for Setting the DTC.
  2. Monitor specific DTC info for DTC P0453.

Does the scan tool indicate DTC P0453 failed this ign?

--

Go to Step 4

Refer to Diagnostic Aids

4

  1. Disconnect the fuel tank pressure sensor.
  2. Observe the fuel tank pressure sensor voltage displayed on the scan tool.

Is fuel tank pressure sensor voltage near the specified value?

0V

Go to Step 6

Go to Step 5

5

  1. Turn OFF the ignition switch.
  2. Disconnect the PCM.
  3. Turn ON the ignition switch.
  4. Check the fuel tank pressure signal circuit for a short to voltage or a short to the 5 volt reference A circuit.
  5. If a problem is found, repair as necessary. Refer to Wiring Repairs in Wiring Systems.

Was a problem found?

--

Go to Step 11

Go to Step 10

6

  1. Turn OFF the ignition switch.
  2. Disconnect the PCM.
  3. Check the fuel tank pressure sensor ground circuit for a poor terminal connection at the PCM.
  4. If a problem is found, repair as necessary. Refer to Connector Repairs in Wiring Systems.

Was a problem found?

--

Go to Step 11

Go to Step 7

7

  1. Check for an open in the fuel tank pressure sensor ground circuit.
  2. If a problem is found, repair as necessary. Refer to Wiring Repairs in Wiring Systems.

Was a problem found?

--

Go to Step 11

Go to Step 8

8

  1. Check for poor terminal connections at the fuel tank pressure sensor connector.
  2. If a problem is found, repair as necessary. Refer to Connector Repairs in Wiring Systems.

Was a problem found?

--

Go to Step 11

Go to Step 9

9

Replace the fuel tank pressure sensor. Refer to Fuel Tank Pressure Sensor Replacement .

Is action complete?

--

Go to Step 11

--

10

Replace the PCM.

Important:: The replacement PCM must be programmed. Refer to Powertrain Control Module Replacement/Programming .

Is action complete?

--

Go to Step 11

--

11

  1. Review and record scan tool Fail Records data.
  2. Clear DTCs.
  3. Operate the vehicle within fail records conditions.
  4. Monitor specific DTC info for DTC P0453.

Does the scan tool indicate DTC P0453 failed this ign?

--

Go to Step 2

System OK