GM Service Manual Online
For 1990-2009 cars only
Makes
🢒
Pontiac
🢒
1999
🢒
Grand Prix
🢒
Body and Accessories
🢒
Wiring Systems
🢒 Cigar Lighter/Power Outlet Schematics
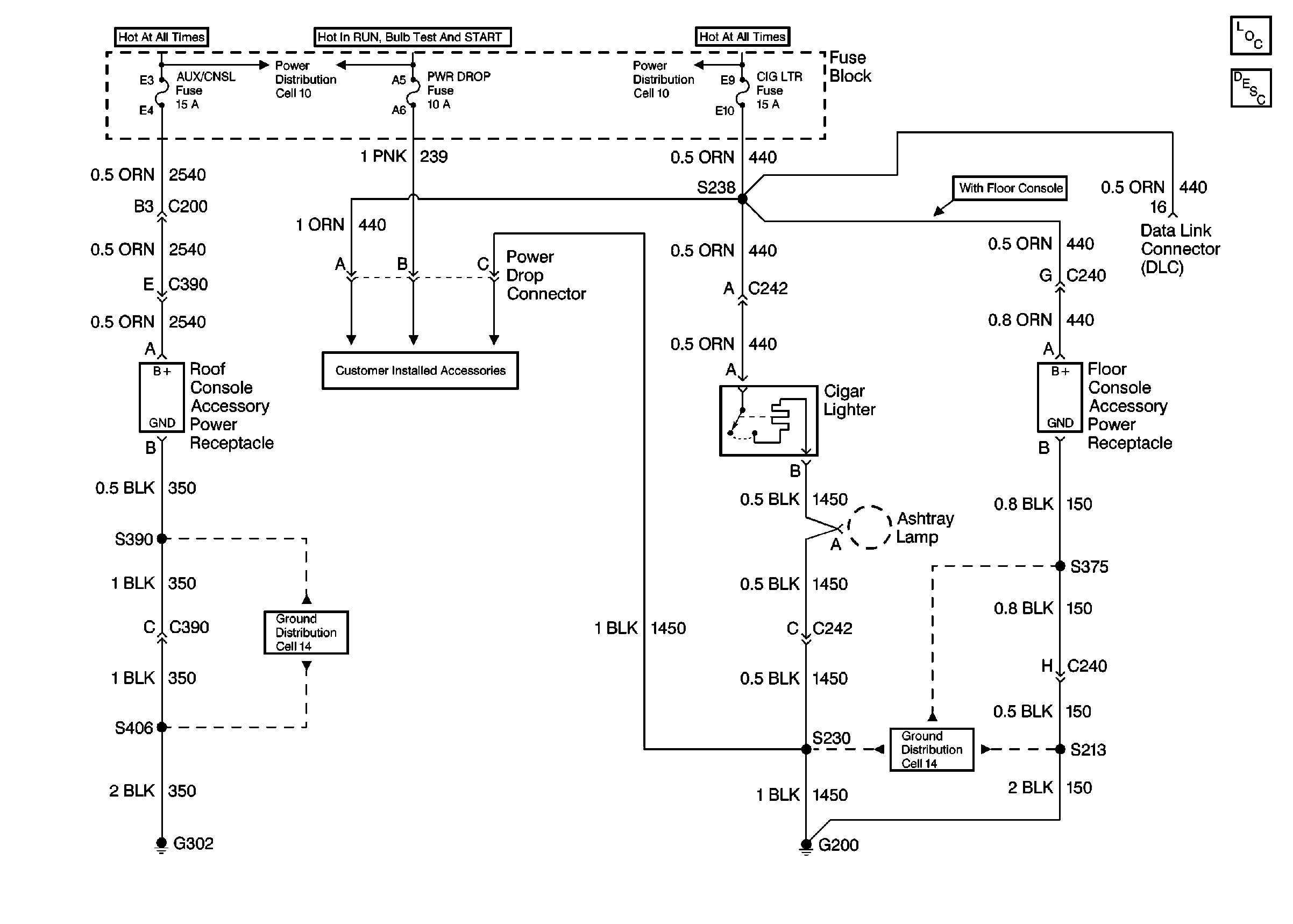
Cell 19: Auxillary Outlets
Power and Grounding Components
Cigar Lighter/Auxiliary Outlet Circuit Description
Cell 11: DRL, CANISTER VENT, PWR DROP, TURN, SIR, IP-IGN, CRUISE and ECM Fuses
Cell 11: CD CHNG, AUX CNSL, STOP LAMP, INT LAMP, CIG LTR Fuses
Cell 14: Left Rear Compartment Ground G302 (1 of 2)
Cell 14: RH/IP Ground G200 (2 of 4)