GM Service Manual Online
For 1990-2009 cars only
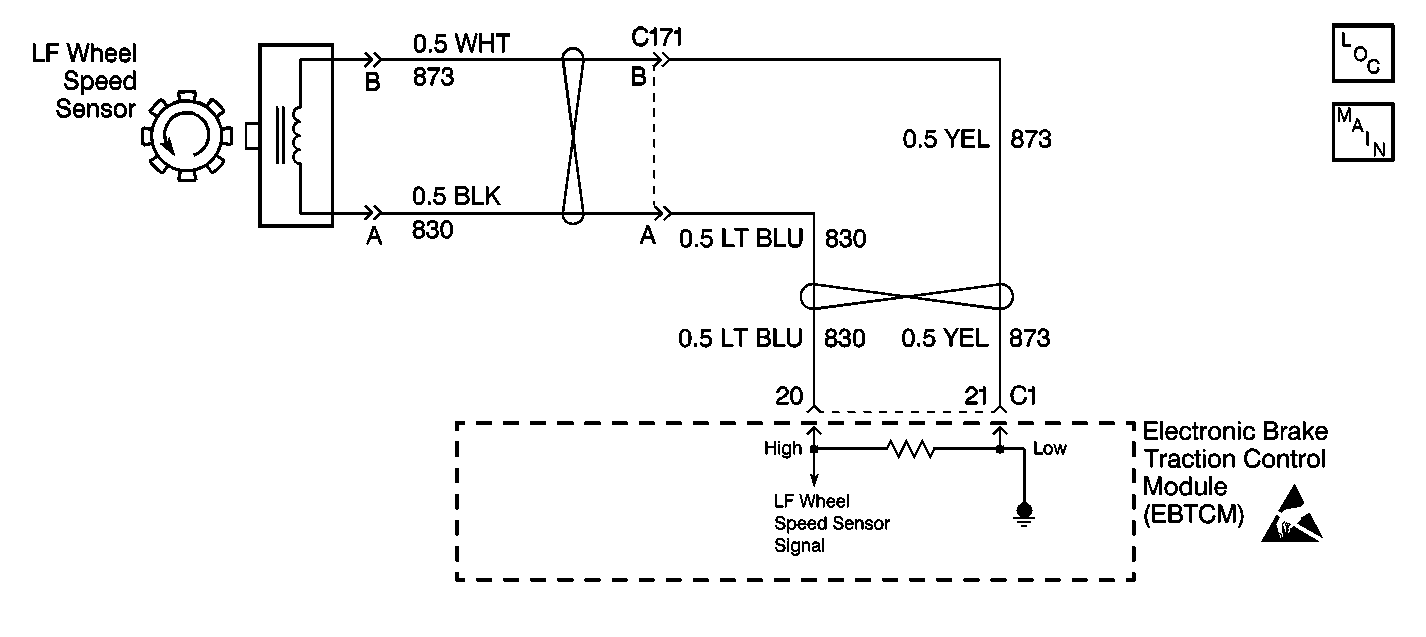
Table 1: DTC C0035 LF Wheel Speed Circuit Malfunction

Object Number: 367891  Size: SF
ABS Components
Cell 44: Wheel Speed Sensors

Circuit Description

The speed sensor used on this vehicle is a multiple pole magnetic pickup. This sensor produces an AC signal that the EBTCM uses the frequency from to calculate the wheel speed.

Conditions for Setting the DTC

The DTC can be set any time the ignition is in the RUN position and the EBTCM detects an open or a short to voltage.

Action Taken When the DTC Sets

    • A malfunction DTC stores.
    • The ABS/TCS disables.
    • The amber ABS/TCS indicator(s) turn on.

Conditions for Clearing the DTC

    • The condition responsible for setting the DTC no longer exists and the scan tool Clear DTCs function is used.
    • 100 ignition cycles pass with no DTC(s) detected.

Diagnostic Aids

    • It is very important that a thorough inspection of the wiring and connectors be performed. Failure to carefully and fully inspect wiring and connectors may result in misdiagnosis, causing part replacement with reappearance of the malfunction.
    • Thoroughly inspect any circuitry that may be causing the complaint for the following conditions:
       - Backed out terminals
       - Improper mating
       - Broken locks
       - Improperly formed or damaged terminals
       - Poor terminal-to-wiring connections
       - Physical damage to the wiring harness
    • The following conditions may cause an intermittent malfunction:
       - A poor connection
       - Rubbed-through wire insulation
       - A broken wire inside the insulation
    • If the customer's comments reflect that the amber ABS/TCS indicator is on only during moist environmental conditions (rain, snow, vehicle wash), inspect all the wheel speed sensor circuitry for signs of water intrusion. If the DTC is not current, clear all DTCs and simulate the effects of water intrusion by using the following procedure:
        1. Spray the suspected area with a five percent saltwater solution.

Add two teaspoons of salt to twelve ounces of water to make a five percent saltwater solution.

        2. Test drive the vehicle over various road surfaces (bumps, turns, etc.) above 40 km/h (25 mph) for at least 30 seconds.
        3. If the DTC returns, replace the suspected harness.
    • If an intermittent malfunction exists refer to General Electrical Diagnosis in Wiring Systems for further diagnosis.

Front Wheel Speed Sensor Resistance

The following table contains resistance values for the front wheel speed sensors at varying sensor temperatures for use in diagnosis. The values are approximate and should be used as a guideline for diagnosis.

Sensor Temperature (°C)

Sensor Temperature (°F)

Sensor Resistance (Ohms)

-34 to 4

-30 to 40

800 to 1100

5 to 43

41 to 110

950 to 1300

44 to 93

111 to 200

1100 to 1600

Test Description

The numbers below refer to step numbers on the diagnostic table.

  1. This step checks for an open in the WSS or WSS CKT.

  2. Checks for a short to voltage in the WSS CKT.

  3. Checks for a short to voltage in the WSS CKT.

DTC C0035 LF Wheel Speed Circuit Malfunction

Step

Action

Value(s)

Yes

No

1

Was the Diagnostic System Check performed?

--

Go to Step 2

Go to Diagnostic System Check - ABS

2

Inspect the WSS for physical damage.

Is physical damage of the WSS evident?

--

Go to Step 3

Go to Step 4

3

Replace the WSS. Refer to Wheel Speed Sensor Replacement .

Is the replacement complete?

--

Go to Step 18

--

4

Inspect the jumper harness for physical damage.

Is physical damage of the jumper harness evident?

--

Go to Step 5

Go to Step 6

5

Replace the jumper harness. Refer to Wheel Speed Sensor Jumper Harness Replacement .

Is the replacement complete?

--

Go to Step 18

--

6

  1. Turn the ignition switch to the OFF position.
  2. Disconnect the EBTCM.
  3. Install the J 39700 Universal Pinout Box using the J 39700-530 cable adapter to the EBTCM harness connector only.
  4. Using J 39200 DMM, measure the resistance between terminals 20 and 21 of J 39700 .

Is the resistance within the range specified in the value(s) column?

800-1600ohms

Go to Step 13

Go to Step 7

7

  1. Disconnect the Wheel Speed Sensor.
  2. Using J 39200 DMM, measure the resistance between terminals A and B of the Wheel Speed Sensor Connector.

Is the resistance within the range specified in the value(s) column?

800-1600ohms

Go to Step 8

Go to Step 3

8

Using J 39200 DMM, measure the resistance between terminal 20 of J 39700 and terminal A of the WSS harness connector.

Is the resistance within the range specified in the value(s) column?

0-5ohms

Go to Step 10

Go to Step 9

9

Repair CKT 830 for an open or high resistance. Refer to Wiring Repairs in Wiring Systems. If open or high resistance is found in the jumper harness, replace the jumper harness. Refer to Wheel Speed Sensor Jumper Harness Replacement .

Is the repair complete?

--

Go to Step 18

--

10

Using J 39200 DMM, measure the resistance between terminal 21 of J 39700 and terminal B of the WSS harness connector.

Is the resistance within the range specified in the value(s) column?

0-5ohms

Go to Step 12

Go to Step 11

11

Repair CKT 873 for an open or high resistance. Refer to Wiring Repairs in Wiring Systems. If open or high resistance is found in the jumper harness, replace the jumper harness. Refer to Wheel Speed Sensor Jumper Harness Replacement .

Is the repair complete?

--

Go to Step 18

--

12

Malfunction is intermittent. Inspect all connectors and harnesses for damage that may result in an open or high resistance when connected. Refer to Wiring Repairs in Wiring Systems.

Is the repair complete?

--

Go to Step 18

--

13

  1. Disconnect the Wheel Speed Sensor.
  2. Turn the ignition switch to the RUN position, engine off.
  3. Using J 39200 DMM, measure the voltage at terminal 20 of J 39700 .

Is the voltage within the range specified in the value(s) column?

Above 0V

Go to Step 14

Go to Step 15

14

Repair CKT 830 for a short to voltage. Refer to Wiring Repairs in Wiring Systems. If short to voltage is found in the jumper harness, replace the jumper harness. Refer to Wheel Speed Sensor Jumper Harness Replacement .

Is the repair complete?

--

Go to Step 18

--

15

Using J 39200 DMM, measure the voltage at terminal 21 of J 39700 .

Is the voltage within the range specified in the value(s) column?

Above 0V

Go to Step 16

Go to Step 17

16

Repair CKT 873 for a short to voltage. Refer to Wiring Repairs in Wiring Systems. If short to voltage is found in the jumper harness, replace the jumper harness. Refer to Wheel Speed Sensor Jumper Harness Replacement .

Is the repair complete?

--

Go to Step 18

--

17

Replace the EBTCM. Refer to Electronic Brake and Traction Control Module Replacement .

Is the replacement complete?

--

Go to Diagnostic System Check - ABS

--

18

  1. Reconnect all previously disconnected components.
  2. Using a scan tool clear the DTC.
  3. Remove the scan tool from the DLC.
  4. Carefully drive the vehicle above 12 Km/h (8 mph) for several minutes.

Does the DTC reset as a current DTC?

--

Go to Step 2

Go to Diagnostic System Check - ABS