GM Service Manual Online
For 1990-2009 cars only

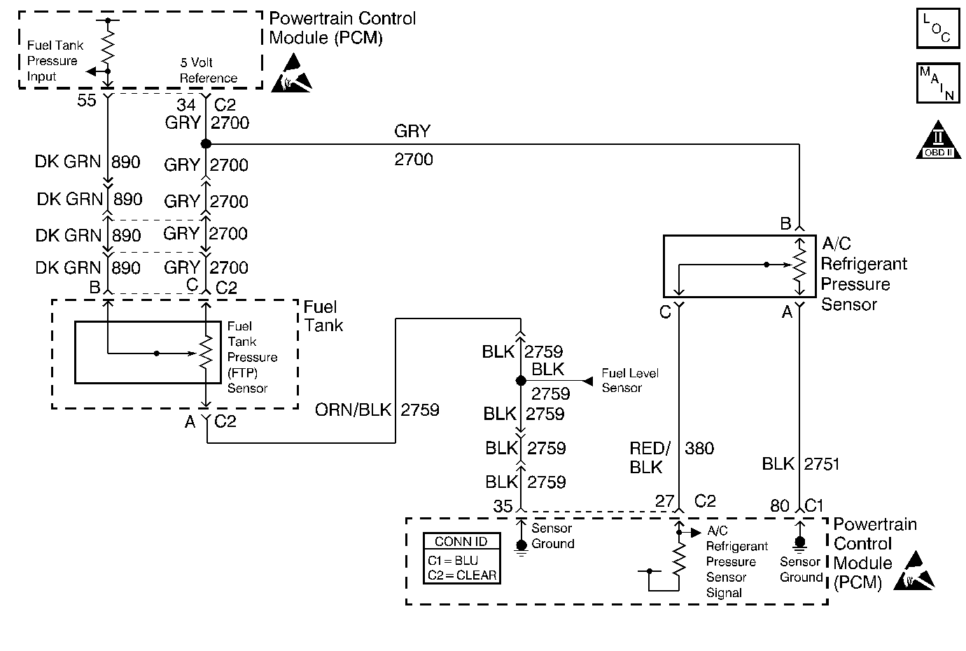
Object Number: 388552  Size: LF
Cell 20: Power, Ground, MIL, and DLC
OBD II Symbol Description Notice
Handling ESD Sensitive Parts Notice
Handling ESD Sensitive Parts Notice

Circuit Description

The PCM uses the 5 Volt Reference B circuit as a sensor feed to the A/C Pressure Sensor and the Fuel Tank Pressure sensor. The PCM monitors the voltage on the 5 Volt Reference B circuit. If the voltage is out of tolerance, the PCM will set DTC P1639.

Conditions for Running the DTC

The ignition is on.

Conditions for Setting the DTC

    •  The PCM detects a voltage out of tolerance condition on the 5 Volt Reference B circuit.
    •  Above condition for longer than 10 seconds.

Action Taken When the DTC Sets

    • The PCM illuminates the malfunction indicator lamp (MIL) on the second consecutive ignition cycle that the diagnostic runs and fails.
    • The PCM records the operating conditions at the time the diagnostic fails. The first time the diagnostic fails, the PCM stores this information in the Failure Records. If the diagnostic reports a failure on the second consecutive ignition cycle, the PCM records the operating conditions at the time of the failure.
    • The PCM writes the conditions to the Freeze Frame and updates the Failure Records.

Conditions for Clearing the MIL/DTC

    • The PCM will turn OFF the malfunction indicator lamp (MIL) during the third consecutive trip in which the diagnostic has run and passed.
    • The history DTC will clear after 40 consecutive warm-up cycles have occurred without a malfunction.
    • The DTC can be cleared by using a scan tool.

Diagnostic Aids

Check for the following conditions:

Important: :  Remove any debris from the connector surfaces before servicing a component. Inspect the connector gaskets when diagnosing or replacing a component. Ensure that the gaskets are installed correctly. The gaskets prevent contaminate intrusion.

    •  Poor terminal connection.
         Inspect the harness connectors for backed out terminals, improper mating, broken locks, improperly formed or damaged terminals, and faulty terminal to wire connection. Use a corresponding mating terminal to test for proper tension. Refer to Intermittents and Poor Connections Diagnosis , and Connector Repairs Wiring Systems.
    •  Damaged harness.
         Inspect the wiring harness for damage. If the harness appears to be OK, observe the sensor display on the scan tool while moving connectors and wiring harnesses related to the sensor. A change in the sensor display may indicate the location of the fault. Refer to Wiring Repairs in Wiring Systems.
    •  Inspect the PCM and the engine grounds for clean and secure connections.

If the DTC is determined to be intermittent, reviewing the Fail Records can be useful in determining when the DTC was last set.

Test Description

Number(s) below refer to the step number(s) on the Diagnostic Table:

  1. This vehicle is equipped with a PCM which utilizes an Electrically Erasable Programmable Read Only Memory (EEPROM). When the PCM is being replaced, the new PCM must be programmed. Refer to Powertrain Control Module Replacement/Programming .

Step

Action

Value(s)

Yes

No

1

Was the Powertrain OBD System Check?

--

Go to Step 2

Go to Powertrain On Board Diagnostic (OBD) System Check

2

Visually/physically check the PCM and engine grounds. Ensure that the grounds are clean and secure. Refer to Power and Grounding Component Views .

Was a problem found?

--

Go to Step 11

Go to Step 3

3

Select DTC info, Last Test Fail and note if any other DTCs are set.

Are there any other codes set?

--

Go to applicable DTC(s)

Go to Step 4

4

  1. Turn the ignition off.
  2. Disconnect the PCM.
  3. Turn the ignition on.
  4. Using J 39200 DMM, measure voltage between the 5 Volt Reference B circuit and the PCM ground circuit at the PCM harness connector.

Is voltage greater than the specified value indicated?

5.5 V

Go to Step 5

Go to Step 8

5

Monitor J 39200 DMM connected between the 5 Volt Reference B circuit and the PCM ground circuit while disconnecting the A/C Pressure Sensor, and Fuel Tank Pressure Sensor one at a time.

Is voltage greater than the specified value still indicated with the A/C Pressure Sensor, or Fuel Tank Pressure Sensor disconnected?

5.5 V

Go to Step 6

Go to Step 7

6

  1. Turn the ignition off.
  2. Disconnect the PCM.
  3. Turn the ignition on.
  4. Check the 5 Volt Reference B circuit for a short to voltage.
  5. If a problem is found, repair as necessary. Refer to Wiring Repairs .

Was a problem found?

--

Go to Step 11

Go to Step 10

7

Locate and repair short to voltage on A/C Pressure Sensor, and Fuel Tank Pressure Sensor signal circuit or ground circuit wiring. Refer to Wiring Repairs .

Is the action complete?

--

Go to Step 11

--

8

Is voltage less than the specified value indicated?

4.5V

Go to Step 9

Go to Step 10

9

  1. Turn the ignition off.
  2. Disconnect the PCM.
  3. Check the 5 Volt Reference B circuit for a short to ground.
  4. If a problem is found, repair as necessary. Refer to Wiring Repairs .

Was a problem found?

--

Go to Step 11

Go to Step 10

10

Important: :  The replacement PCM must be programmed Refer to Powertrain Control Module Replacement/Programming .

Replace the PCM.

Is the action complete?

--

Go to Step 11

--

11

  1. Review and record scan tool Fail Records data.
  2. Clear the DTC(s).
  3. Operate vehicle within Fail Records conditions as noted.
  4. Using a scan tool, monitor SPECIFIC DTC info for DTC P1639 until the DTC P1639 test runs.

Note the test result does scan tool indicate DTC P1639 failed this ignition?

--

Go to Step 2

System OK