GM Service Manual Online
For 1990-2009 cars only

    Object Number: 189738  Size: SH
  1. Remove the spark plug wires.
  2. Remove the vacuum line from the fuel injector rail.
  3. Remove the fuel injector rail nuts and stud.
  4. Remove the fuel injector rail.

  5. Object Number: 189732  Size: SH
  6. Remove the booster bypass nut and hose.
  7. Remove the booster bypass.
  8. Remove the regulator valve and the harness bolt.
  9. Remove the boost solenoid bolts and hose.
  10. Remove the bolts from the vacuum block.

  11. Object Number: 211911  Size: SH
  12. Remove the engine wiring harness heat shield bolt and nut.
  13. Remove the engine wiring harness heat shield.

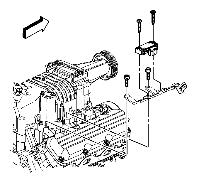
  14. Object Number: 192753  Size: SH
  15. Remove the MAP sensor bracket bolts and hose.
  16. Remove the MAP sensor bracket.

  17. Object Number: 66072  Size: SH

    Important: Note the location of the spacers and the bolt sizes to aid in installation.

  18. Remove the TBI nuts.
  19. Remove the TBI and gasket.

  20. Object Number: 42224  Size: SH
  21. Remove the bolts, spacers, and the stud from the supercharger.
  22. Remove the supercharger.

  23. Object Number: 189735  Size: SH
  24. Remove the supercharger gasket.