GM Service Manual Online
For 1990-2009 cars only
Makes
🢒
Pontiac
🢒
2000
🢒
Grand Prix
🢒
Engine
🢒
Engine Cooling
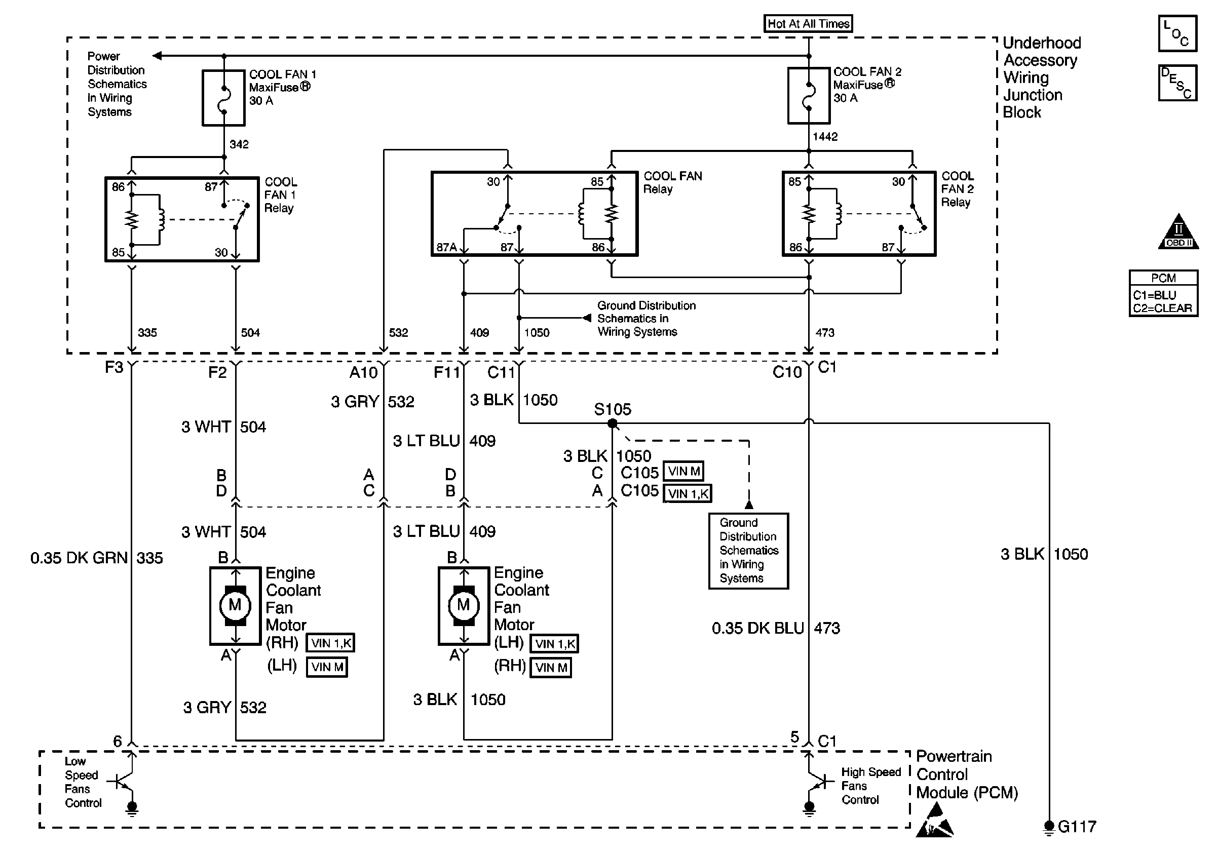
🢒 Cooling Fan Schematics
Cell 14: G113, and G117
Cell 10: Underhood Accessory Wiring Junction Block
Cell 14: G100, G111, G113, and G117
OBDII Symbol Description Notice
Handling Electrostatic Discharge Sensitive Parts Notice