GM Service Manual Online
For 1990-2009 cars only

Removal Procedure

Notice: Allow sufficient clearance around the transaxle oil cooler pipes and around the hoses to prevent damage or wear which may cause fluid loss.

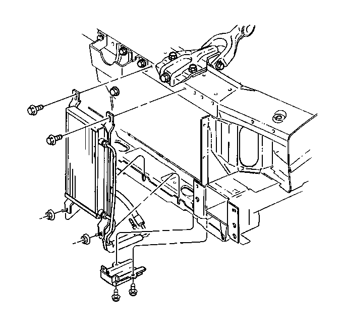
  1. Remove the auxiliary transaxle oil cooler hose and pipe fittings from the auxiliary transaxle oil cooler. Refer to Transmission Fluid Auxiliary Cooler Inlet and Outlet Pipe Replacement

  2. Object Number: 161063  Size: SH
  3. Remove the auxiliary transaxle oil cooler nuts from the lower radiator support.
  4. Remove the auxiliary transaxle oil cooler bolts from the upper radiator support.
  5. Remove the auxiliary transaxle oil cooler.

Installation Procedure


    Object Number: 161063  Size: SH
  1. Install the auxiliary transaxle oil cooler.
  2. Notice: Use the correct fastener in the correct location. Replacement fasteners must be the correct part number for that application. Fasteners requiring replacement or fasteners requiring the use of thread locking compound or sealant are identified in the service procedure. Do not use paints, lubricants, or corrosion inhibitors on fasteners or fastener joint surfaces unless specified. These coatings affect fastener torque and joint clamping force and may damage the fastener. Use the correct tightening sequence and specifications when installing fasteners in order to avoid damage to parts and systems.

  3. Install the auxiliary transaxle oil cooler bolts to the upper radiator support.
  4. Tighten
    Tighten the auxiliary transaxle oil cooler bolts to 25 N·m (18 lb ft).

  5. Install the auxiliary transaxle oil cooler nuts to the lower radiator support.
  6. Tighten
    Tighten the auxiliary transaxle oil cooler nuts to 10 N·m (97 lb in).

    Important: The correct thread engagement is critical. Crossthreaded fittings can achieve proper tightness value and still leak.

  7. Install the auxiliary transaxle oil cooler hose and pipe fittings to the auxiliary transaxle oil cooler. Refer to Transmission Fluid Auxiliary Cooler Inlet and Outlet Pipe Replacement .