GM Service Manual Online
For 1990-2009 cars only
Makes
🢒
Pontiac
🢒
2000
🢒
Grand Prix
🢒
Body and Accessories
🢒
Instrument Panel, Gauges, and Console
🢒 Audible Warnings Schematics
Figure
1:
Power, Turn Signal Switch, BCM, and Ground
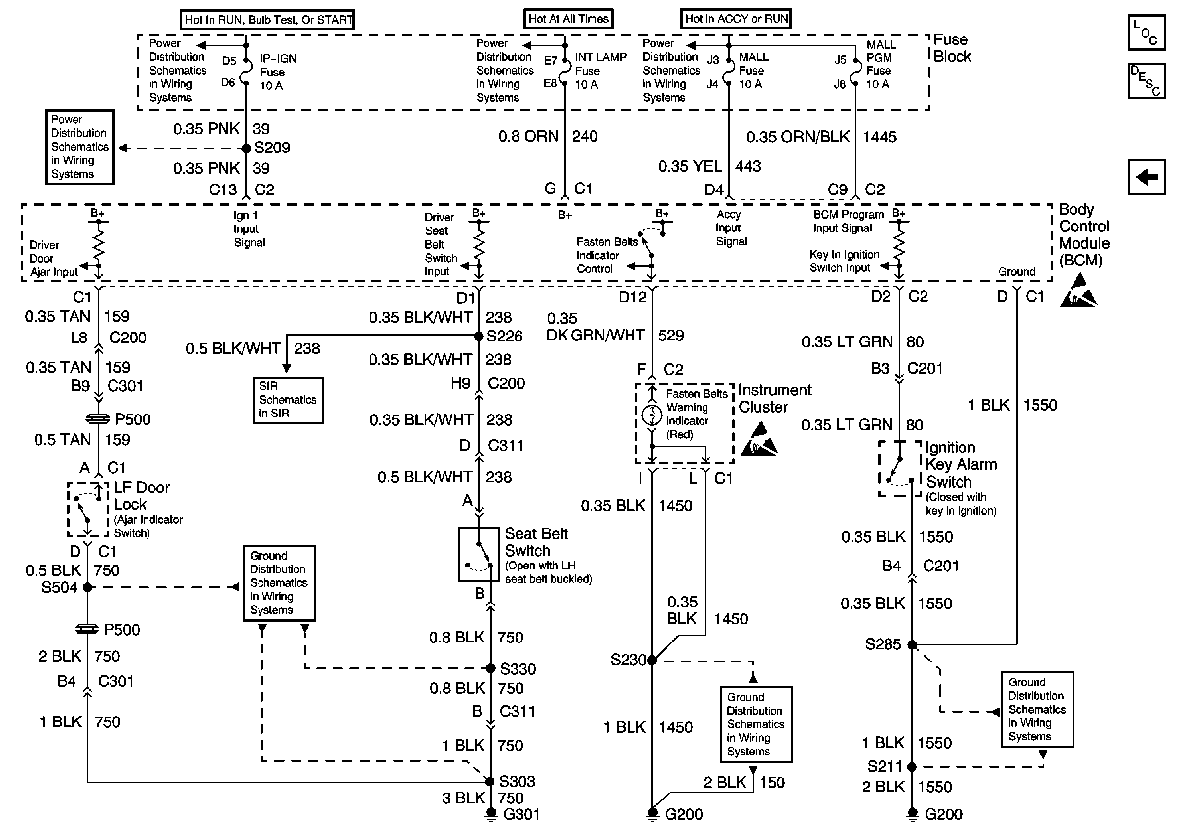
Figure
2:
BCM, Left Front Door Lock, Seat Belt Switch, IPC, and Ignition Key Alarm Switch