GM Service Manual Online
For 1990-2009 cars only
Makes
🢒
Pontiac
🢒
2000
🢒
Grand Prix
🢒
Body and Accessories
🢒
Horns
🢒 Horn Component Views
Figure
1:
Right Front Frame Rail, Near Fender
(1)
Horn Assembly
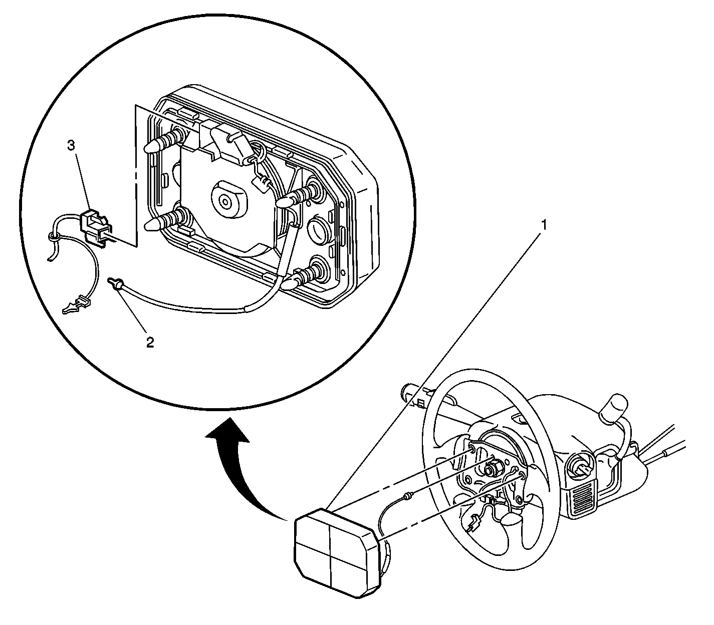
Figure
2:
Steering Wheel and Column
(1)
Inflatable Restraint Driver Inflator Module
(2)
Horn Connector -- Spring Loaded Contact
(3)
Inflatable Restraint Driver Inflator Module Harness Connector