GM Service Manual Online
For 1990-2009 cars only
Makes
🢒
Pontiac
🢒
2000
🢒
Grand Prix
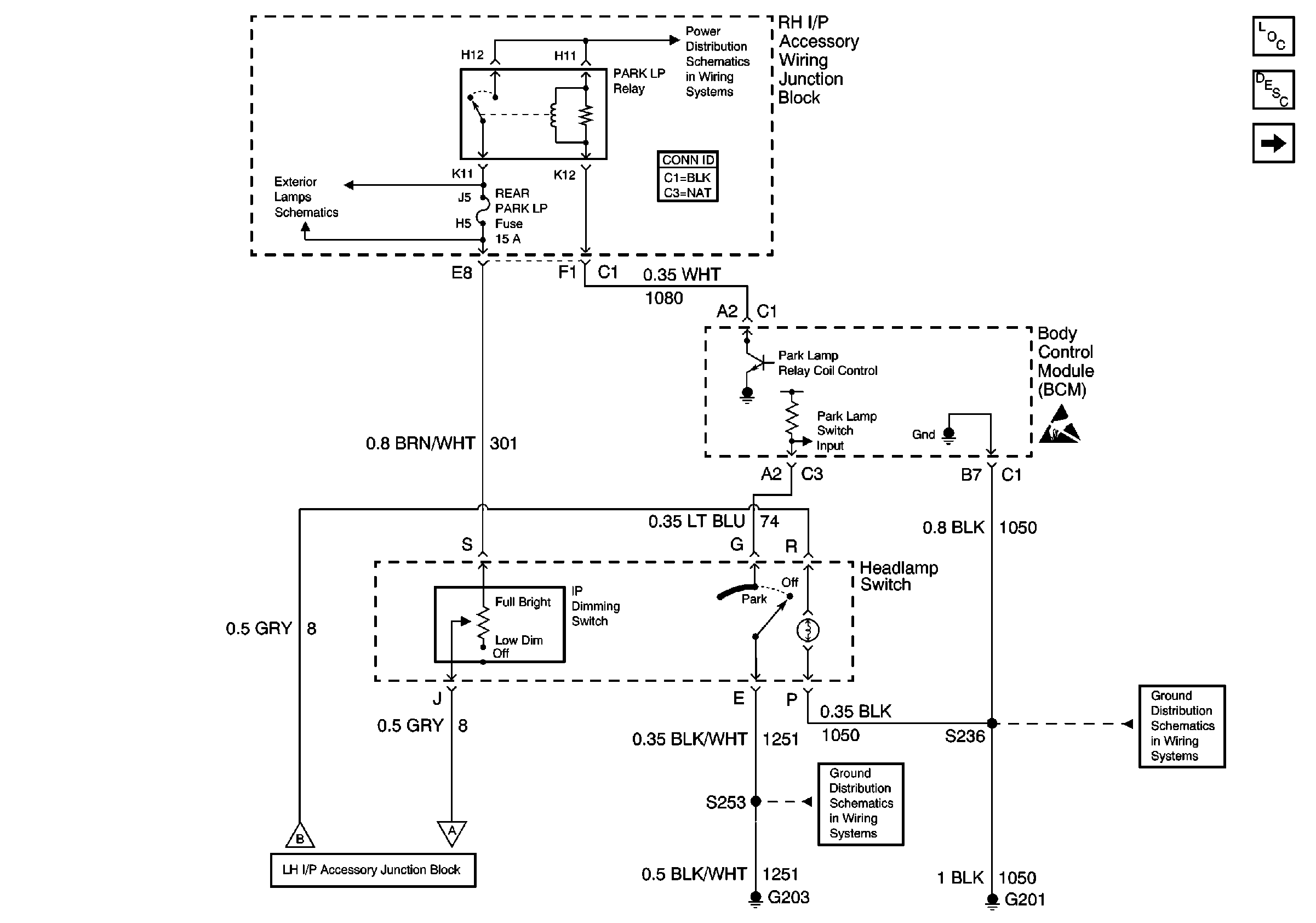
🢒 BCM and Headlamp Switch
BCM and Headlamp Switch
BCM and Headlamp Switch
Stationary Windows Components
Interior Lights Circuit Description
BCM, Door Lock, Door Window Switch, HVAC, Radio, and Fog Lamp Switch Lamps
Park Lamps Control
B/U LP, DIC/RKE and FRT PARK LP Fuses, and BACKUP LP, BATT RUN DOWN PROTECTION and PARK LP Relays
BCM, Door Lock, Door Window Switch, HVAC, Radio, and Fog Lamp Switch Lamps
BCM, Door Lock, Door Window Switch, HVAC, Radio, and Fog Lamp Switch Lamps
G203 (2 of 3)
G201 (1 of 2)
Handling ESD Sensitive Parts Notice