GM Service Manual Online
For 1990-2009 cars only
Makes
🢒
Pontiac
🢒
2000
🢒
Grand Prix
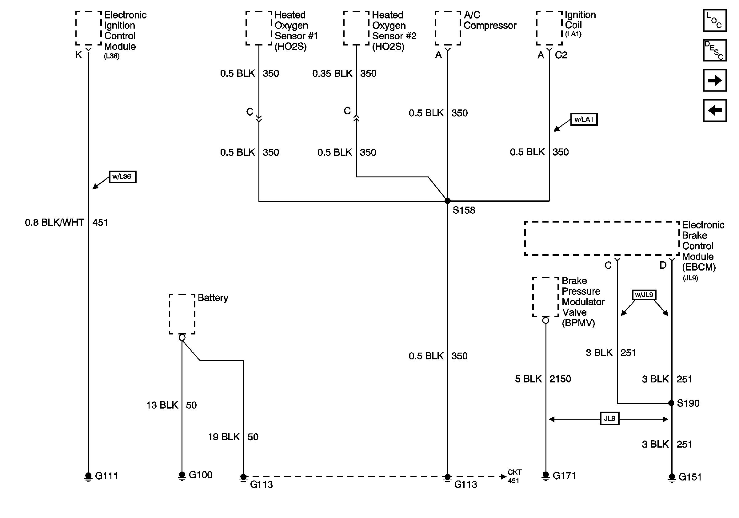
🢒 G100, G111, G113 and G151
G100, G111, G113 and G151
G100, G111, G113, G151, and G171
Power and Grounding Components
G113 - Continued
G101 (2 of 2)
G113 - Continued