GM Service Manual Online
For 1990-2009 cars only
Makes
🢒
Pontiac
🢒
2000
🢒
Grand Prix
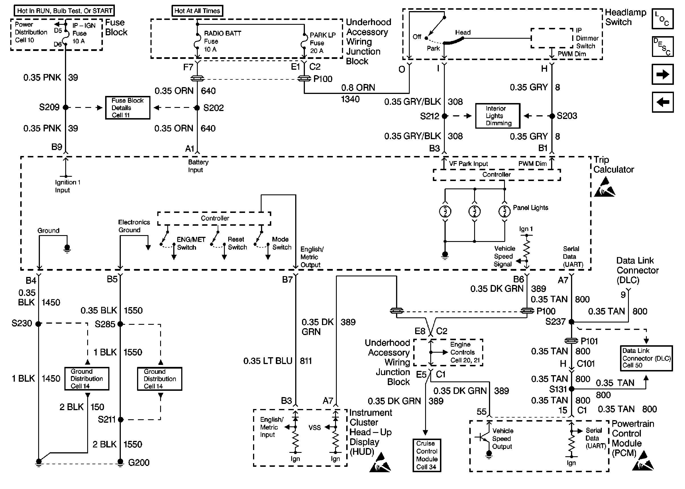
🢒 Cell 86: Trip Calculator
Cell 86: Trip Calculator
Cell 86: Trip Calculator
Instrument Cluster and HUD Components
Driver Information Center (DIC) or Message Center Circuit Description
Cell 86: Trip Calculator, Continued
Cell 86: Driver Information Display, Continued
Fuse Block Schematics
Ground Distribution Schematics
Ground Distribution Schematics
Interior Lights Dimming Schematics
Data Link Connector Schematics
Handling ESD Sensitive Parts Notice
Handling ESD Sensitive Parts Notice