GM Service Manual Online
For 1990-2009 cars only
Makes
🢒
Pontiac
🢒
2000
🢒
Grand Prix
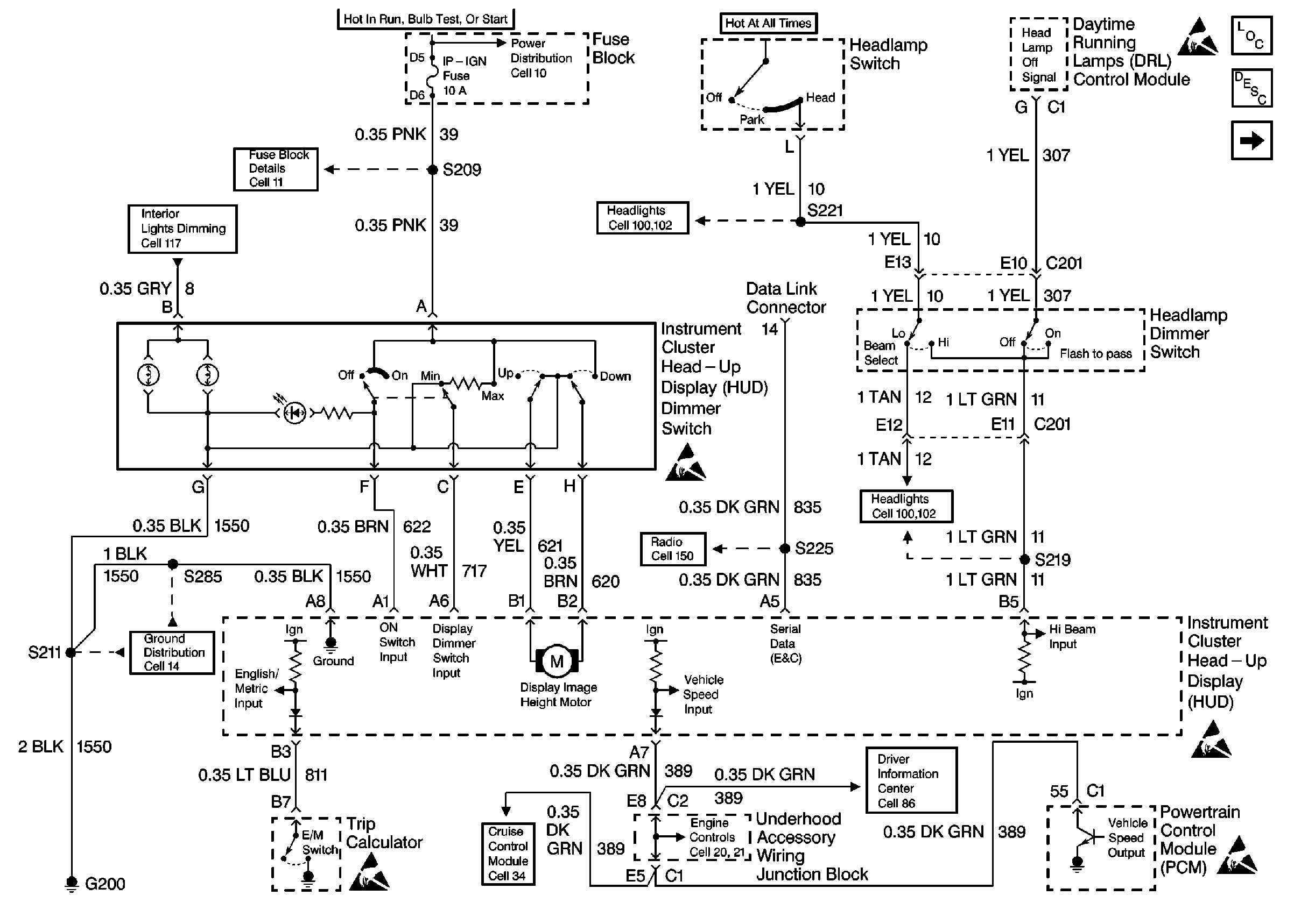
🢒 Cell 83: Head-Up Display (HUD)
Cell 83: Head-Up Display (HUD)
Cell 83: Head-Up Display (HUD)
Instrument Cluster and HUD Components
Head Up Display Circuit Description
Cell 83: Head-Up Display (HUD), Continued
Fuse Block Schematics
Interior Lights Dimming Schematics
Ground Distribution Schematics
Headlights/Daytime Running Lights (DRL) Schematics
Radio/Audio System Schematics
Headlights/Daytime Running Lights (DRL) Schematics
Driver Information System Schematics
Handling ESD Sensitive Parts Notice
Handling ESD Sensitive Parts Notice
Handling ESD Sensitive Parts Notice
Handling ESD Sensitive Parts Notice
Handling ESD Sensitive Parts Notice