GM Service Manual Online
For 1990-2009 cars only
Makes
🢒
Pontiac
🢒
2000
🢒
Grand Prix
🢒 Cell 81: Instrument Cluster
Cell 81: Instrument Cluster
Cell 81: Instrument Cluster
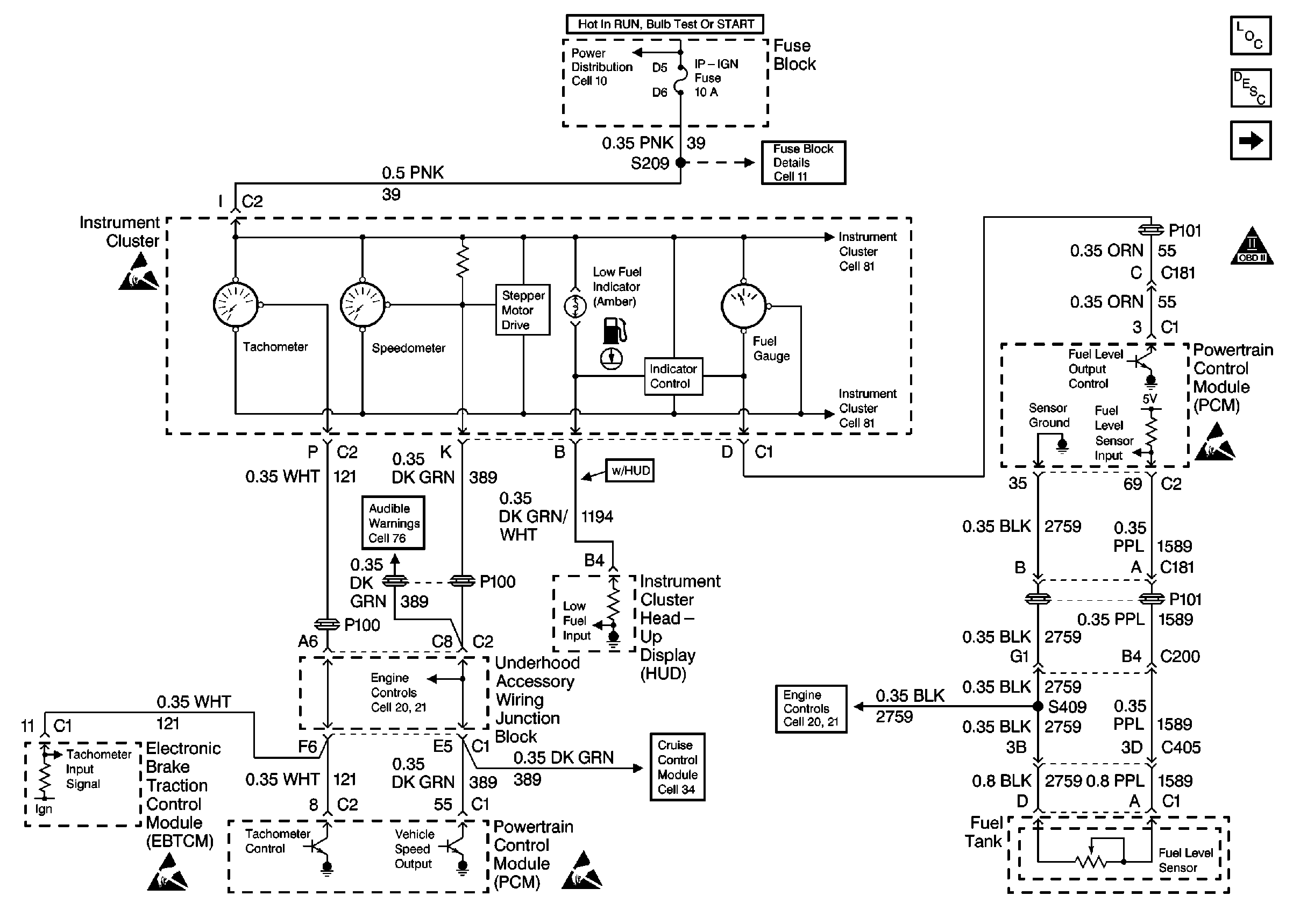
Instrument Cluster and HUD Components
Instrument Cluster Circuit Description
Cell 81: Instrument Cluster, Continued
Audible Warnings Schematics
Fuse Block Schematics
Handling ESD Sensitive Parts Notice
Handling ESD Sensitive Parts Notice
OBD II Symbol Description Notice