GM Service Manual Online
For 1990-2009 cars only
Makes
🢒
Pontiac
🢒
2000
🢒
Grand Prix
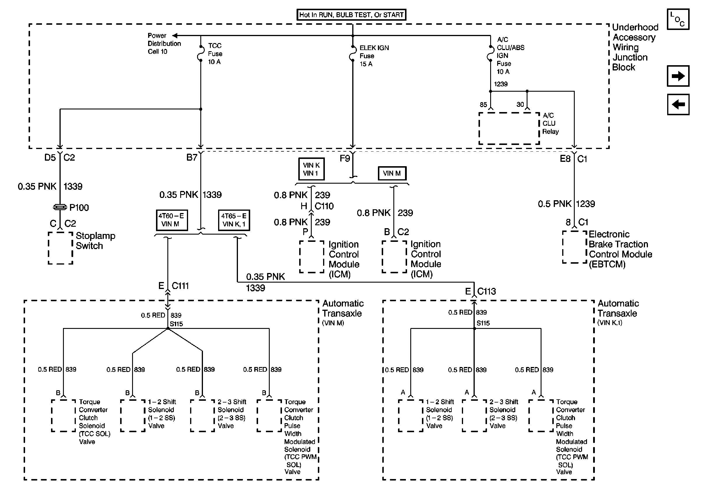
🢒 Cell 11: TCC, ELEK IGN and A/C CLU/ABS IGN Fuses
Cell 11: TCC, ELEK IGN and A/C CLU/ABS IGN Fuses
Cell 11: TCC, ELEK IGN and A/C CLU/ABS IGN Fuses
Power and Grounding Components
Cell 11: IGN1-UH Fuse
Cell 11: 3800 (VIN K and 1) INJ Fuse
Cell 10: Underhood Accessory Wiring Junction Block