GM Service Manual Online
For 1990-2009 cars only
Makes
🢒
Pontiac
🢒
2000
🢒
Grand Prix
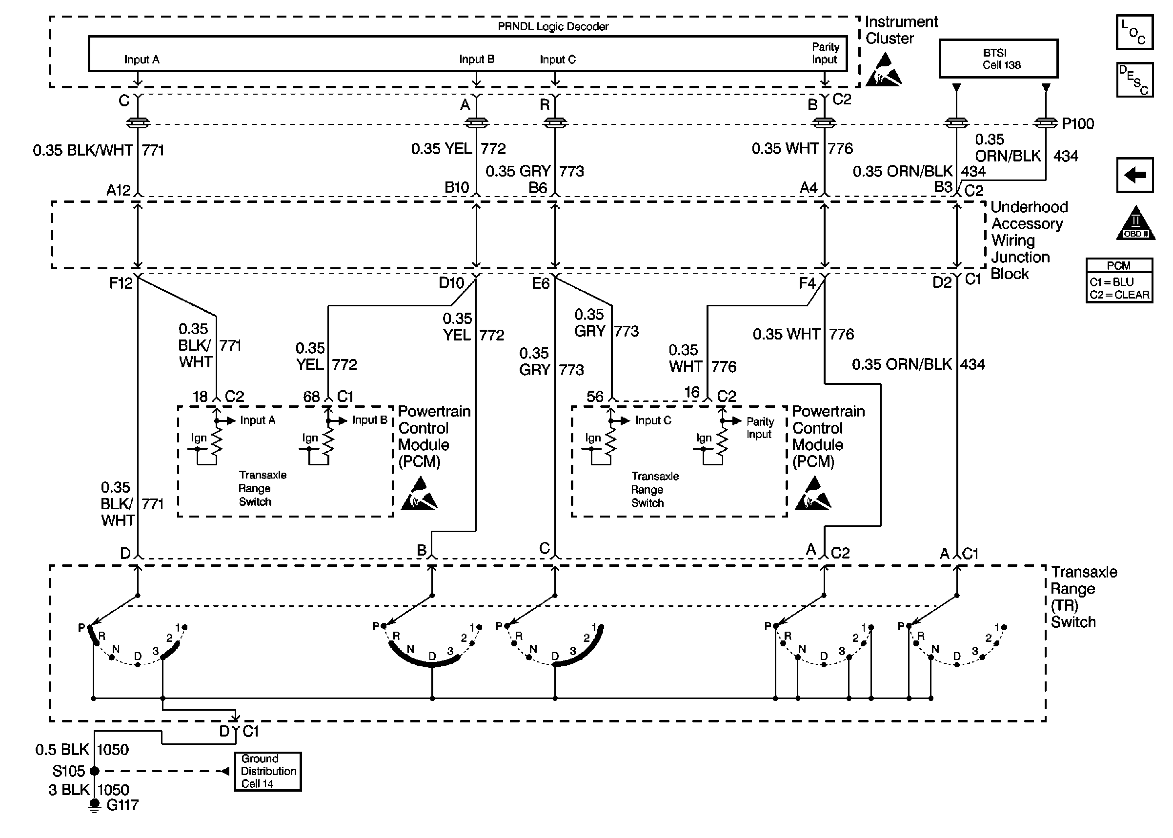
🢒 Transmission Range Switch
Transmission Range Switch
Transmission Range Switch
Handling Electrostatic Discharge Sensitive Parts Notice
Cell 138: 2 of 2
A/T Input Shaft Speed Sensor, and PC Solenoid
OBDII Symbol Description Notice
Cell 14: Engine Ground G117
Handling Electrostatic Discharge Sensitive Parts Notice
Handling Electrostatic Discharge Sensitive Parts Notice