GM Service Manual Online
For 1990-2009 cars only
Makes
🢒
Pontiac
🢒
2000
🢒
Grand Prix
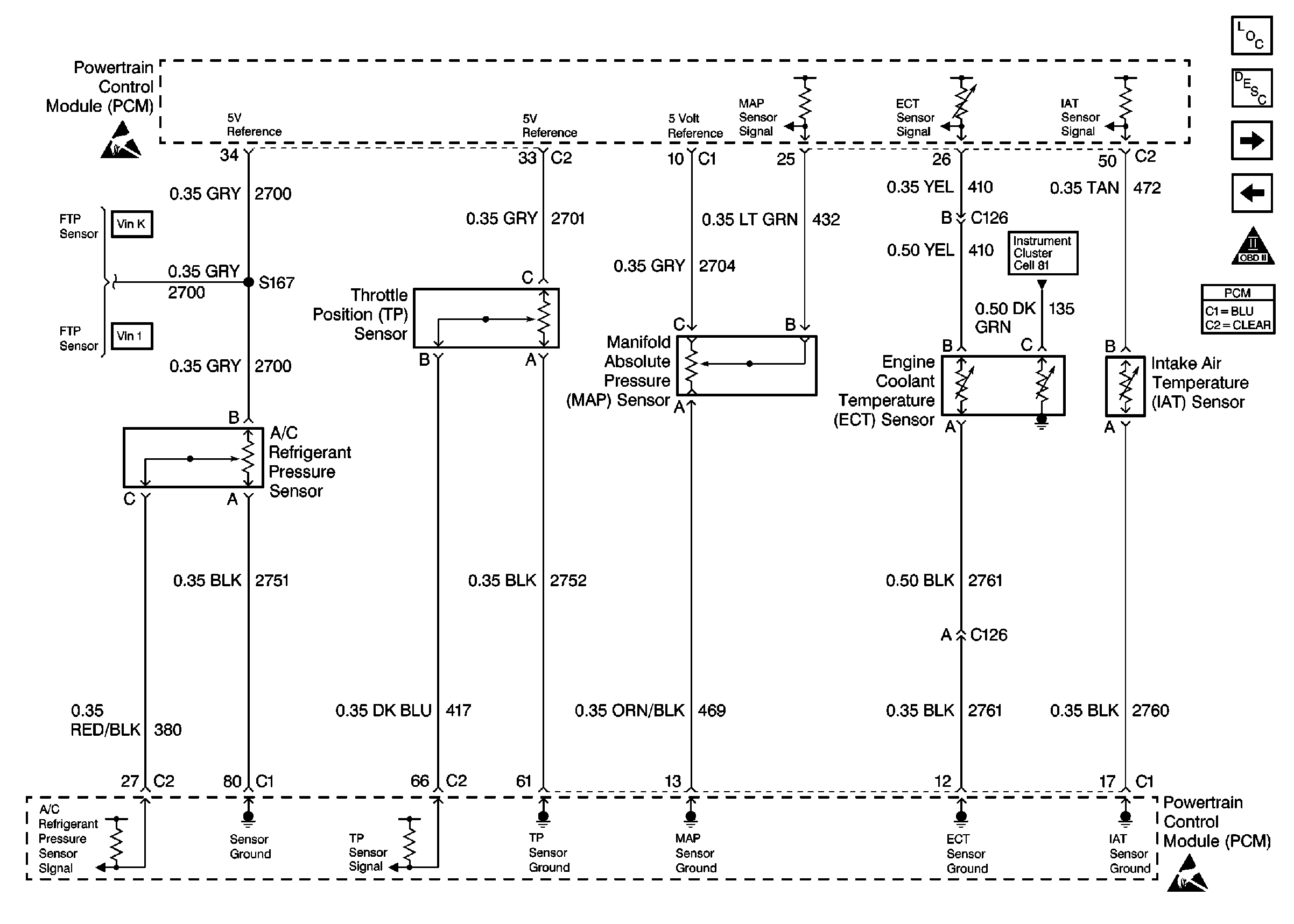
🢒 Cell 21: Engine Data Sensors-A/C Refrig Press, TP, MAP, ECT, IAT
Cell 21: Engine Data Sensors-A/C Refrig Press, TP, MAP, ECT, IAT
Cell 21: Engine Data Sensors-A/C Refrig Press, TP, MAP, ECT, IAT
Cell 21: Fuel Controls-VIN K
Handling Electrostatic Discharge Sensitive Parts Notice
Cell 81: Instrument Cluster, Continued
Cell 21: Engine Data Sensors-HO2S 1, Ho2S 2
Cell 21: Fuel Injectors
OBDII Symbol Description Notice
Handling Electrostatic Discharge Sensitive Parts Notice