GM Service Manual Online
For 1990-2009 cars only
Makes
🢒
Pontiac
🢒
2000
🢒
Grand Prix
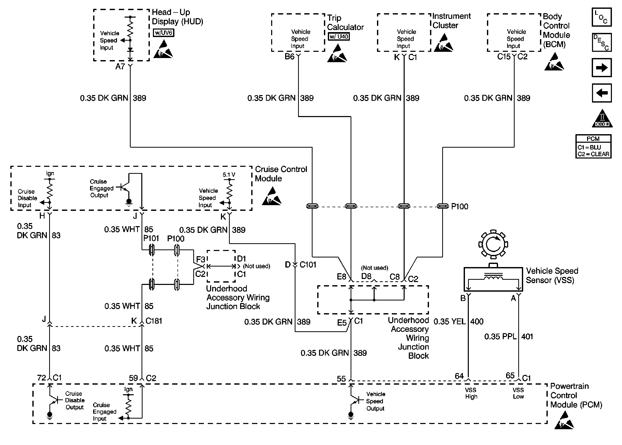
🢒 Cell 21: Engine Data Sensors-VSS, Cruise
Cell 21: Engine Data Sensors-VSS, Cruise
Cell 21: Engine Data Sensos-VSS, Cruise
Handling Electrostatic Discharge Sensitive Parts Notice
Handling Electrostatic Discharge Sensitive Parts Notice
Handling Electrostatic Discharge Sensitive Parts Notice
Handling Electrostatic Discharge Sensitive Parts Notice
Handling Electrostatic Discharge Sensitive Parts Notice
Handling Electrostatic Discharge Sensitive Parts Notice
Cell 21: Engine Data Sensors-MAF, EVAP Vent, EVAP Purge, EGR
Cell 21: Engine Data Sensors-HO2S 1, Ho2S 2
OBDII Symbol Description Notice