GM Service Manual Online
For 1990-2009 cars only
Makes
🢒
Pontiac
🢒
2000
🢒
Grand Prix
🢒 Cell 20: Cooling Fan Controls
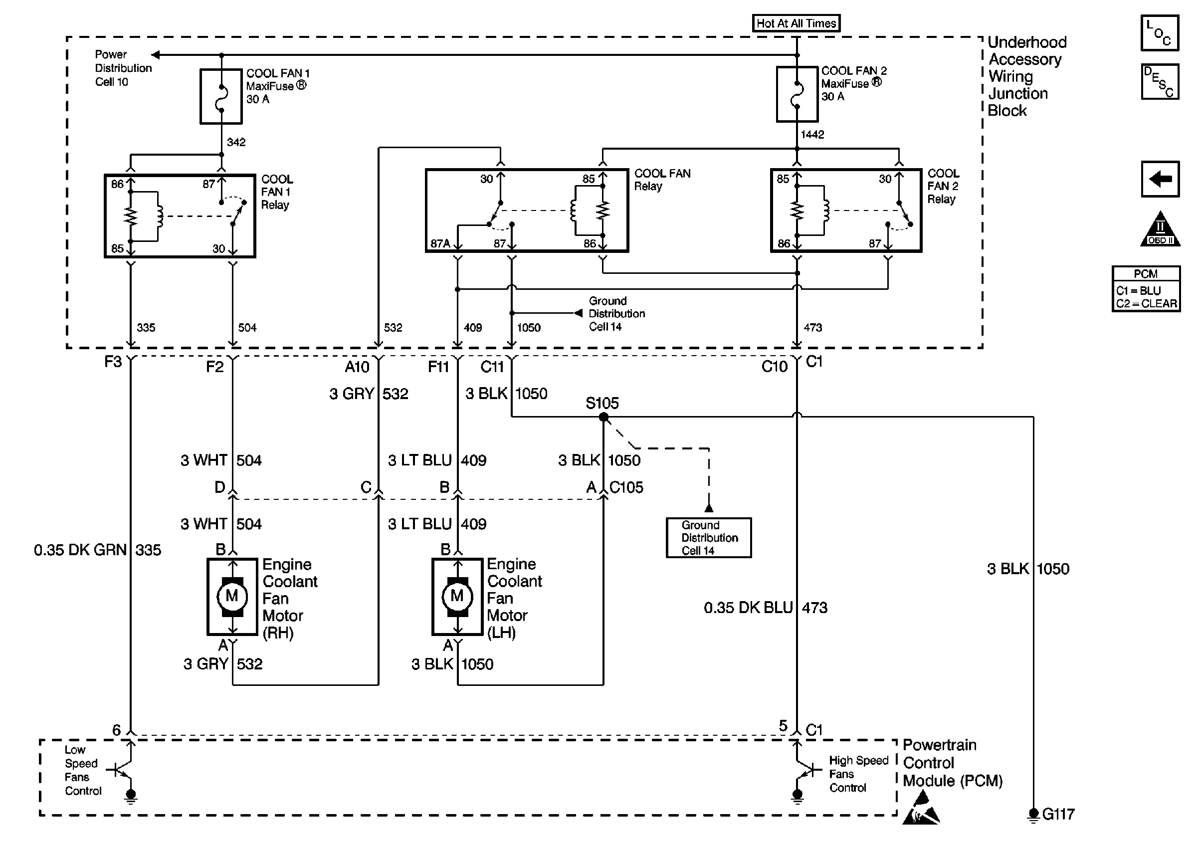
Cell 20: Cooling Fan Controls
Cell 20: Cooling Fan Controls
Cell 10: Underhood Accessory Wiring Junction Block
Cell 20: A/C Compressor Controls
OBDII Symbol Description Notice
Cell 14: Engine Ground G117
Handling Electrostatic Discharge Sensitive Parts Notice
Cell 14: Engine Ground G117