GM Service Manual Online
For 1990-2009 cars only
Makes
🢒
Pontiac
🢒
2000
🢒
Grand Prix
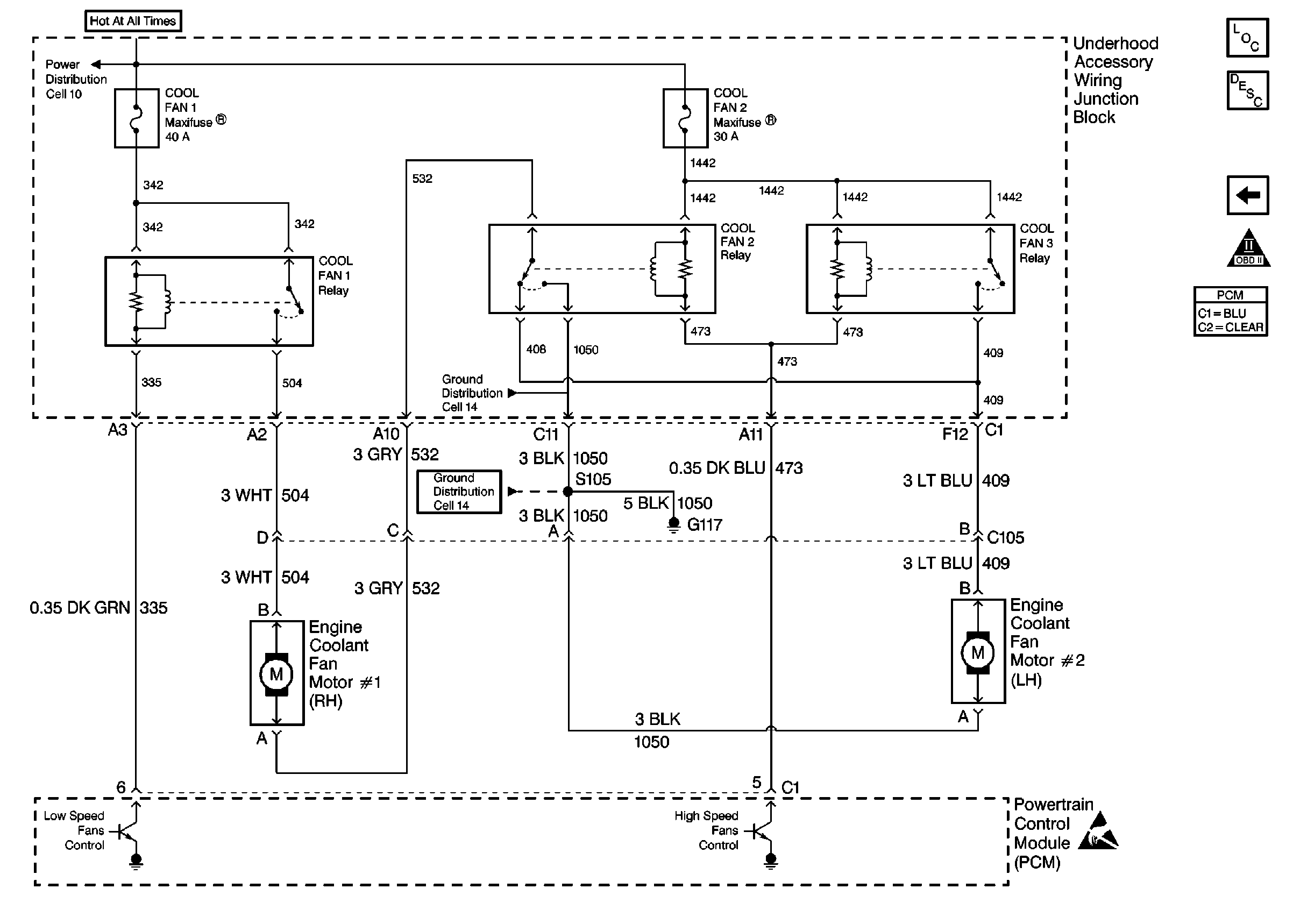
🢒 Cooling Fans Controls
Cooling Fans Controls
Cooling Fans Controls
Cell 10: Underhood Accessory Wiring Junction Block
Cell 14: L36 Engine Ground G117
Cell 14: L36 Engine Ground G117
A/C Compressor Controls
OBD II Symbol Description Notice
Engine Controls Components
Handling ESD Sensitive Parts Notice