GM Service Manual Online
For 1990-2009 cars only
Makes
🢒
Pontiac
🢒
2000
🢒
Grand Prix
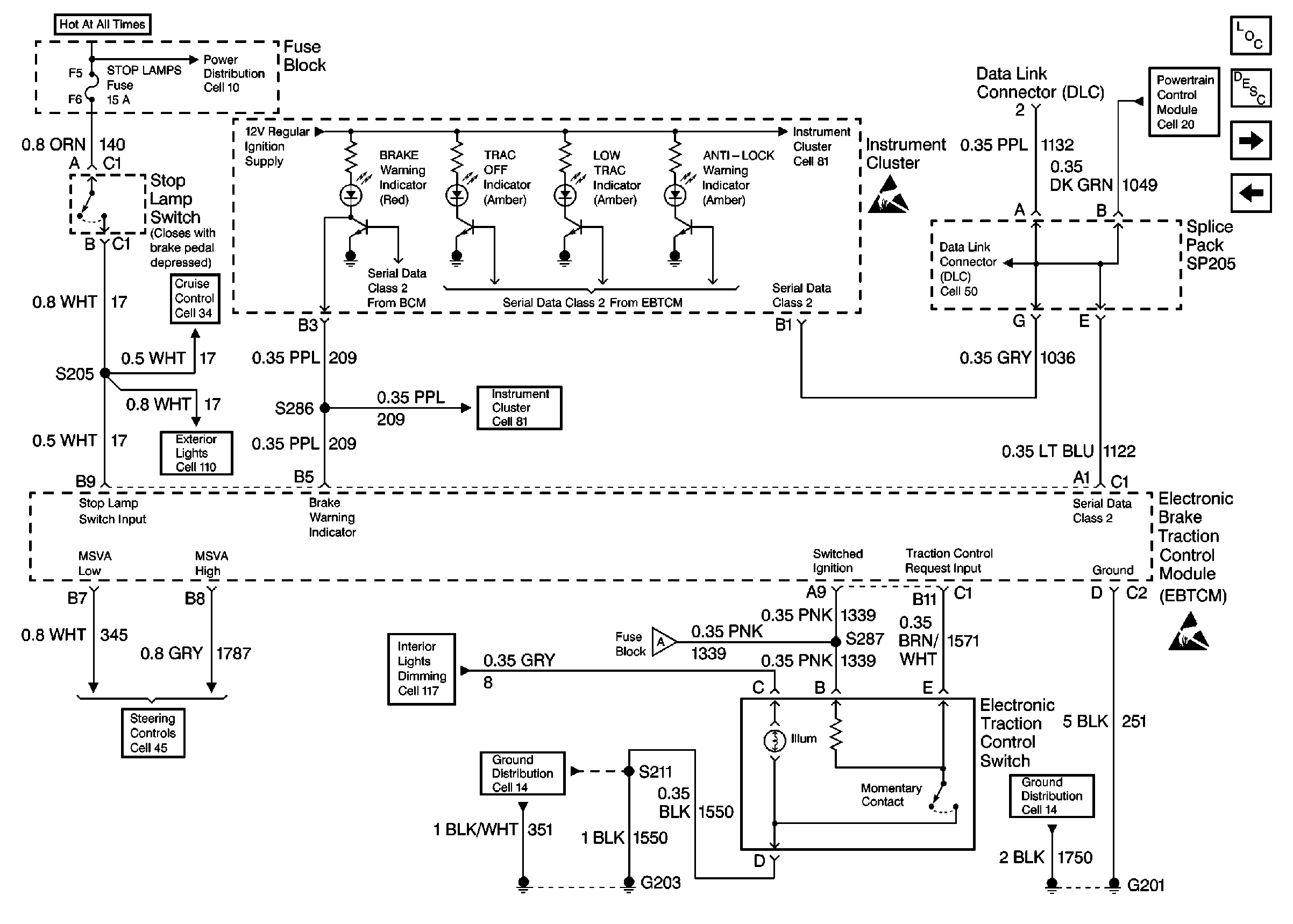
🢒 Cell 44: EBTCM, Cluster Indicators, Class 2, and Traction Control Switch
Cell 44: EBTCM, Cluster Indicators, Class 2, and Traction Control Switch
Cell 44: EBTCM, Cluster Indicators, Class 2, and Traction Control Switch
ABS Components
ABS Description
Cell 44: EBTCM, and Wheel Speed Sensors
Cell 44: EBTCM, Power, Grounds, and Brake Modulator
Power, Ground, DLC and MIL
Cell 10: DOOR LOCKS, HAZARD, HIGH BLOWER, POWER MIRRORS, and STOP LAMPS Fuses
Cell 81: Low Engine Coolant Level Switch, Engine Coolant Level Indicator Module, PCM and SDM
Cell 81: Low Engine Coolant Level Switch, Engine Coolant Level Indicator Module, PCM and SDM
Handling Electrostatic Discharge Sensitive Parts Notice
Handling Electrostatic Discharge Sensitive Parts Notice
Cell 14: LH IP Ground G201
Cell 14: LH IP Ground G203
Cell 117: Power, Instrument Cluster, Headlamp Switch, Steering Wheel Control Switch,
Cell 45: EBTCM, Power, Ground, Class 2, and MSVA Actuator
Cell 110: Power, Stop Lamp Switch, Stop Lamps, CHMSL Lamps
Cell 34: Power, Ground, Steering Wheel Control and Stop Lamp Switch
Cell 44: EBTCM, Power, Grounds, and Brake Modulator
Cell 81: Brake Fluid Level Indicator Switch and EBTCM
Cell 50