GM Service Manual Online
For 1990-2009 cars only
Makes
🢒
Pontiac
🢒
2000
🢒
Grand Prix
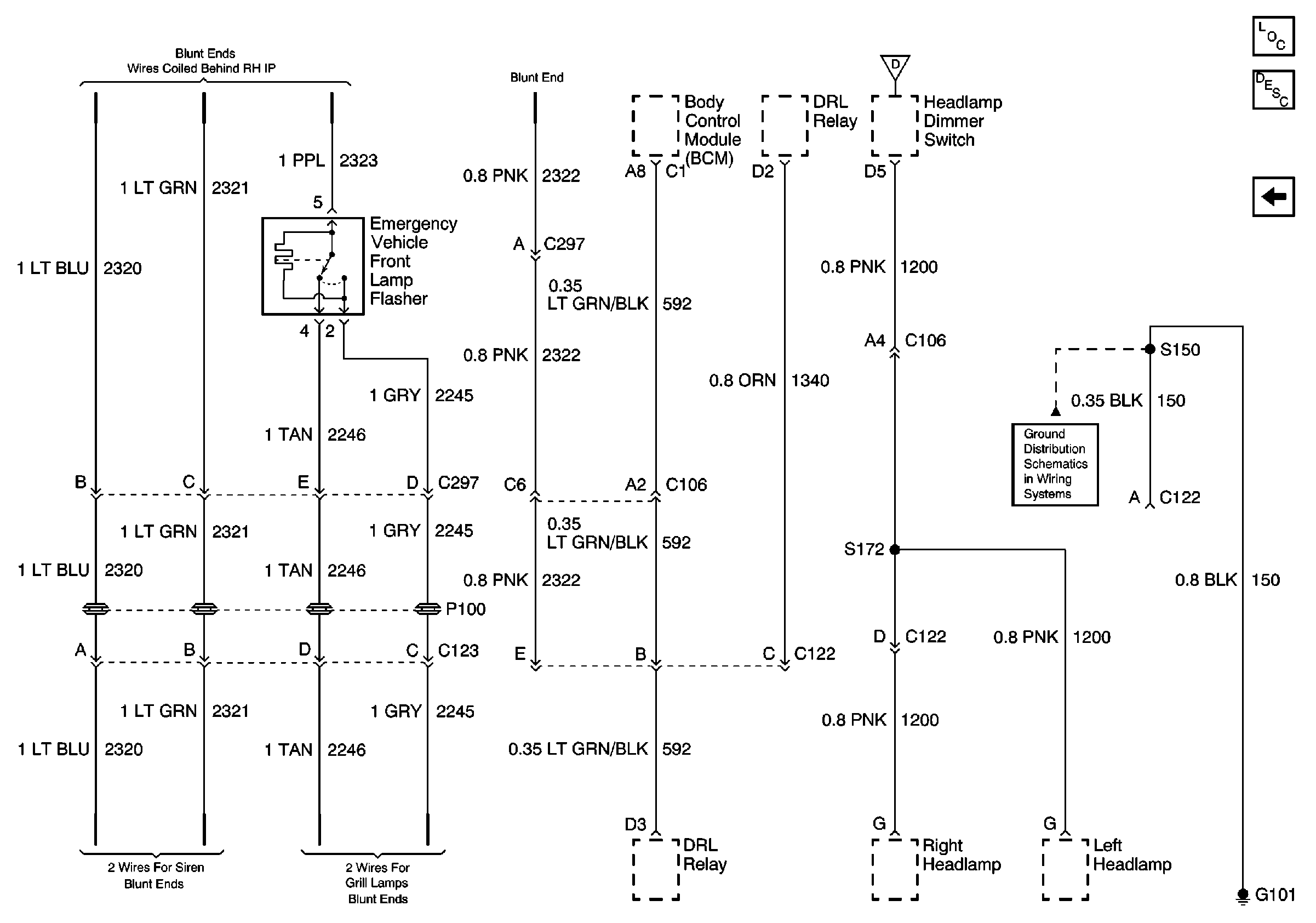
🢒 Front Lamps - Emergency Vehicle
Front Lamps - Emergency Vehicle
Front Lamps -- Emergency Vehicle
Stationary Windows Components
Exterior Lights Circuit Description
Spot Lamps - 9C1/9C6
G101 (1 of 2)