GM Service Manual Online
For 1990-2009 cars only
Makes
🢒
Pontiac
🢒
2000
🢒
Grand Prix
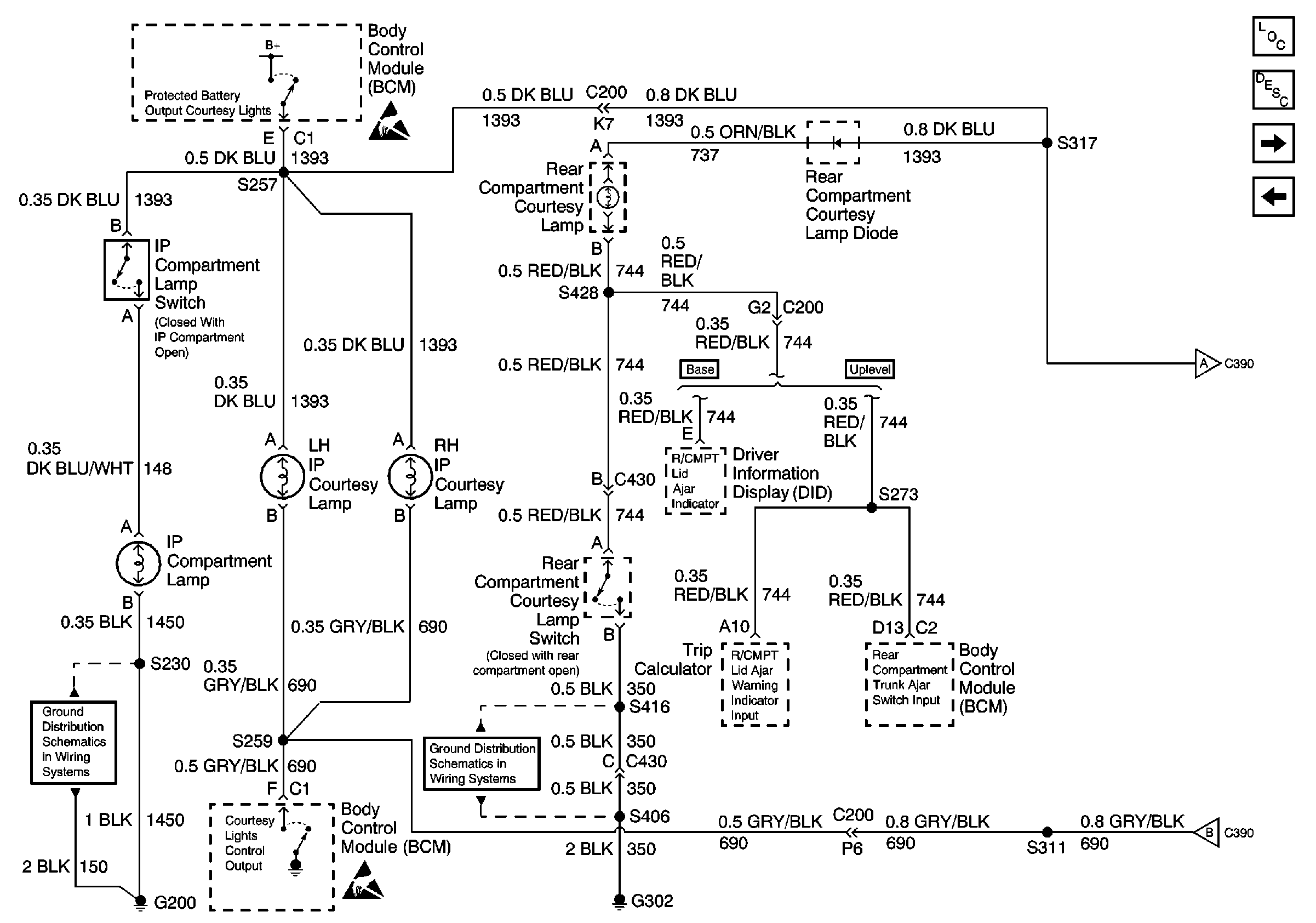
🢒 IP Compartment Lamp, IP Courtesy Lamps, Rear Compartment Lamp and Door Courtesy Warning Lamps
IP Compartment Lamp, IP Courtesy Lamps, Rear Compartment Lamp and Door Courtesy Warning Lamps
IP Comparmet Lamp, IP Courtesy Lamps, Rear Compartment Lamp and Door Courtesy Warning Lamps
Handling ESD Sensitive Parts Notice
Lighting Systems Components
Interior Lights Circuit Description
Courtesy/Reading Lamps and Illuminated Mirrors
BCM, Headlamp Switch and Door Ajar Switches
Courtesy/Reading Lamps and Illuminated Mirrors
Courtesy/Reading Lamps and Illuminated Mirrors
G302 (1 of 2)
Handling ESD Sensitive Parts Notice
G200 (1 of 4)