GM Service Manual Online
For 1990-2009 cars only
Makes
🢒
Pontiac
🢒
2000
🢒
Grand Prix
🢒 Compressor Controls C60
Compressor Controls C60
HVAC Components
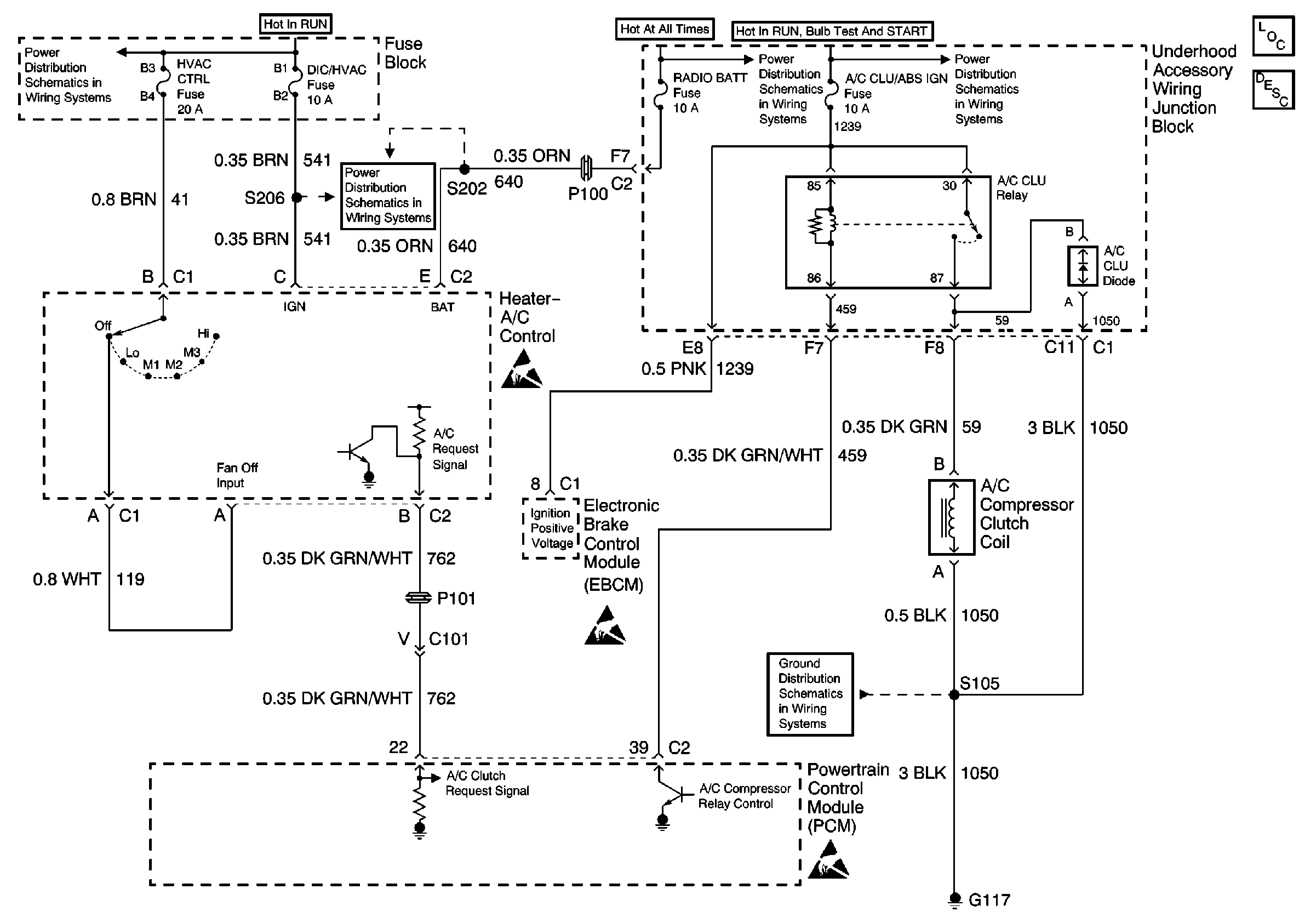
HVAC Compressor Controls Circuit Description
Electrical Controls
Blower Controls C60
DIC/HVAC and HVAC CTRL Fuse
DIC/HVAC and HVAC CTRL Fuse
DIC/HVAC and HVAC CTRL Fuse
Underhood Accessory Wiring Junction Block, Headlamp Switch, Heater A/C Control, RCDLR, Theft Deterrent Indicator Lamp, Theft Deterrent Shock Sensor and Trip Calculator
Underhood Accessory Wiring Junction Block
Power, Ground, Serial Data and EBCM
G117