GM Service Manual Online
For 1990-2009 cars only
Makes
🢒
Pontiac
🢒
2000
🢒
Grand Prix
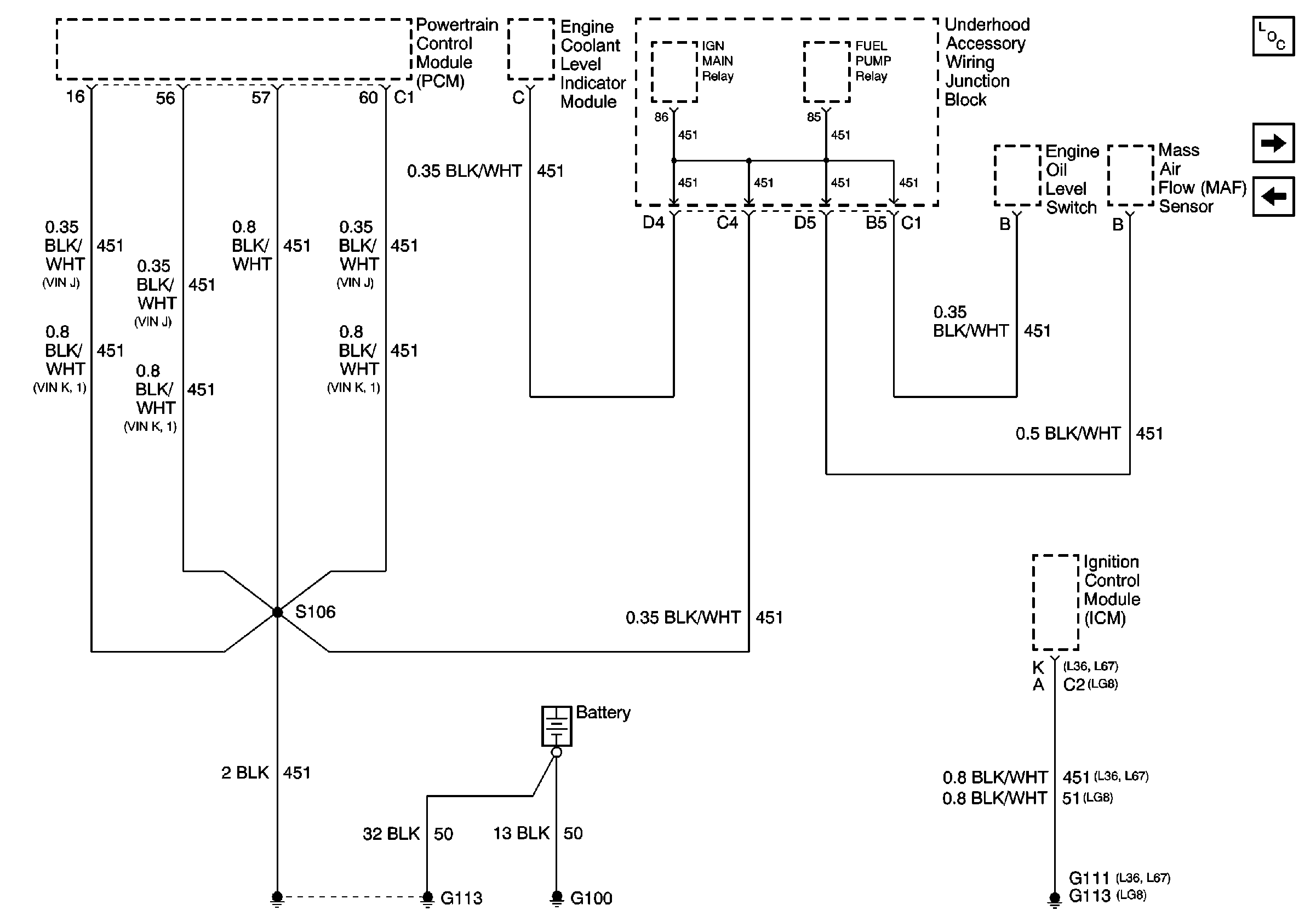
🢒 G100, G111 and G113
G100, G111 and G113
G100, G111 and G113
Power and Grounding Components
G117
G101