GM Service Manual Online
For 1990-2009 cars only
Makes
🢒
Pontiac
🢒
2000
🢒
Grand Prix
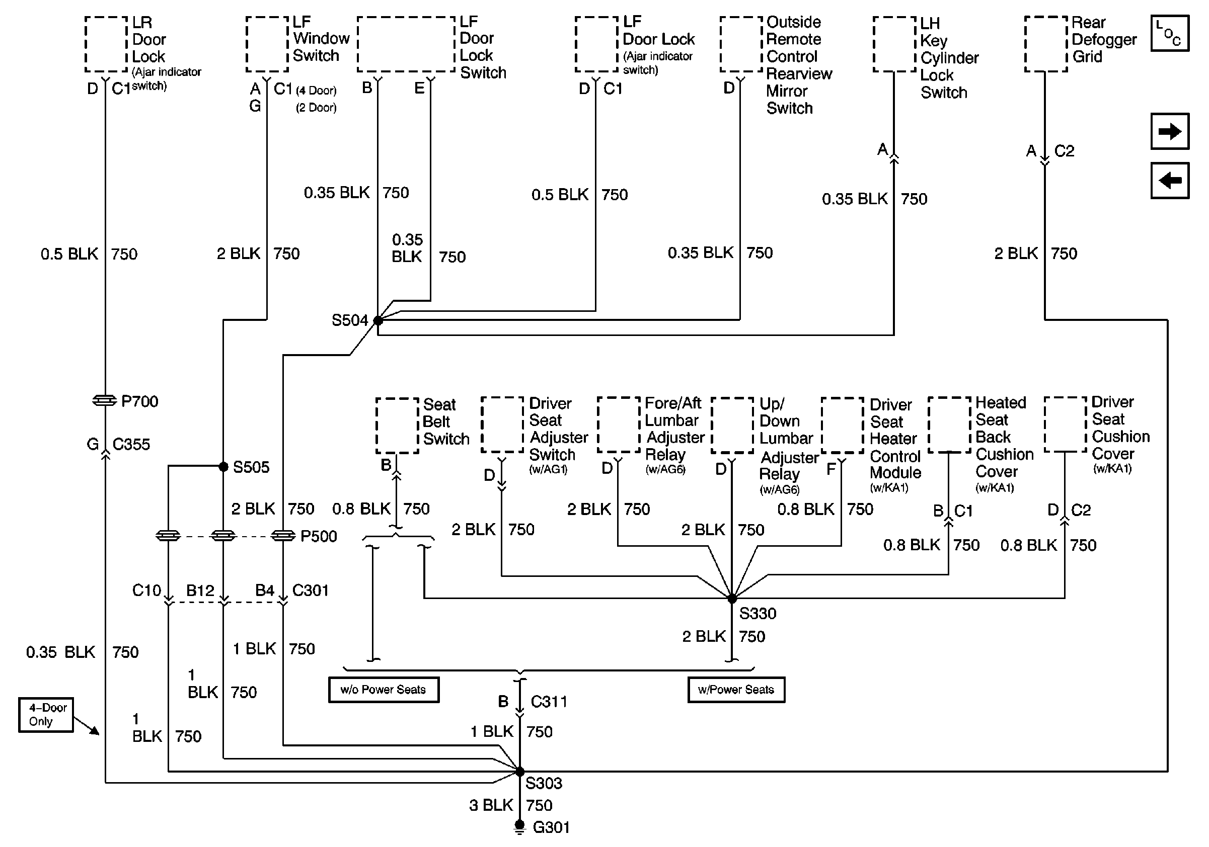
🢒 G301
G301
G301
Power and Grounding Components
G302 (1 of 2)
G205