GM Service Manual Online
For 1990-2009 cars only
Makes
🢒
Pontiac
🢒
2000
🢒
Grand Prix
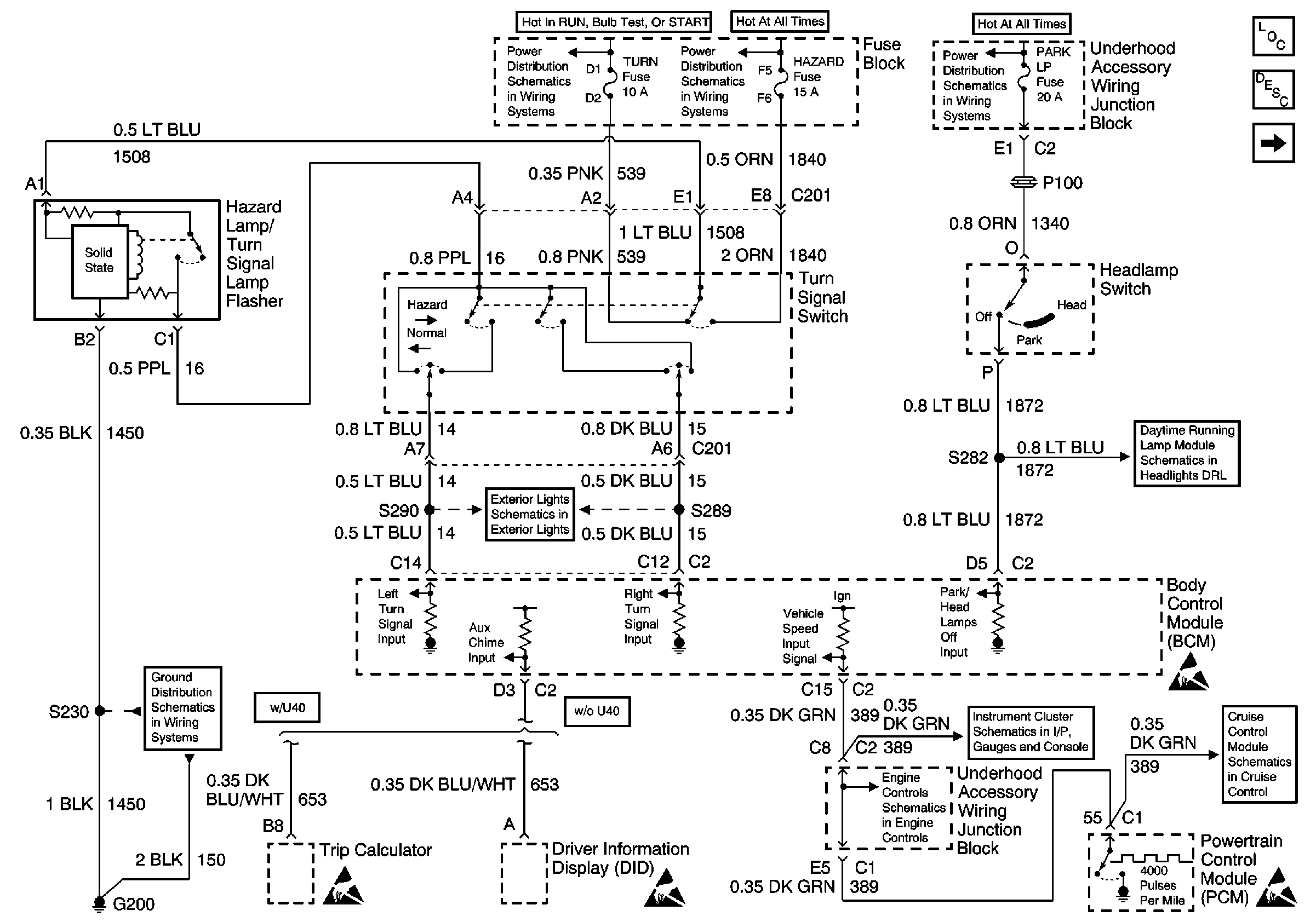
🢒 Power, Turn Signal Switch, BCM, and Ground
Power, Turn Signal Switch, BCM, and Ground
Power, Turn Signal Switch, BCM, and Ground