GM Service Manual Online
For 1990-2009 cars only
Makes
🢒
Pontiac
🢒
2000
🢒
Grand Prix
🢒 Automatic Transaxle
Automatic Transaxle
Automatic Transaxle
Handling ESD Sensitive Parts Notice
Handling ESD Sensitive Parts Notice
Engine Controls Components
Powertrain Control Module Description
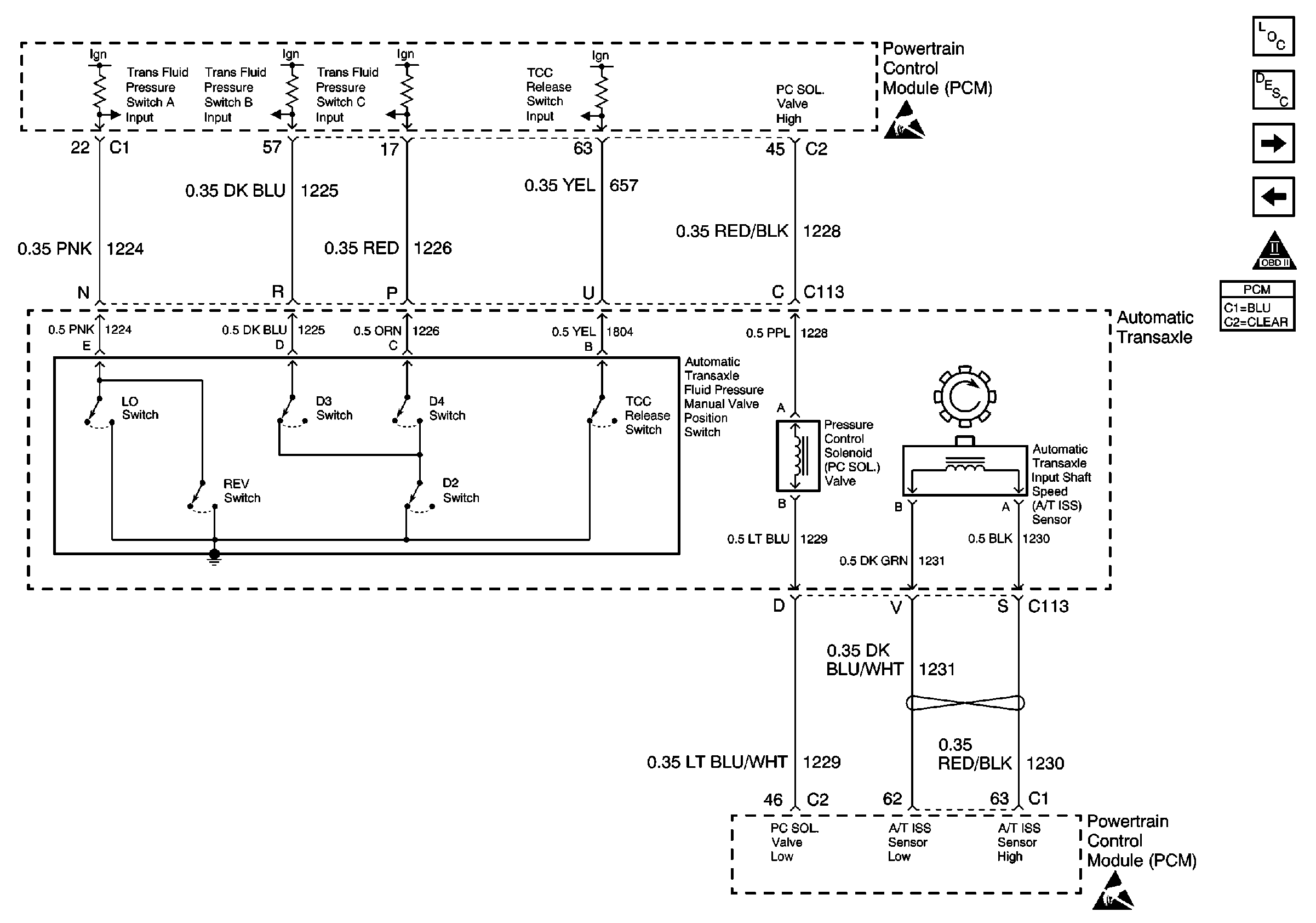
Automatic Transaxle, EBCM, Performance Shift Switch and Stop Lamp Switch
IAC, I/P, Engine Oil Level Indicator Switch and PNP
OBD II Symbol Description Notice