GM Service Manual Online
For 1990-2009 cars only
Makes
🢒
Pontiac
🢒
2000
🢒
Grand Prix
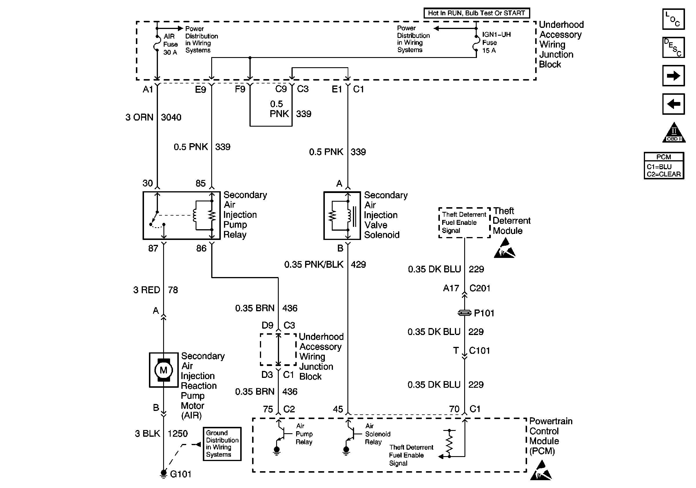
🢒 AIR Motor, AIR Valve, AIR Relay and Theft Deterrent Module
AIR Motor, AIR Valve, AIR Relay and Theft Deterrent Module
AIR Motor, AIR Valve, AIR Relay and Theft Deterant Module
Underhood Accessory Wiring Junction Block, Secondary Air Injection PUmp Relay, Secondary Air Injection Valve Solenoid, Supercharger Bypass Valve, Heated Oxygen Sensors, MAF and EVAP
Underhood Accessory Wiring Junction Block, Secondary Air Injection PUmp Relay, Secondary Air Injection Valve Solenoid, Supercharger Bypass Valve, Heated Oxygen Sensors, MAF and EVAP
G101
Handling ESD Sensitive Parts Notice
Handling ESD Sensitive Parts Notice
Engine Controls Components
Powertrain Control Module Description
HUD, Trip Calculator, I/P, BCM, CCM and VSS
HO2S #1 and HO2S #2
OBD II Symbol Description Notice