GM Service Manual Online
For 1990-2009 cars only
Makes
🢒
Pontiac
🢒
2000
🢒
Grand Prix
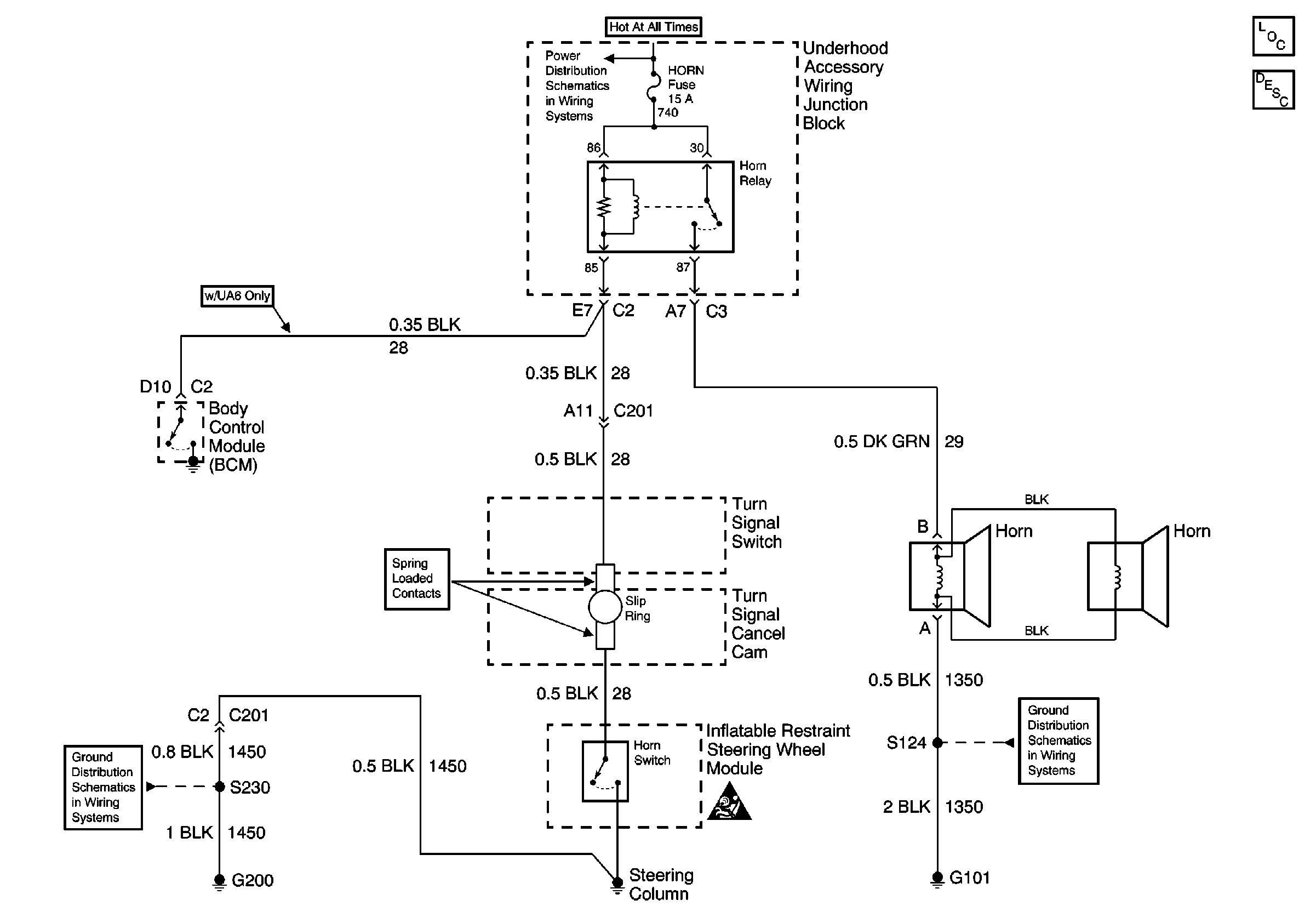
🢒 Horn Schematic
Horn Schematic
Underhood Accessory Wiring Junction Block
G200 (2 of 4)
G101
Handling ESD Sensitive Parts Notice
SIR Handling Caution
Horns Components
Horns Circuit Description