GM Service Manual Online
For 1990-2009 cars only

Removal Procedure

Caution: Remove the fuel tank cap and relieve the fuel system pressure before servicing the fuel system in order to reduce the risk of personal injury. After you relieve the fuel system pressure, a small amount of fuel may be released when servicing the fuel lines, the fuel injection pump, or the connections. In order to reduce the risk of personal injury, cover the fuel system components with a shop towel before disconnection. This will catch any fuel that may leak out. Place the towel in an approved container when the disconnection is complete.

Notice: Servicing of the supercharger unit itself is limited to replacement only. No attempt should be made to disassemble the supercharger, as parts damage may result.

    Caution: Before servicing any electrical component, the ignition and start switch must be in the OFF or LOCK position and all electrical loads must be OFF, unless instructed otherwise in these procedures. If a tool or equipment could easily come in contact with a live exposed electrical terminal, also disconnect the negative battery cable. Failure to follow these precautions may cause personal injury and/or damage to the vehicle or its components.

  1. Disconnect the negative battery cable. Refer to Battery Negative Cable Disconnection and Connection in Engine Electrical.
  2. Remove the fuel injector sight shield. Refer to Fuel Injector Sight Shield Replacement .

  3. Object Number: 190553  Size: SH
  4. Remove the exhaust gas recirculation (EGR) valve heat shield nut, bolt and the heat shield.
  5. Remove the supercharger drive belt. Refer to Drive Belt Replacement .
  6. Remove the right spark plug wires from the ignition module and reposition. Refer to Spark Plug Wire Replacement in Engine Controls - 3.8L.
  7. Remove the generator brace. Refer to Generator Brace Replacement in Engine Electrical.
  8. Remove the MAP sensor bracket. Refer to Manifold Absolute Pressure Sensor Replacement in Engine Controls - 3.8L.

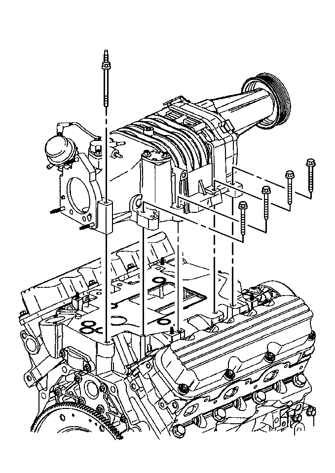
  9. Object Number: 190551  Size: MH
  10. Relieve the fuel pressure. Refer to Fuel Pressure Relief in Engine Controls - 3.8L.
  11. Remove the fuel rail assembly. Refer to Fuel Injection Fuel Rail Assembly Replacement in Engine Controls - 3.8L.
  12. Remove the boost control solenoid. Refer to Boost Control Solenoid Replacement in Engine Controls - 3.8L.
  13. Disconnect the vacuum lines from the following:
  14. • The fuel pressure regulator valve
    • The supercharger
    • The supercharger bypass valve
    • The manifold vacuum source
  15. Disconnect the electrical connectors from the following:
  16. • The supercharger bypass valve
    • The exhaust gas recirculation (EGR) valve
    • The EVAP purge solenoid
    • The mass air flow (MAF) sensor
    • The throttle position (T/P) sensor
    • The idle air control (IAC) valve
    • The intake air temperature (IAT) sensor
  17. Remove the accelerator and the cruise control cables with the bracket from the throttle body. Refer to Accelerator Control Cable Bracket Replacement in Engine Controls - 3.8L.
  18. Remove the air inlet duct from the throttle body.

  19. Object Number: 190549  Size: MH
  20. Remove the supercharger left bolts.

  21. Object Number: 190550  Size: MH
  22. Remove the supercharger right bolts.
  23. Remove the supercharger.

  24. Object Number: 190548  Size: SH
  25. Remove the supercharger gasket.

  26. Object Number: 190547  Size: SH
  27. Remove the supercharger O-ring seals.
  28. Clean the lower intake manifold-to-supercharger mating surfaces.

  29. Object Number: 66072  Size: SH
  30. If replacing the supercharger remove the following:
  31. • The throttle body
    • The positive crankcase ventilation (PCV) valve
    • The supercharger bypass valve
    • The manifold vacuum source

Installation Procedure


    Object Number: 66072  Size: SH
  1. If replacing the supercharger install the following:
  2. • The manifold vacuum source
    • The supercharger bypass valve
    • The positive crankcase ventilation (PCV) valve
    • The throttle body

    Object Number: 190547  Size: SH
  3. Install the new supercharger O-ring seals.

  4. Object Number: 190548  Size: SH

    Important: Do not use any sealer on the gasket.

  5. Install the new supercharger gasket.
  6. Install the supercharger.

  7. Object Number: 190550  Size: MH
  8. Loosely install the supercharger right bolts.

  9. Object Number: 190549  Size: MH

    Notice: Use the correct fastener in the correct location. Replacement fasteners must be the correct part number for that application. Fasteners requiring replacement or fasteners requiring the use of thread locking compound or sealant are identified in the service procedure. Do not use paints, lubricants, or corrosion inhibitors on fasteners or fastener joint surfaces unless specified. These coatings affect fastener torque and joint clamping force and may damage the fastener. Use the correct tightening sequence and specifications when installing fasteners in order to avoid damage to parts and systems.

  10. Loosely install the supercharger left bolts.
  11. Tighten
    Tighten the supercharger bolts starting from the center and working to the outside of the supercharger to 23 N·m (17 lb ft).

  12. Install the air inlet duct to the throttle body.
  13. Install the accelerator and the cruise control cables with the bracket to the throttle body. Refer to Accelerator Control Cable Bracket Replacement in Engine Controls - 3.8L.
  14. Connect the electrical connectors to the following:
  15. • The intake air temperature (IAT) sensor
    • The idle air control (IAC) valve
    • The throttle position (T/P) sensor
    • The mass air flow (MAF) sensor
    • The EVAP purge solenoid
    • The exhaust gas recirculation (EGR) valve
    • The supercharger bypass valve
  16. Connect the vacuum lines to the following:
  17. • The manifold vacuum source
    • The supercharger bypass valve
    • The supercharger
    • The fuel pressure regulator valve
  18. Install the boost control solenoid. Refer to Boost Control Solenoid Replacement in Engine Controls - 3.8L.

  19. Object Number: 190551  Size: MH
  20. Install the fuel rail assembly. Refer to Fuel Injection Fuel Rail Assembly Replacement in Engine Controls - 3.8L.
  21. Install the MAP sensor bracket. Refer to Manifold Absolute Pressure Sensor Replacement in Engine Controls - 3.8L.
  22. Install the generator brace. Refer to Generator Brace Replacement in Engine Electrical.
  23. Install the right spark plug wires to the ignition module. Refer to Spark Plug Wire Replacement in Engine Controls - 3.8L.
  24. Install the supercharger drive belt. Refer to Drive Belt Replacement .

  25. Object Number: 190553  Size: SH
  26. Install the exhaust gas recirculation (EGR) valve heat shield, nut and bolt.
  27. Tighten
    Tighten the EGR heat shield nut and bolt to 10 N·m (89 lb in).

  28. Install the fuel injector sight shield. Refer to Fuel Injector Sight Shield Replacement .
  29. Connect the negative battery cable. Refer to Battery Negative Cable Disconnection and Connection in Engine Electrical.
  30. Inspect for vacuum leaks.